电脑桌面
添加小米粒文库到电脑桌面
安装后可以在桌面快捷访问

建筑屋垂直度、标高观测测量记录VIP免费

建筑屋垂直度、标高观测测量记录_第1页
1/42
建筑屋垂直度、标高观测测量记录_第2页
2/42
建筑屋垂直度、标高观测测量记录_第3页
3/42
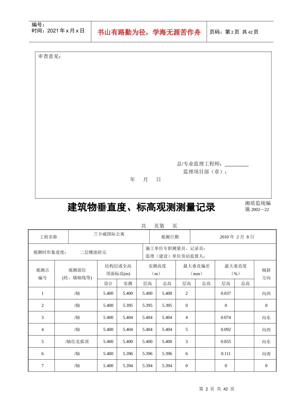
第1页共42页编号:时间:2021年x月x日书山有路勤为径,学海无涯苦作舟页码:第1页共42页建筑物垂直度、标高报验申请表湘质监统编施2002-14工程名称:兰卡威国际公寓编号:湖南正茂建设监理有限公司(监理单位):我单位已完成了三十二层垂直度、标高观测测量工作,现报上该工程报验申请表,请予以审查和验收。附件:建筑物垂直度、标高观测测量记录项目经理:施工单位(章):年月日第2页共42页第1页共42页编号:时间:2021年x月x日书山有路勤为径,学海无涯苦作舟页码:第2页共42页审查意见:总/专业监理工程师:监理项目部(章):年月日建筑物垂直度、标高观测测量记录共页第页工程名称兰卡威国际公寓观测日期2010年2月8日观测时形象进度:二层楼面砼完施工单位专职测量员、记录员:监理(建设)单位旁站监督人:观测点编号观测部位(柱、墙轴线等)结构层或全高顶面标高(m)实测高度(m)最大垂直偏差(mm)最大垂直度(%)倾斜方向设计实测层高总高层高总高层高总高1/轴5.4005.4005.4005.40020.037向西2/轴5.4005.3955.3955.3950003/轴5.4005.4045.4045.40440.074向东4/轴5.4005.4045.4045.40450.092向西5/轴往北弧顶5.4005.4005.4005.40030.055向东6/轴5.4005.3965.3965.39660.111向南7/轴5.4005.3945.3945.394000湘质监统编施2002—22第3页共42页第2页共42页编号:时间:2021年x月x日书山有路勤为径,学海无涯苦作舟页码:第3页共42页8/轴5.4005.4045.4045.40440.074向南9/轴5.4005.3975.3975.39730.055向南观测点平面布置简图及说明:图附后施工单位观测结果:施工单位项目专业技术负责人:年月日监理(建设)单位核查结论:项目专业监理工程师监理(建设)单位项目部(章)(建设单位项目技术负责人):年月日注:1、房屋结构层高及全高顶面标高,指室外地坪面到每层结构层的楼板顶和主要屋面板板顶的标高(不考虑局部突出屋顶部分)。2、层高指结构层上下楼板的板底至板顶的距离,总高指室外地坪面至结构施工层楼板板顶的高度。3、层高、总高的高度及最大垂直偏差、垂直度等观测测量,应及时在每层结构层完工时进行;全高顶面标高、垂直度观测测量,应及时在主体完工时进行。4、施工单位应根据建筑测量定位放线的规定要求另附详细平面布置图极其观测手簿。建筑物垂直度、标高观测点平面布置图:第4页共42页第3页共42页编号:时间:2021年x月x日书山有路勤为径,学海无涯苦作舟页码:第4页共42页第5页共42页第4页共42页编号:时间:2021年x月x日书山有路勤为径,学海无涯苦作舟页码:第5页共42页建筑物垂直度、标高观测测量记录共页第页工程名称兰卡威国际公寓观测日期2010年3月11日观测时形象进度:三层楼面砼完施工单位专职测量员、记录员:监理(建设)单位旁站监督人:观测点编号观测部位(柱、墙轴线等)结构层或全高顶面标高(m)实测高度(m)最大垂直偏差(mm)最大垂直度(%)倾斜方向设计实测层高总高层高总高层高总高1/轴10.60010.6005.20010.60020.038向东2/轴10.60010.5995.20410.59940.076向北3/轴10.60010.6055.20110.60510.019向西4/轴10.60010.6045.20010.60450.096向东5/轴往北弧顶10.60010.5935.19310.59330.057向西6/轴10.60010.5945.19810.59420.038向北7/轴10.60010.5995.20510.59940.076向南8/轴10.60010.6015.19710.6010009/轴10.60010.6035.20610.60320.038向东观测点平面布置简图及说明:见一层观测平面布置图施工单位观测结果:监理(建设)单位核查结论:湘质监统编施2002—22第6页共42页第5页共42页编号:时间:2021年x月x日书山有路勤为径,学海无涯苦作舟页码:第6页共42页施工单位项目专业技术负责人:年月日项目专业监理工程师监理(建设)单位项目部(章)(建设单位项目技术负责人):年月日注:1、房屋结构层高及全高顶面标高,指室外地坪面到每层结构层的楼板顶和主要屋面板板顶的标高(不考虑局部突出屋顶部分)。2、层高指结构层上下楼板的板底至板顶的距离,总高指室外地坪面至结构施工层楼板板顶的高度。3、层高、总高的高度及最大垂直偏差、垂直度等观测测量,应及时在每层结构层完工时进行;全高顶面标高、垂直度观测测量,应及时在...

1、当您付费下载文档后,您只拥有了使用权限,并不意味着购买了版权,文档只能用于自身使用,不得用于其他商业用途(如 [转卖]进行直接盈利或[编辑后售卖]进行间接盈利)。
2、本站所有内容均由合作方或网友上传,本站不对文档的完整性、权威性及其观点立场正确性做任何保证或承诺!文档内容仅供研究参考,付费前请自行鉴别。
3、如文档内容存在违规,或者侵犯商业秘密、侵犯著作权等,请点击“违规举报”。

碎片内容

建筑屋垂直度、标高观测测量记录

确认删除?
VIP
微信客服
  • 扫码咨询
会员Q群
  • 会员专属群点击这里加入QQ群
客服邮箱
回到顶部