电脑桌面
添加小米粒文库到电脑桌面
安装后可以在桌面快捷访问

成功企业奖金管理办法VIP免费

成功企业奖金管理办法_第1页
1/14
成功企业奖金管理办法_第2页
2/14
成功企业奖金管理办法_第3页
3/14
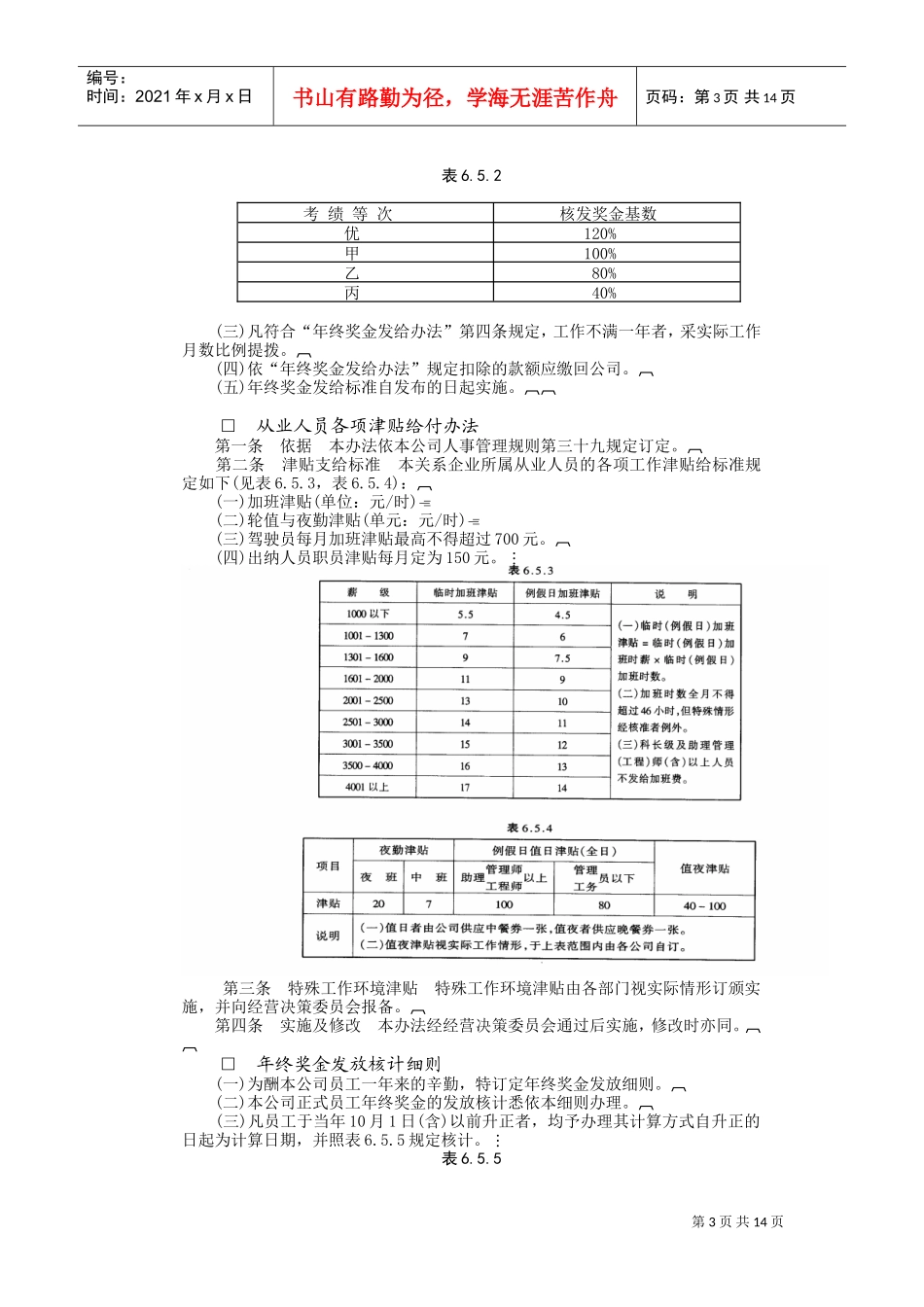
第1页共14页编号:时间:2021年x月x日书山有路勤为径,学海无涯苦作舟页码:第1页共14页第五章成功企业奖金管理制度典范一、奖金管理办法□员工出勤奖金办法(一)本公司为奖励员工出勤,减少请假,恪遵公司规章,特订定本办法。(二)出勤奖金按点计算,每点20元,每月计分30点(600元)凡本厂员工(包括契约工)在厂工作每出勤1天给予1点。(三)凡员工于当月份内请假者,不论事病假均按下列标准扣减奖金。1.请假一天扣7点(140元)。2.请假二天扣14点(280元)。3.请假三天扣21点(420元)。4.请假四天扣30~31点(600~620元)(四)全月份不请假,且轮休不超过2日者另加给全勤奖金8点(160元)凡请假旷工(包括1小时)或轮休超过2日(逢有法定假日的月份得增加为3日)及星期日固定休息人员均不加给。(五)兵役公假、婚、丧、生育假:1.身家调查、点阅召集、后备军人召集等出勤奖金照给。2.动员召集教育召集及奉派受训20天以上者不予给点。3.婚、丧、生育假所请假日不予给点(如跨月者其全勤加给的8点只扣1次)。(六)公伤与国内公差出勤奖金照给。(七)旷工:每旷工1天扣10点(4小时以内扣5点,超过4小时按1天扣点)。(八)当月份请事病假累计4小时以内奖金不扣,超过4小时按1天扣点。(九)为顾念员工确患重病必须住院(限公立或劳保医院治疗,情节特殊,其住院期间经取得医院证明者得予从轻扣点,即每住院1天扣发奖金5点,其余门诊仍按本办法第3条的规定计扣奖金。)(十)星期例假及轮休、特休:1.常白班员工星期例假日或排定轮休日奖金照给,但被指定加班而不到工者扣奖金10点。2.已排轮休的人员除轮休日外如有不上班者应一律请假否则视作旷工。3.特别休假必须于前一天下午5点钟前提出申请经核准者,出勤奖金照给,事后(包括当天)申请者不准,视作事假论。4.应休未休的特别休假在年限届满后均按现支日资的1.6倍发给奖金,但中途离职者不予发给。(十一)本办法经核准后公布实施,未尽事宜得随时修改。□全勤奖金给付办法(一)本公司为使员工勤于职务,提高生产效率起见,特订定本办法以资奖励。(二)凡本公司生产线作业人员(领班除外),守卫人员及长期临时性生产工作人员适用本办法。(三)本奖金每季颁给一次,其给付日期为次月20日。(四)凡当季内未请假(包括年休假),迟到及早退者,按下列标准给予全勤奖金:1.月薪:按当季最后一个月的月薪÷30天×6天。2.日薪:按当季最后一个月的日薪×6天。(五)颁发奖金前,人事部将名单送厂长核阅后公布。(六)新进人员如到职日恰为当季第1日者,奖金自该月份起计算,否则于次季第1日起计算。(七)当季服务未满3个月而离职者,不予计算奖金。(八)停薪留职期间不适用本办法。(九)本办法经呈准后施行,修改时亦同。第2页共14页编号:时间:2021年x月x日书山有路勤为径,学海无涯苦作舟页码:第2页共14页□从业人员年终奖金发给办法第一条依据本办法依据本公司人事管理规则第39条订定。第二条适用范围(一)本公司从业年终奖金的发给,悉依本办法的规定办理。(二)本办法所称从业人员以本公司编制内的人员为限。顾问、聘约人员、定期契约人员、临时人员均不适用。第三条奖金数额从业人员的年终奖金数额视公司当年度的业务状况及个人成绩而订(如附件一及附件二)。第四条按实际工作月数比例计算的范围从业人员在年度内有下列情形之一者,年终奖金按其该年度内实际工作月数的比例计算(服务未满半个月者以半个月计,半个月以上以一个月计)。(一)准给特别病假或公伤假者。但因执行职务奋勇负责而致伤害,经专案签准其请假间得予发给的公伤假除外。(二)非受处分的停薪留职者。(三)中途到职者。第五条发给前离职从业人员于当年度年终奖金发给前离职或受停薪留职处分中者,不予发给。但退休、资遣人员服务已满该年度者,不在此限。第六条发放日期每年度从业人员的年终奖金于翌年1月20日发给。第七条奖惩的加扣标准从业人员在当年度曾受奖惩者,年终时依下列标准加减其年终奖金。(一)嘉奖1次:加发1日份薪额的奖金。(二)记小功1次:加发3日份薪额的奖金。(三)记大功1次:加发10日份薪额的...

1、当您付费下载文档后,您只拥有了使用权限,并不意味着购买了版权,文档只能用于自身使用,不得用于其他商业用途(如 [转卖]进行直接盈利或[编辑后售卖]进行间接盈利)。
2、本站所有内容均由合作方或网友上传,本站不对文档的完整性、权威性及其观点立场正确性做任何保证或承诺!文档内容仅供研究参考,付费前请自行鉴别。
3、如文档内容存在违规,或者侵犯商业秘密、侵犯著作权等,请点击“违规举报”。

碎片内容

成功企业奖金管理办法

教育教学文库+ 关注
实名认证
内容提供者

本店有大量的教育教学资料,课件

确认删除?
VIP
微信客服
  • 扫码咨询
会员Q群
  • 会员专属群点击这里加入QQ群
客服邮箱
回到顶部