电脑桌面
添加小米粒文库到电脑桌面
安装后可以在桌面快捷访问

机械设备公司ERP编码规则方案书VIP免费

机械设备公司ERP编码规则方案书_第1页
1/34
机械设备公司ERP编码规则方案书_第2页
2/34
机械设备公司ERP编码规则方案书_第3页
3/34
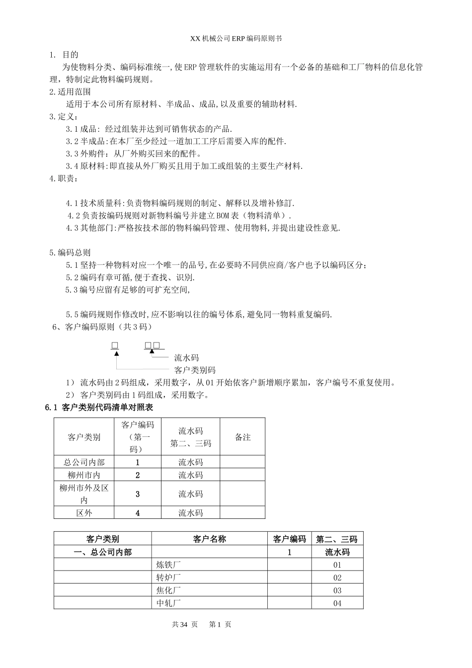
XX机械公司ERP编码原则书1.目的为使物料分类、编码标准统一,使ERP管理软件的实施运用有一个必备的基础和工厂物料的信息化管理,特制定此物料编码规则。2.适用范围适用于本公司所有原材料、半成品、成品,以及重要的辅助材料.3.定义:3.1成品:经过组装并达到可销售状态的产品.3.2半成品:在本厂至少经过一道加工工序后需要入库的配件.3.3外购件:从厂外购买回来的配件。3.4原材料:即直接从外厂购买且用于加工或组装的主要生产材料.4.职责:4.1技术质量科:负责物料编码规则的制定、解释以及增补修訂.4.2负责按编码规则对新物料编号并建立BOM表(物料清单).4.3其他部门:严格按技术部的物料编码管理、使用物料,并提出建设性意见.5.编码总则5.1坚持一种物料对应一个唯一的品号,在必要時不同供应商/客户也予以编码区分;5.2编码有章可循,便于查找、识別.5.3编号应留有足够的可扩充空间,5.5编码规则作修改时,应不影响以往的编号体系,避免同一物料重复编码.6、客户编码原则(共3码)□□□流水码客户类别码1)流水码由2码组成,采用数字,从01开始依客户新增顺序累加,客户编号不重复使用。2)客户类别码由1码组成,采用数字。6.1客户类别代码清单对照表客户类别客户编码(第一码)流水码第二、三码备注总公司内部1流水码柳州市内2流水码柳州市外及区内3流水码区外4流水码客户类别客户名称客户编码第二、三码一、总公司内部1流水码炼铁厂01转炉厂02焦化厂03中轧厂04共34页第1页XX机械公司ERP编码原则书耐材厂05烧结厂06热轧厂07中板厂08棒线厂09冷轧厂10金材公司11制氧厂12动力厂13技术中心14集团公司机工部15钢加公司16集团公司物资部17柳州兴钢建筑安装工程处(修建部)18XXX公司19柳州市运天运运输有限公司(运天运)20其他996.2举例:客户名称:炼铁厂客户编码:101客户类别码:总公司内部流水码(01~~99)客户类别客户名称客户编码第三、四码快捷码柳州市内2流水码柳州高华机械有限公司01GH柳州佳力新电机有限公司02JL柳州市盛工机械设备有限公司03SG柳州市华工百川橡塑科技有限公司04HG柳州市湖滨贸易有限公司05HB柳州福臻车体实业有限公司06FZ柳州市欧科塑胶机械成套设备有限公司07OK柳州天晟模具有限公司08TS柳州市精业机器有限公司09JY柳州汇众模具技术有限公司10HZ柳州强实科技有限责任公司11QS柳州市净宇环保设备有限责任公司12JY柳州市铸海机电设备有限公司13ZH柳州市永捷模具有限责任公司14JM柳州达源模具有限公司15DY柳州市星丰机械制造有限公司16XF柳州森蓝机械有限公司17SL共34页第2页XX机械公司ERP编码原则书。。。。。。。其他99举例:客户名称:柳州高华机械有限公司客户编码:201客户类别码:柳州市内流水码(01~~99)客户类别客户名称客户类别第2、3位快捷码柳州市外、区内3流水码广西竞成工贸有限公司01JC广西贵港钢铁集团有限公司02GG广西步诚贸易有限公司03BC海南儋州永航不锈钢有限公司04HN南宁广发重工集团有限公司05NF广西建工集团第五建筑工程有限公司第一分公司06WJ广西建工集团第五建筑工程有限公司07。。。。。。。。其他99客户类别客户名称客户类别第2、3码快捷码区外4流水码中钢设备有限公司01ZG中钢集团西安重机有限公司02CZ西安桃园冶金设备工程有限公司03XY唐山冶金矿山机械厂04TY唐山唐冶矿山设备制造有限责任公司05TY七冶建设有限责任公司柳州分公司06QY湖南鸿信建筑有限公司07HX福建省工业设备安装有限公司08安徽神力运输机械有限公司09中冶京诚工程技术有限公司10湘潭市连城经济发展中心11中国第三冶金建设公司机械安装工程公司16。。。。。。。。。。。。99其他共34页第3页XX机械公司ERP编码原则书7.公司所有产品大类代码对照表如下:代码1234567定义成品半成品原材料辅材标准件自用备件办公用品8.成品编码原则8.1成品代码构成:□□□□□□□□□□产品大类客户:属性码中分类部件码(流水号)8.1成品代码表产品大类客户(3位码)属性码(1位码)中分类(2位码)子分类码(流水号)第1码第2、3码1101~991:非标产品001销、轴类002辊类003圆盘类004联轴器类005轮类006环套类007轴承座类008管\筒类009板类010H型钢011修复类012模具类013支架\座,梁...

1、当您付费下载文档后,您只拥有了使用权限,并不意味着购买了版权,文档只能用于自身使用,不得用于其他商业用途(如 [转卖]进行直接盈利或[编辑后售卖]进行间接盈利)。
2、本站所有内容均由合作方或网友上传,本站不对文档的完整性、权威性及其观点立场正确性做任何保证或承诺!文档内容仅供研究参考,付费前请自行鉴别。
3、如文档内容存在违规,或者侵犯商业秘密、侵犯著作权等,请点击“违规举报”。

碎片内容

机械设备公司ERP编码规则方案书

状元书阁+ 关注
实名认证
内容提供者

爱好英语教学和互联网行业,热爱教育事业,兢兢业业

确认删除?
VIP
微信客服
  • 扫码咨询
会员Q群
  • 会员专属群点击这里加入QQ群
客服邮箱
回到顶部