电脑桌面
添加小米粒文库到电脑桌面
安装后可以在桌面快捷访问

投资决策练习题VIP免费

投资决策练习题_第1页
1/7
投资决策练习题_第2页
2/7
投资决策练习题_第3页
3/7
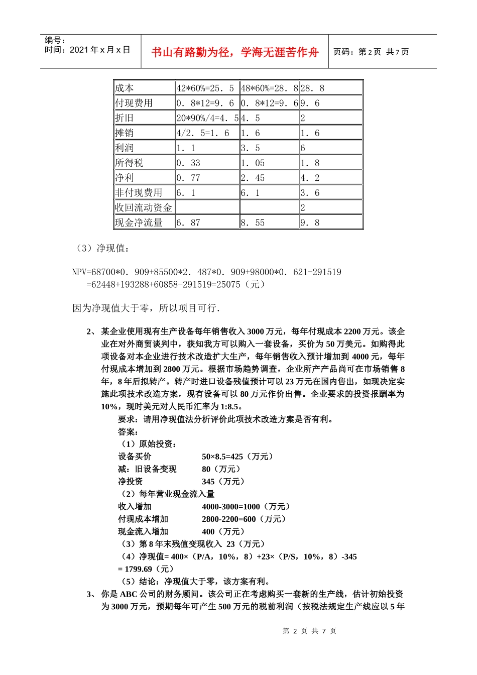
第1页共7页编号:时间:2021年x月x日书山有路勤为径,学海无涯苦作舟页码:第1页共7页1、某人拟开设一个彩扩店,通过调查研究提出以下方案:(1)设备投资:冲扩设备购价20万元,预计可使用5年,报废时无残值收入;按税法要求该设备折旧年限为4年,使用直线法折旧,残值率为10%;计划在1998年7月1日购进并立即投入使用。(2)门店装修:装修费用预计4万元,在装修完工的1998年7月1日支付。预计在2.5年后还要进行一次同样的装修。(3)收入和成本预计:预计1998年7月1日开业,前6个月每月收入3万元(已扣除营业税,下同),以后每月收入4万元;耗用相纸和冲扩液等成本收入的60%;人工费、水电费和房租等费用每月0.8万元(不含设备折旧、装修费摊销)。(4)营运资金:开业时垫付2万元。(5)所得税率为30%。(6)业主要求的投资报酬率最低为10%。要求:用净现值法评价该项目经济上是否可行。1.答案:(1)投资总现值V.=200000+40000+40000*1/(1+10%)2.5+20000=291519(元)(2)营业现金流量单位:万元项目第1年第2至4年第5年收入3*6+4*6=424*12=4848第2页共7页第1页共7页编号:时间:2021年x月x日书山有路勤为径,学海无涯苦作舟页码:第2页共7页成本42*60%=25.548*60%=28.828.8付现费用0.8*12=9.60.8*12=9.69.6折旧20*90%/4=4.54.52摊销4/2.5=1.61.61.6利润1.13.56所得税0.331.051.8净利0.772.454.2非付现费用6.16.13.6收回流动资金2现金净流量6.878.559.8(3)净现值:NPV=68700*0.909+85500*2.487*0.909+98000*0.621-291519=62448+193288+60858-291519=25075(元)因为净现值大于零,所以项目可行.2、某企业使用现有生产设备每年销售收入3000万元,每年付现成本2200万元。该企业在对外商贸谈判中,获知我方可以购入一套设备,买价为50万美元。如购得此项设备对本企业进行技术改造扩大生产,每年销售收入预计增加到4000元,每年付现成本增加到2800万元。根据市场趋势调查,企业所产产品尚可在市场销售8年,8年后拟转产。转产时进口设备残值预计可以23万元在国内售出,如现决定实施此项技术改造方案,现有设备可以80万元作价出售。企业要求的投资报酬率为10%,现时美元对人民币汇率为1:8.5。要求:请用净现值法分析评价此项技术改造方案是否有利。答案:(1)原始投资:设备买价50×8.5=425(万元)减:旧设备变现80(万元)净投资345(万元)(2)每年营业现金流入量收入增加4000-3000=1000(万元)付现成本增加2800-2200=600(万元)现金流入增加400(万元)(3)第8年末残值变现收入23(万元)(4)净现值=400×(P/A,10%,8)+23×(P/S,10%,8)-345=1799.69(元)(5)结论:净现值大于零,该方案有利。3、你是ABC公司的财务顾问。该公司正在考虑购买一套新的生产线,估计初始投资为3000万元,预期每年可产生500万元的税前利润(按税法规定生产线应以5年第3页共7页第2页共7页编号:时间:2021年x月x日书山有路勤为径,学海无涯苦作舟页码:第3页共7页期直线法折旧,净残值率为10%,,会计政策与此相同),并已用净现值法评价方案可行。然而,董事会对该生产线能否使用5年展开了激烈的争论。董事长认为该生产线只能使用4年,总经理认为能使用5年,还有人说类似生产线使用6年也是常见的。假设所得税率33%,资本成本10%,无论何时报废净残值收入均为300万元。他们请你就下列问题发表意见:(1)该项目可行的最短使用寿命是多少年(假设使用年限与净现值成线性关系,用插补法求解,计算结果保留小数点后2位)?初始流量=-3000万元营业现金净流量=净利润+折旧因为:折旧=3000(1-10%)/5=540万元所以营业现金净流量=500×(1-33%)+540=875万元若使用4年NPV(4)=每年现金流入现值+残值现值+清理净损失减税现值-原始投资=875×3.170+300×0.683+540×0.683-3000=100.36(万元)若使用3年NPV(3)=875×2.487+300×0.751+540×2×0.33×0.751-3000=-330.92(万元)N=3+[330.92/(330.92+100.36)]=3.77(2)他们的争论是否有意义(是否影响该生产线的购置决策)?为什么?他们的争论是没有意义的。因为,现金流入持续时间达到3.77年方案...

1、当您付费下载文档后,您只拥有了使用权限,并不意味着购买了版权,文档只能用于自身使用,不得用于其他商业用途(如 [转卖]进行直接盈利或[编辑后售卖]进行间接盈利)。
2、本站所有内容均由合作方或网友上传,本站不对文档的完整性、权威性及其观点立场正确性做任何保证或承诺!文档内容仅供研究参考,付费前请自行鉴别。
3、如文档内容存在违规,或者侵犯商业秘密、侵犯著作权等,请点击“违规举报”。

碎片内容

投资决策练习题

您可能关注的文档

确认删除?
VIP
微信客服
  • 扫码咨询
会员Q群
  • 会员专属群点击这里加入QQ群
客服邮箱
回到顶部