电脑桌面
添加小米粒文库到电脑桌面
安装后可以在桌面快捷访问

计量标准技术报告(加油机容量检定装置)VIP免费

计量标准技术报告(加油机容量检定装置)_第1页
1/27
计量标准技术报告(加油机容量检定装置)_第2页
2/27
计量标准技术报告(加油机容量检定装置)_第3页
3/27
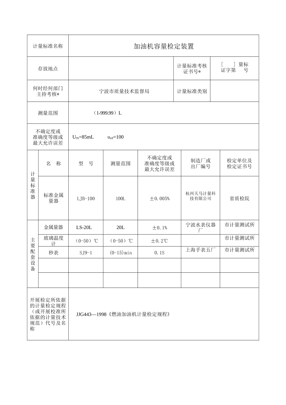
行政许可申请书示范文本:计量标准考核(复查)申请书[]量标证字第号计量标准名称加油机容量检定装置计量标准代码12216100申请单位单位代码单位地址邮政编码联系人联系电话计量标准名称加油机容量检定装置存放地点计量标准考核证书号*[]量标证字第号何时经何部门主持考核*宁波市质量技术监督局计量标准类别测量范围(1-999.99)L不确定度或准确度等级或最大允许误差U95=85mLυeff=100计量标准器名称型号测量范围不确定度或准确度等级或最大允许误差制造厂或出厂编号检定单位及检定证书号标准金属量器LJB-100100L±0.005%杭州天马计量科技有限公司省质检院主要配套设备金属量器LS-20L20L±0.1%宁波水表仪器厂市计量测试所玻璃温度计(0-50)℃(0-50)℃±0.2℃市计量测试所秒表SJ9-1(0-15)min0.1S上海手表五厂市计量测试所开展检定所依据的计量检定规程(或开展校准所依据的计量技术规范)代号及名称JJG443—1998《燃油加油机计量检定规程》拟开展的检定及校准项目名称测量范围不确定度或准确度等级或最大允许误差燃油加油机(1-999.99)L±0.3%技术资料登记序号名称是否具备1计量标准器使用说明是2计量标准履历书是3计量标准稳定性考核记录是4计量标准测量重复性考核记录是5计量器具检定证书是6计量标准操作程序是7计量标准技术报告是8计量检定规程及计量技术规范是9国家计量检定系统表是管理机制序号名称是否建立并执行1实验室岗位责任制是2计量标准使用维护制度是3周期检定制度是4检定记录及检定证书核验制度是5事故报告制度是6计量标准技术档案管理制度是环境条件序号项目要求实际情况结论1温度(10~35)℃(10~35)℃符合要求2防震无震无震符合要求3防腐无腐无腐符合要求4环境卫生清洁清洁符合要求计量检定/校准人员姓名性别年龄从事本项目年限文化程度核准检定/校准项目检定员证号发证日期燃油加油机燃油加油机申请单位意见负责人签字:(公章)年月日申请单位主管部门意见(公章)年月日主持考核(复查)单位意见(公章)年月日组织考核(复查)单位意见(公章)年月日考核意见:计量标准技术报告计量标准名称加油机容量检定装置建立计量标准单位计量标准负责人筹建起止日期说明1.申请建立计量标准应填写《计量标准技术报告》。计量标准考核合格后由申请单位存档。2.《计量标准技术报告》由计量标准负责人填写。3.《计量标准技术报告》用计算机打印或墨水笔填写,要求字迹工整清晰。目录一、计量标准的工作原理及其组成…………………………………(3)二、选用的计量标准器及主要配套设备……………………………(4)三、计量标准的主要技术指标………………………………………(5)四、环境条件…………………………………………………………(5)五、计量标准的量值溯源和传递框图………………………………(6)六、计量标准的测量重复性考核……………………………………(7)七、计量标准的稳定性考核…………………………………………(8)八、测量不确定度评定………………………………………………(9)九、计量标准的测量不确定度验证…………………………………(14)十、结论……………………………………………………………(15)十一、附加说明………………………………………………………(15)一、计量标准的工作原理及其组成工作原理:在规定的测量环境条件下,以标准金属量器为主标准器,温度计和秒表为辅助设备,在规定的流量点Q上对加油机进行示值测量,将标准金属量器所积的介质(柴油或汽油)经温度补偿后的体积VBT,同加油机显示体积量状态时的体积值VJ比较之差值,定为加油机的示值误差。经多次测量计算其重复性误差。指示装置测量变换器视油器油枪标准量器油气分离器油泵气体排出储油罐二、选用的计量标准器及主要配套设备计量标准器名称型号测量范围不确定度或准确度等级或最大允许误差制造厂及出厂编号检定证书号标准金属量器LJB-100100L0.05级杭州天马计量科技040301LL-20040275配套设备金属量器LS-20L20L±0.1%宁波水表仪器厂,4140223001玻璃温度计(0-50)℃(0-50)℃±0.2℃89T35-40218026秒表SJ9-1(0-15)min0.1s上海手表五厂024020E43-40302...

1、当您付费下载文档后,您只拥有了使用权限,并不意味着购买了版权,文档只能用于自身使用,不得用于其他商业用途(如 [转卖]进行直接盈利或[编辑后售卖]进行间接盈利)。
2、本站所有内容均由合作方或网友上传,本站不对文档的完整性、权威性及其观点立场正确性做任何保证或承诺!文档内容仅供研究参考,付费前请自行鉴别。
3、如文档内容存在违规,或者侵犯商业秘密、侵犯著作权等,请点击“违规举报”。

碎片内容

计量标准技术报告(加油机容量检定装置)

您可能关注的文档

确认删除?
VIP
微信客服
  • 扫码咨询
会员Q群
  • 会员专属群点击这里加入QQ群
客服邮箱
回到顶部