电脑桌面
添加小米粒文库到电脑桌面
安装后可以在桌面快捷访问

中低压管道液压试验工艺标准VIP免费

中低压管道液压试验工艺标准_第1页
1/8
中低压管道液压试验工艺标准_第2页
2/8
中低压管道液压试验工艺标准_第3页
3/8
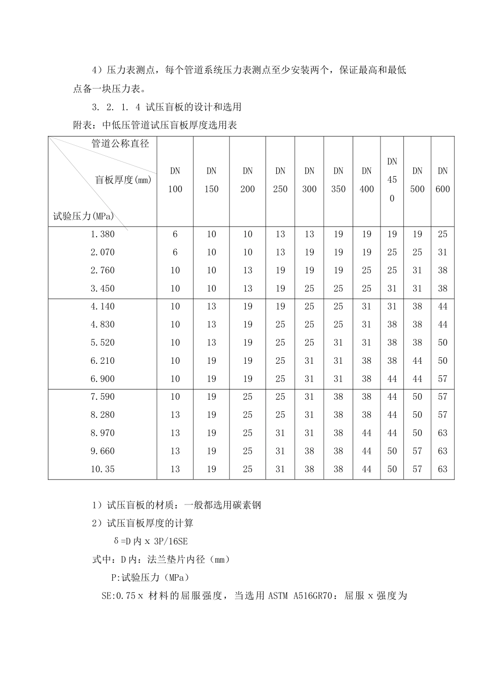
中低压管道液压试验工艺标准QDICC/QB130-20021、适用范围:本标准适用于石油化工装置、热电装置等工业管道工程的液压试验。2、试压材料及设备机具:2.1试压材料2.1.1材料a、主要措施用料:应根据试验压力大小选用相应等级的无缝钢管、焊接管、压力橡胶管、垫片、盲板、法兰、弯头、接头、紧固件及消防带等。b、主要消耗材料:石棉板、密封带、电焊条、二硫化钼、乙炔、氧气等。2.2设备机具:a、主要设备:试压泵、电焊机、吊车b、主要工具:氧气带、撬棍、剪子、记号笔、气焊把、电焊把、面罩、电缆电线、把线、手套等。3、试压程序编制试压文件→管道安装资质送审→技术交底→试压系统的连接→试压前的共检→注水升压→稳定检验→试验压力下检查→各方共检→泄水放水→管道系统恢复→试压记录签证→下道工序3.2操作工艺要求3.2.1编制试压文件的准备根据施工平面布置图、管道单线图、设计变更单及管道编号表等设计文件并结合施工具体情况编制,试压文件内容包括:管道系统试压流程图:图中标明管线号、设计压力、设计温度、试验压力、试验温度、盲板安装位置及规格、压力表位置、放空点、排放点;临时管路上水点、试压管规格材质、试压泵位置及本系统试压措施用料表等。3.2.1.1管道试压系统的划分1)根据施工平面布置图、流程图、管道单线图、设计变更单及管道说明表等设计文件,以管道操作单元为区域,设计压力为主线,或以设备为基准,把同材质、相近压力、现场分布临近、流程相贯通的两条或多条管道组合形成试压系统。2)试压系统由试压技术员划分,管道专业责任工程师审核。3.2.1.2强度试验压力的确定1)按试压系统诸多管线号中设计压力高于且不超过被试管路系统最薄弱组成件的承受力。2)承受内压的地上钢管及有色金属管道水压试验压力为设计压力的1.5倍,夹套管内管的试验压力应按内部或外部设计压力的高者确定。承受外压的管道,其试验压力应为设计内、外压力之差的1.5倍,且不得低于0.2Mpa。埋地钢管道的试验压力应为设计压力的1.5倍,且不得低于0.4Mpa。3)当管道与设备作为一个系统进行试验,管道的试验压力等于或小于设备的试验压力时,应按管道的试验压力进行试验,当管道试验压力大于设备的试验压力,且设备的试验压力不低于管道设计压力的1.15倍时,经建设单位同意,可按设备的试验压力进行试验。4)当管道的设计温度高于试验温度时,试验压力应按下式计算:Ps=1.5P[δ]1/[δ]2式中:Ps——试验压力(表压)MPa;P——设计压力(表压)Mpa;[δ]1——试验温度下,管材的许用应力(MPa)[δ]2——设计温度下,管材的许用应力(MPa)当[δ]1/[δ]2大于6.5时,取6.5当Ps在试验温度下,产生超过屈服强度的应力时,应将试验压力Ps降至不超过屈服温度时的最大压力。3.2.1.3上水点、升压点、排放点、温度测点、压力表测点的确定1)尽量取用试压系统本身的放空点、排放点、取压点、仪表附件点、进行放空,若系统本身没有放空点,实际又须要放空点,可以自行设计并经设计同意,管道最高法兰设备口可作为放空点。2)上水点、升压点可用系统的排放点或取样点、法兰口,一般接管直径为DN20-DN25,选取在距水源近的地方和便于活接连接的地方。3)温度测点,系统管道外壁测点和环境测量,用于试验介质温度与环境温度差别不大的情况,防止试验温度接近金属的脆性转变温度;防止管内水温度过低等。4)压力表测点,每个管道系统压力表测点至少安装两个,保证最高和最低点备一块压力表。3.2.1.4试压盲板的设计和选用附表:中低压管道试压盲板厚度选用表管道公称直径盲板厚度(mm)试验压力(MPa)DN100DN150DN200DN250DN300DN350DN400DN450DN500DN6001.3802.0702.7603.4506610101010101010101313131319191319192519191925191925251925253119253131253138384.1404.8305.5206.2106.90010101010101313131919191919191919252525252525253131252531313131313138383138383844383838444444445050577.5908.2808.9709.66010.3510131313131919191919252525252525253131313131313838383838383838384444444444445050505050575757576363631)试压盲板的材质:一般都选用碳素钢2)试压盲板...

1、当您付费下载文档后,您只拥有了使用权限,并不意味着购买了版权,文档只能用于自身使用,不得用于其他商业用途(如 [转卖]进行直接盈利或[编辑后售卖]进行间接盈利)。
2、本站所有内容均由合作方或网友上传,本站不对文档的完整性、权威性及其观点立场正确性做任何保证或承诺!文档内容仅供研究参考,付费前请自行鉴别。
3、如文档内容存在违规,或者侵犯商业秘密、侵犯著作权等,请点击“违规举报”。

碎片内容

中低压管道液压试验工艺标准

确认删除?
VIP
微信客服
  • 扫码咨询
会员Q群
  • 会员专属群点击这里加入QQ群
客服邮箱
回到顶部