电脑桌面
添加小米粒文库到电脑桌面
安装后可以在桌面快捷访问

技术研发人员绩效考核VIP免费

技术研发人员绩效考核_第1页
1/7
技术研发人员绩效考核_第2页
2/7
技术研发人员绩效考核_第3页
3/7
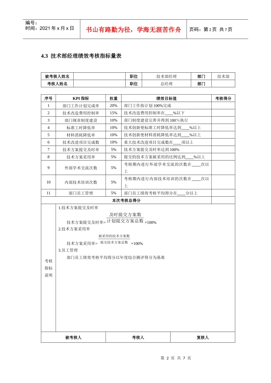
第1页共7页编号:时间:2021年x月x日书山有路勤为径,学海无涯苦作舟页码:第1页共7页第4章技术研发人员绩效考核4.1技术部关键绩效考核指标序号KPI指标考核周期指标定义/公式资料来源1工作目标按计划完成率年度×100%技术部2技术创新使标准工时降低率年度×100%财务部3技术创新使材料消耗降低率年度×100%财务部4技术改造费用控制率年度×100%财务部5重大技术改进项目完成数年度当期完成并通过验收的重大技术改进项目总数技术部6技术服务满意度年度对技术服务对象进行随机调查的技术服务满意度评分的算术平均值人力资源部7外部学术交流次数年度当期进行外部学术交流的次数人力资源部8内部技术培训次数年度考核期内进行内部技术培训的次数人力资源部4.2研发部关键绩效考核指标序号KPI指标考核周期指标定义/公式资料来源1研发项目阶段成果达成率年度×100%研发部2科研项目申请成功率年度×100%研发部3研发成本控制率年度×100%财务部4新产品利润贡献率年度×100%财务部5项目开发完成准时率年度×100%研发部6科研课题完成量年度当期完成并通过验收的课题总数研发部7科研成果转化效果年度当期科研成果转化次数研发部8产品技术稳定性年度投放市场后产品设计更改的次数研发部9试验事故发生次数年度当期试验事故发生次数研发部计划完成工作量实际完成工作量改进前标准工时后标准工时改进前标准工时-改进改进前工序材料消耗改进后消耗改进前工序材料消耗-技术改造费用预算技术改造发生费用计划达成数成数各项目实施阶段成果达项目申请总数项目申请成功数预算费用实际技术改造费用全部利润总额新产品利润总额开发计划周期开发实际周期第2页共7页第1页共7页编号:时间:2021年x月x日书山有路勤为径,学海无涯苦作舟页码:第2页共7页4.3技术部经理绩效考核指标量表被考核人姓名职位技术部经理部门技术部考核人姓名职位总经理部门序号KPI指标权重绩效目标值考核得分1部门工作计划完成率20%部门工作按计划100%完成2技术改造费用控制率15%技术改造费用控制率在%以下3部门规章制度建设10%部门制度建设完善并得到100%执行4标准工时降低率10%技术创新使标准工时降低率达到%以上5材料消耗降低率10%技术创新使材料消耗降低率达到%以上6技术改进项目完成数10%重大技术改进项目完成数在项以上7技术方案提交及时率5%技术方案提交及时率达到100%8技术方案采用率5%提交的技术方案被采用的比例达到%以上9外部学术交流次数5%考核期内进行外部学术交流的次数在次以上10内部技术培训次数5%考核期内进行内部技术培训的次数在次以上11部门员工管理5%部门员工绩效考核平均得分在分以上本次考核总得分考核指标说明1.技术方案提交及时率技术方案提交及时率=×100%2.技术方案采用率技术方案采用率=×100%3.员工管理部门员工绩效考核平均得分以年度综合测评得分为基准被考核人考核人复核人计划提交方案总数及时提交方案数提交技术方案总数被采用的技术方案数第3页共7页第2页共7页编号:时间:2021年x月x日书山有路勤为径,学海无涯苦作舟页码:第3页共7页签字:日期:签字:日期:签字:日期:4.4研发部经理绩效考核指标量表被考核人姓名职位研发部经理部门研发部考核人姓名职位总经理部门序号KPI指标权重绩效目标值考核得分1研发项目阶段成果达成率15%研发项目阶段成果达成率在%以上2项目开发完成准时率15%项目开发完成准时率在%以上3部门规章制度建设10%部门规章制度建设完善并得到100%执行4研发成本控制率10%项目研发成本控制率达%5新产品投资利润率10%新产品投资利润率在%以上6新产品利润贡献率10%新产品利润贡献率在%以上7科研成果转化效果10%本年度实现科研成果转化在项以上8开发成果验收合格率5%开发成果验收合格率达到100%9科研项目申请成功率5%科研项目申请成功率到达到%以上10试验事故发生次数5%试验事故发生次数在次以下11部门员工管理5%部门员工绩效考核平均得分在分以上12产品技术重大创新加分项每次酌情加5~10分本次考核总得分考核指标说明1.新产品投资利润率新产品投资利润率=×100%2.开发成果验收合格率开发成果验收合格率=×100%3.产品技术重大创新指产品技术创新获得国际认可或填补国家某项空白...

1、当您付费下载文档后,您只拥有了使用权限,并不意味着购买了版权,文档只能用于自身使用,不得用于其他商业用途(如 [转卖]进行直接盈利或[编辑后售卖]进行间接盈利)。
2、本站所有内容均由合作方或网友上传,本站不对文档的完整性、权威性及其观点立场正确性做任何保证或承诺!文档内容仅供研究参考,付费前请自行鉴别。
3、如文档内容存在违规,或者侵犯商业秘密、侵犯著作权等,请点击“违规举报”。

碎片内容

技术研发人员绩效考核

您可能关注的文档

确认删除?
VIP
微信客服
  • 扫码咨询
会员Q群
  • 会员专属群点击这里加入QQ群
客服邮箱
回到顶部