电脑桌面
添加小米粒文库到电脑桌面
安装后可以在桌面快捷访问

海船船员培训场地设施设备标准(090512)VIP免费

海船船员培训场地设施设备标准(090512)_第1页
1/43
海船船员培训场地设施设备标准(090512)_第2页
2/43
海船船员培训场地设施设备标准(090512)_第3页
3/43
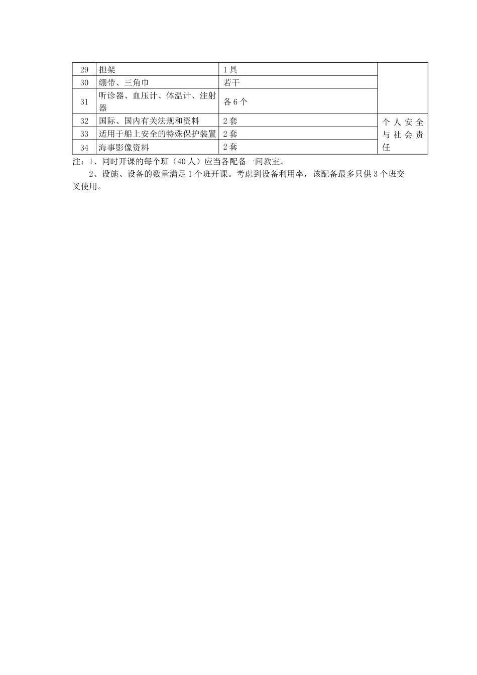
附件一:海船船员培训场地、设施、设备标准1、海船船员基本安全培训场地、设施、设备标准序号场地、设施、设备要求备注1多媒体教室1间,可容纳40人。2陈列室3个,能满足放置消防、艇缆、急救等有关属具和物品,具有所需观摩空间。350×25米游泳池设5米跳台1个个人求生技能4救生衣40件5防水保温服5套6气胀式救生筏2个7直升飞机救援吊运设备模型、挂图或影像资料。8模拟消防舱室1间:分上下两层舱,设通道、直梯或斜梯、人孔防火门、通风筒,预设2个以上燃烧点(池或盒),烟雾发生器1个、模拟人体2个、担架2具、急救箱2个、对讲机4个、防火毯若干、沙箱和消防水桶各2个。防火和灭火9各类手提式灭火器二氧化碳、泡沫、干粉等至少各5个。10应急消防泵2台,具有水井或水池供水。11水龙带12条12消防栓6个13水枪6个(直流和开花两用)14国际通岸接头2个15储压式空气呼吸器5套16紧急逃生用呼吸装置4套17防毒面具5套18防火服6套19消防服、头盔、靴、帽、安全带各20套20安全索、安全灯、太平斧、消防钩各2套21二氧化碳系统(或泡沫灭火系统)1套22火灾自动报警器6个(室内模拟操作实验)23测爆仪、测氧仪各2套24全套的卫生知识挂图1套基本急救25人体骨髓模型1具26人体模型2具27急救箱2个28止血器6套29担架1具30绷带、三角巾若干31听诊器、血压计、体温计、注射器各6个32国际、国内有关法规和资料2套个人安全与社会责任33适用于船上安全的特殊保护装置2套34海事影像资料2套注:1、同时开课的每个班(40人)应当各配备一间教室。2、设施、设备的数量满足1个班开课。考虑到设备利用率,该配备最多只供3个班交叉使用。2、海船船员岗位适任培训场地、设施、设备标准2.1船长、大副、三副序号场地、设施、设备要求职务备注船长大副三副1多媒体教室1间,能容纳40人。√√√2教学用海图40张√√3教学用中、英文版航海图书资料20套√√4教学用《航海日志》40套√√5海图桌40张√√6海图作业工具40套√√7航线设计资料4套√√欧洲、北太平洋、南太平洋、中国沿海航线各一套。8六分仪20台√9索星卡40套√10天文表册20套√11★天象馆1个√12全球定位系统接收机4台套√13雷达4台,具备全球定位系统、船舶自动识别系统、计程仪、陀螺罗经等输入接口和自动标绘功能。√至少两种型号14计程仪2台,具备模拟显示功能。√15测深仪2台√16磁罗经5台√至少配备一个方位仪17陀螺罗经3台,每台带1个方位分罗经和1个方位仪。√3种不同系列各1台18船舶自动识别系统船台4台√19航行数据记录仪或简易型航行数据记录仪1套√√20风向风速仪1台√√21数字气象仪2台√√含百叶箱22百叶箱干湿球温度表2只√23空盒气压表10个√24气象传真接收机2台√√序号场地、设施、设备要求职务备注船长大副三副25实船货运配积载资料散装船、杂货船、集装箱船各40套。√√26国际海运危险货物规则2套√√27货物积载与系固规则2套√√28配积载计算机与软件40个终端,每个终端应装载散装船、杂货船、集装箱船配积载软件各1套。√√29相关配载船舶资料和装货清单40套√√30船舶模型集装箱、散货船、杂货船、油轮各1具。√31船体结构模型集装箱、散货船、杂货船、油轮各1具。√32锚设备实物或模型1套√33装卸设备实物或模型1套√34系泊设备实物或模型1套√35操舵设备实物或模型1套√36管系模型1套√37堵漏器材实物1套√38主要航海国家国旗或替代物1套√39信号旗1套√40灯光通信设备1套√41号灯号型实物或替代物1套√42全球海上遇险和安全系统√参见全球海上遇险和安全系统专项培训的标准。43雷达模拟器1套;至少3个雷达本船,均具有自动雷达标绘仪功能;可进行对抗训练。√44航海模拟器1套,满足国际海事组织关于航海模拟器的性能标准。√45英语听说训练教学设备40套√√√序号场地、设施、设备要求职务备注船长大副三副46航海英语视听教学资料40套√√√47满足主管机关船员无纸化考场标准的考场1个√48★计算机和网络设施40台终端√√√49★电子海图系统软件1套√√√注:1、表中带“★”者为选做项目。2、同时开课的每个班(40人)应当各配备一间教室。3、场地、设施、设备的数量满足1个班开课。考虑到设备利用率,该配备最多可供6个班交叉使用。2、...

1、当您付费下载文档后,您只拥有了使用权限,并不意味着购买了版权,文档只能用于自身使用,不得用于其他商业用途(如 [转卖]进行直接盈利或[编辑后售卖]进行间接盈利)。
2、本站所有内容均由合作方或网友上传,本站不对文档的完整性、权威性及其观点立场正确性做任何保证或承诺!文档内容仅供研究参考,付费前请自行鉴别。
3、如文档内容存在违规,或者侵犯商业秘密、侵犯著作权等,请点击“违规举报”。

碎片内容

海船船员培训场地设施设备标准(090512)

您可能关注的文档

确认删除?
VIP
微信客服
  • 扫码咨询
会员Q群
  • 会员专属群点击这里加入QQ群
客服邮箱
回到顶部