电脑桌面
添加小米粒文库到电脑桌面
安装后可以在桌面快捷访问

教室公寓中心规章制度VIP免费

教室公寓中心规章制度_第1页
1/39
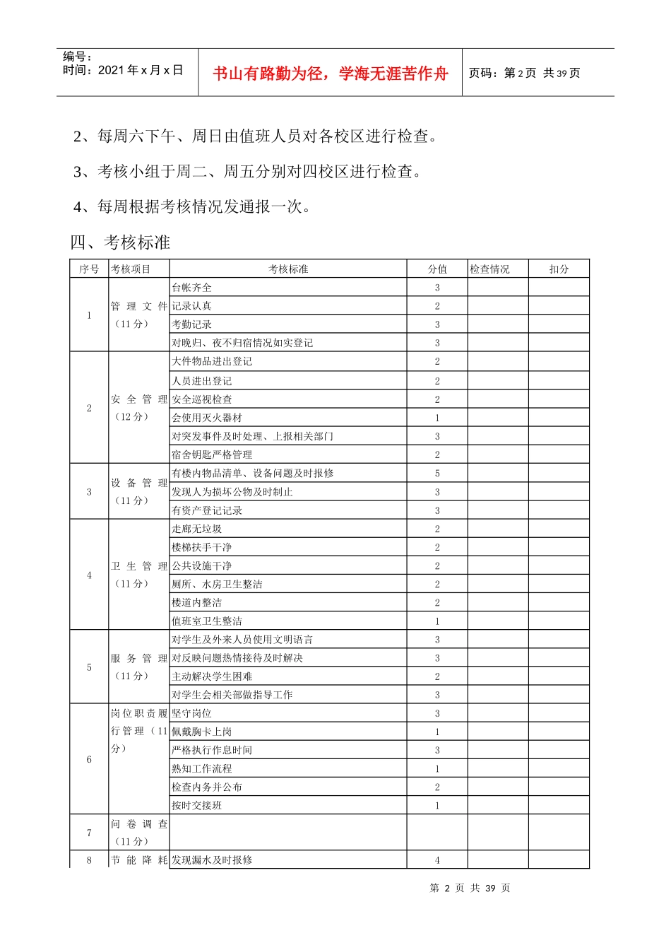
教室公寓中心规章制度_第2页
2/39
教室公寓中心规章制度_第3页
3/39
第1页共39页编号:时间:2021年x月x日书山有路勤为径,学海无涯苦作舟页码:第1页共39页四规章制度(一)教室公寓中心各岗位工作考核办法(试行)为贯彻“三服务、两育人”的宗旨,全面提高部门的管理水平和服务质量,更好地为师生员工提供优质服务,根据集团公司对部门考核办法特制定本考核办法。一、考核工作小组:组长:彭学军副组长:沈欣、刘瑞成员:各校区负责人二、职责:1、根据实际情况,检查本部门的岗位职责、各项规章制度和承诺服务的落实、执行情况,对本部门的存在的服务问题进行汇总和整改。2、受集团公司检查领导小组的指导,对其提出的整改意见进行落实、检查、反馈。3、每月收集一次服务对象的意见或建议(寒暑假例外),并在工作中予以改进和落实。4、每周至少对本部门进行一次自查。5、依据考核结果,研究确定各岗位的每月工作量奖金金额。三、考核方法1、各校区在校区负责人带领下,每天针对考核情况进行自查。第2页共39页第1页共39页编号:时间:2021年x月x日书山有路勤为径,学海无涯苦作舟页码:第2页共39页2、每周六下午、周日由值班人员对各校区进行检查。3、考核小组于周二、周五分别对四校区进行检查。4、每周根据考核情况发通报一次。四、考核标准序号考核项目考核标准分值检查情况扣分1管理文件(11分)台帐齐全3记录认真2考勤记录3对晚归、夜不归宿情况如实登记32安全管理(12分)大件物品进出登记2人员进出登记2安全巡视检查2会使用灭火器材1对突发事件及时处理、上报相关部门3宿舍钥匙严格管理23设备管理(11分)有楼内物品清单、设备问题及时报修5发现人为损坏公物及时制止3有资产登记记录34卫生管理(11分)走廊无垃圾2楼梯扶手干净2公共设施干净2厕所、水房卫生整洁2楼道内整洁2值班室卫生整洁15服务管理(11分)对学生及外来人员使用文明语言3对反映问题热情接待及时解决3主动解决学生困难2对学生会相关部做指导工作36岗位职责履行管理(11分)坚守岗位3佩戴胸卡上岗1严格执行作息时间3熟知工作流程1检查内务并公布2按时交接班17问卷调查(11分)8节能降耗发现漏水及时报修4第3页共39页第2页共39页编号:时间:2021年x月x日书山有路勤为径,学海无涯苦作舟页码:第3页共39页(11分)对违章用电制止3教室无长明灯现象2清扫工具严格执行以旧换新制度29学生职工投诉(11分)因服务态度造成不良后果6因服务质量造成学生不满意510通报表扬(11分)因工作突出受到通报表扬4问卷调查学生满意度达到95﹪以上3发生重大事故及时处理为学院挽回重大损失4五、奖惩办法凡在集团公司或部门考核中扣分的个人,核发工作量奖金的90%,当月扣分两次及以上的个人核发工作量奖金的50%,校区负责人发工作量奖金90%,一年内连续两次或累计三次拿工作量奖金50%的个人给予停岗学习(其待遇参照学院相关规定),校区负责人发工作量奖金50%。(外聘人员参照此办法每1分扣20元)。(二)教室公寓中心工作质量检查制度为了全面提高我部门的管理水平和服务质量,更好地为师生员工提供优质服务,特制订以下制度:1、工作质量检查根据教室、公寓中心工作质量考核办法,采取日常考核与定期检查相结合的方法。2、各校区针对工作质量的考核,要求每日检查、时事清楚、记录完善。3、工作质量检查小组每周二、周五对四校区所有岗位,按照考核办法进行细致、认真的检查。4、检查小组每周对检查情况进行一次通报,提出整改意见。第4页共39页第3页共39页编号:时间:2021年x月x日书山有路勤为径,学海无涯苦作舟页码:第4页共39页5、各校区督促检查整改意见的落实情况,并将检查结果报检查小组。6、检查小组每月汇总各岗位考核结果报中心办公室。(三)宿舍楼管理制度第一章总则根据学院“创国家示范学院”的总体目标,为了给学生一个文明、祥和、安全、卫生的住宿环境,从“以人为本”的理念出发,以更好地体现管理育人,服务育人、环境育人的宗旨,特制定本管理办法。第二章组织结构在后勤集团、学生处的领导下,教室公寓服务中心和各教学系直接负责宿舍学生的教育和管理,并指导学生会、宿管部、治保部、劳动部、女工部开展相关工作,动力维修服务中心协助配合做好宿舍设施的...

1、当您付费下载文档后,您只拥有了使用权限,并不意味着购买了版权,文档只能用于自身使用,不得用于其他商业用途(如 [转卖]进行直接盈利或[编辑后售卖]进行间接盈利)。
2、本站所有内容均由合作方或网友上传,本站不对文档的完整性、权威性及其观点立场正确性做任何保证或承诺!文档内容仅供研究参考,付费前请自行鉴别。
3、如文档内容存在违规,或者侵犯商业秘密、侵犯著作权等,请点击“违规举报”。

碎片内容

教室公寓中心规章制度

您可能关注的文档

确认删除?
VIP
微信客服
  • 扫码咨询
会员Q群
  • 会员专属群点击这里加入QQ群
客服邮箱
回到顶部