电脑桌面
添加小米粒文库到电脑桌面
安装后可以在桌面快捷访问

危化生产检查表2VIP免费

危化生产检查表2_第1页
1/9
危化生产检查表2_第2页
2/9
危化生产检查表2_第3页
3/9
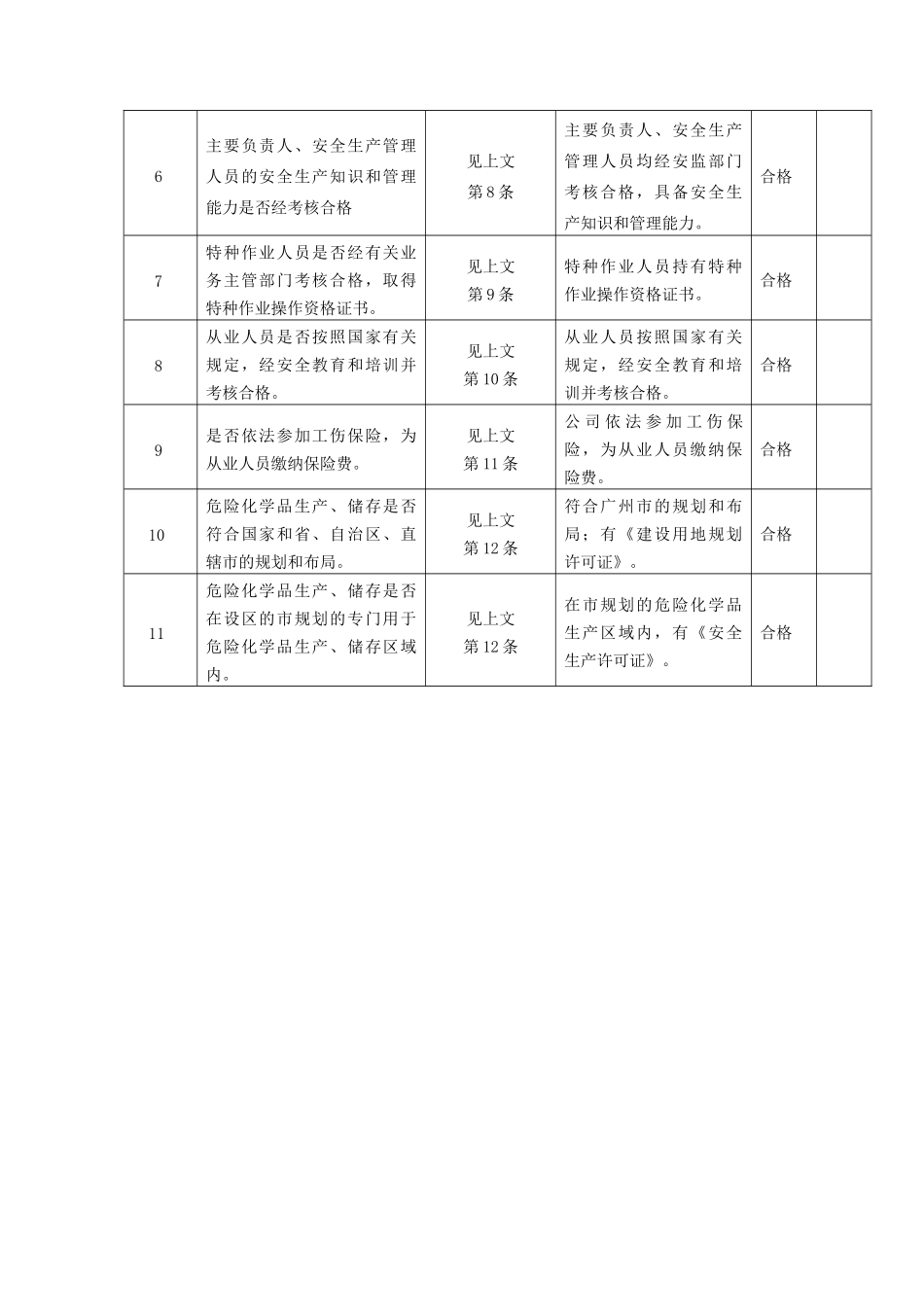
危险化学品生产单位安全检查表表8.2-1危险化学品生产企业安全生产条件检查表项目序号检查内容依据实际情况检查结果备注1是否建立、健全主要负责人、分管负责人、安全生产管理人员、职能部门、岗位安全生产责任制。《危险化学品生产企业安全生产许可证实施办法》第5条已建立主要负责人、分管负责人、安全生产管理人员、职能部门、岗位安全生产责任制。合格2是否制定从业人员的安全教育、培训、劳动防护设施、安全设施、设备、作业场所防火、防毒、防爆和职业卫生、安全检查、隐患整改、事故管理、安全生产奖惩等规章制度。见上文第5条制定有从业人员的安全教育、培训、劳动防护设施、安全设施、设备、作业场所防火、防毒、防爆和职业卫生、安全检查、隐患整改、事故管理、安全生产奖惩等规章制度。合格3是否根据危险化学品的生产工艺、技术、设备特点和原材料、辅助材料、产品的危险性编制岗位操作安全规程(安全操作法)和制定符合有关标准规定的作业安全规程。见上文第5条编制有各岗位操作安全规程和作业操作规程。合格4安全投入是否符合安全生产要求。见上文第6条安全投入主要用于安全设施、消防、防雷、劳动防护用品、安全培训等,年投入符合安全要求。合格5是否设置安全生产管理机构和配备专职安全生产管理人员。见上文第7条设置有安全生产管理机构,配备有专职安全生产管理人员。合格6主要负责人、安全生产管理人员的安全生产知识和管理能力是否经考核合格见上文第8条主要负责人、安全生产管理人员均经安监部门考核合格,具备安全生产知识和管理能力。合格7特种作业人员是否经有关业务主管部门考核合格,取得特种作业操作资格证书。见上文第9条特种作业人员持有特种作业操作资格证书。合格8从业人员是否按照国家有关规定,经安全教育和培训并考核合格。见上文第10条从业人员按照国家有关规定,经安全教育和培训并考核合格。合格9是否依法参加工伤保险,为从业人员缴纳保险费。见上文第11条公司依法参加工伤保险,为从业人员缴纳保险费。合格10危险化学品生产、储存是否符合国家和省、自治区、直辖市的规划和布局。见上文第12条符合广州市的规划和布局;有《建设用地规划许可证》。合格11危险化学品生产、储存是否在设区的市规划的专门用于危险化学品生产、储存区域内。见上文第12条在市规划的危险化学品生产区域内,有《安全生产许可证》。合格12危险化学品生产装置和储存危险化学品数量构成重大危险源的储存设施,与下列场所、区域的距离是否符合有关法律、法规、规章和标准规定:(1)居民区、商业中心、公园等人口密集区域;(2)学校、医院、影剧院、体育场(馆)等公共设施;(3)供水水源、水厂及水源保护区;(4)车站、码头(按照国家规定,经批准专门从事危险化学品装卸作业的除外)、机场以及公路、铁路、水路交通干线、地铁风亭及出入口;(5)基本农田保护区、畜牧区、渔业水域和种子、种畜、水产苗种生产基地;(6)河流、湖泊、风景名胜区和自然保护区;(7)军事禁区、军事管理区;(8)法律、行政法规规定予以保护的其他区域。见上文第12条未构成重大危险源,其与周边安全防护距离符合(1)~(8)点的要求。合格13厂房、作业场所和安全设施、设备、工艺是否符合有关法律、法规、规章和标准的规定。见上文第12条控制室、制氢装置区、空分区、罐区和安全设施、设备、工艺符合规定。合格14是否采用和使用国家明令淘汰、禁止使用的工艺、设备。见上文第12条没有使用国家明令淘汰、禁止使用的工艺、设备。合格15生产、储存危险化学品的厂房、仓库是否与员工宿舍在同一座建筑物内,且与员工宿舍是否保持符合规定的安全距离。见上文第12条无生产厂房、仓库。制氢装置、空分装置、罐区皆为露天设置。合格16危险化学品生产装置和储存设施的周边防护距离是否符合有关法律、法规、规章和标准的规定。见上文第12条制氢装置、空分装置、罐区与周边防护距离符合有关标准的规定。合格17进行消防设计的建筑工程是否经过公安消防机构验收合格。见上文第12条有消防验收意见书合格18有无相应的职业危害防护设施和为从业人员配备符合有关国家标准或者行业标准规定的劳动防护用品...

1、当您付费下载文档后,您只拥有了使用权限,并不意味着购买了版权,文档只能用于自身使用,不得用于其他商业用途(如 [转卖]进行直接盈利或[编辑后售卖]进行间接盈利)。
2、本站所有内容均由合作方或网友上传,本站不对文档的完整性、权威性及其观点立场正确性做任何保证或承诺!文档内容仅供研究参考,付费前请自行鉴别。
3、如文档内容存在违规,或者侵犯商业秘密、侵犯著作权等,请点击“违规举报”。

碎片内容

危化生产检查表2

您可能关注的文档

确认删除?
VIP
微信客服
  • 扫码咨询
会员Q群
  • 会员专属群点击这里加入QQ群
客服邮箱
回到顶部