电脑桌面
添加小米粒文库到电脑桌面
安装后可以在桌面快捷访问

血液透析浓缩液生产工艺关键控制点日检查表VIP免费

血液透析浓缩液生产工艺关键控制点日检查表_第1页
1/7
血液透析浓缩液生产工艺关键控制点日检查表_第2页
2/7
血液透析浓缩液生产工艺关键控制点日检查表_第3页
3/7
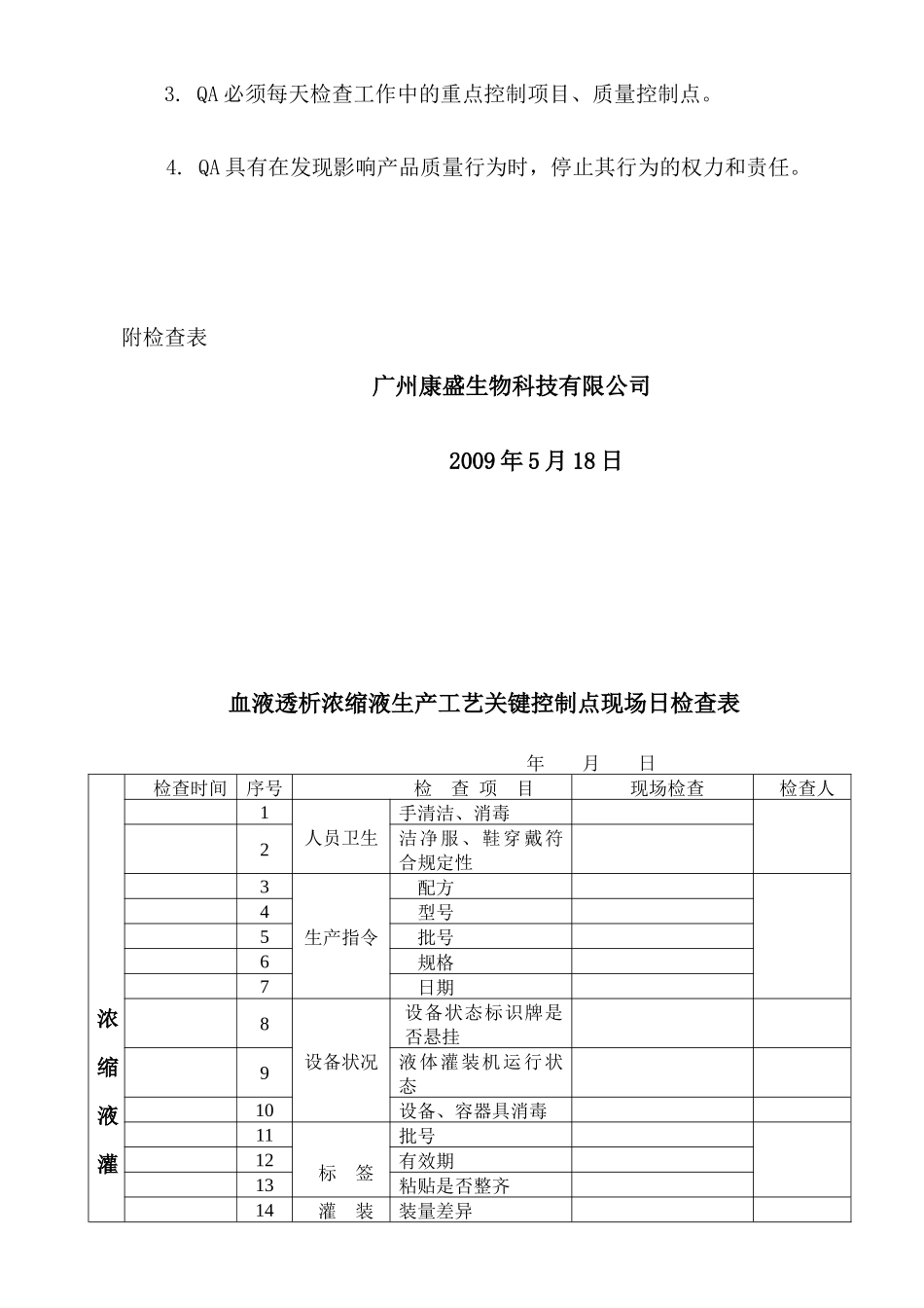
通知为了加强生产的质量控制,公司决定成立QA小组,由各岗位负责人担任,人员如下:组长:过晓玲副组长:李健成员:叶立霞姚孝成赵德武陈永红杨燕萍何述敏附:QA的工作任务1.QA对生产区域,对原始记录的正确性、及时性、完整性以及对影响产品质量的重点操作,作重点检查。2.QA负责或协助所有物料的取样。3.QA必须每天检查工作中的重点控制项目、质量控制点。4.QA具有在发现影响产品质量行为时,停止其行为的权力和责任。附检查表广州康盛生物科技有限公司2009年5月18日血液透析浓缩液生产工艺关键控制点现场日检查表年月日浓缩液灌检查时间序号检查项目现场检查检查人1人员卫生手清洁、消毒2洁净服、鞋穿戴符合规定性3生产指令配方4型号5批号6规格7日期8设备状况设备状态标识牌是否悬挂9液体灌装机运行状态10设备、容器具消毒11标签批号12有效期13粘贴是否整齐14灌装装量差异装15记录生产批记录内容是否完整、有无签名16设备使用记录填写符合规定性17卫生清洁台面、地面18墙壁19门窗20设备浓缩液配制21生产指令配方22型号23批号24规格25日期26生产状况生产状态标示牌27滤芯是否正常28臭氧浓度是否正常29称量有无人复核30生产记录内容是否完整、有无签名31卫生清洁台面、地面32墙壁33设备审核人:日期:血液透析B干粉生产工艺关键控制点现场日检查表年月日血液透析B干粉检查时间序号检查项目现场检查检查人1人员卫生手清洁、消毒2洁净服、鞋穿戴符合规定性3生产指令配方4型号5批号6规格7日期8生产状况生产状态标示牌9设备状况设备状态标识牌是否悬挂10超声波焊接机运行状况11电子天平运行状况内包装12热封口机运行状况13铝薄封口机运行状况14称量重量差异检查情况15过滤器检查过滤片安装情况16检查接头过滤器安装情况17检查微孔过滤器安装情况18密封性检查超声波封口情况19检查热封口情况20记录生产批记录内容是否完整、有无签名21设备使用记录填写符合规定性22卫生清洁台面、地面23墙壁24门窗25设备26容器具审核人:日期:血液透析B干粉生产工艺关键控制点现场日检查表年月日血液透析B干检查时间序号检查项目现场检查检查人1生产指令配方2型号3批号4规格5日期6设备状况设备状态标识牌是否悬挂7激光喷码机运行状况8脚踏封口机运行状况9空气压缩机运行状况10批号产品外包装11包装箱12有效期产品外包装13包装箱粉外包装14记录生产批记录内容是否完整、有无签名15设备使用记录填写符合规定性16卫生清洁台面17设备审核人:日期:血液透析干粉生产工艺关键控制点现场日检查表年月日血液透析干检查时间序号检查项目现场检查检查人1人员卫生手清洁、消毒2洁净服、鞋穿戴符合规定性3生产指令配方4型号5批号6规格7日期8生产状况生产状态标示牌9设备状况设备状态标识牌是否悬挂10填充机运行状况粉内包装11电子天平运行状况12封口机运行状况13电子秤运行状况14V型混合机运行状态15粉碎机运行16抽检混合盐17原料(NaCl、NaHCO3等)18成品A干粉19B干粉20产品标识混合盐混合车间21内包间22记录生产批记录内容是否完整、有无签名23设备使用记录填写符合规定性24卫生清洁台面、地面25墙壁26门窗27设备28容器具审核人:日期:血液透析干粉生产工艺关键控制点现场日检查表年月日血液透析干检查时间序号检查项目现场检查检查人1生产指令配方2型号3批号4规格5日期6生产状况生产状态标示牌7设备状况设备状态标识牌是否悬挂8封口机运行状况9电子秤运行状况粉外包装10标签批号外包装袋11包装箱12有效期外包装袋13包装箱14粘贴是否整齐15重量每袋重量理论重量16实际重量17每箱重量理论重量18实际重量19记录生产批记录内容是否完整、有无签名20设备使用记录填写符合规定性21卫生清洁台面22设备审核人:日期:

1、当您付费下载文档后,您只拥有了使用权限,并不意味着购买了版权,文档只能用于自身使用,不得用于其他商业用途(如 [转卖]进行直接盈利或[编辑后售卖]进行间接盈利)。
2、本站所有内容均由合作方或网友上传,本站不对文档的完整性、权威性及其观点立场正确性做任何保证或承诺!文档内容仅供研究参考,付费前请自行鉴别。
3、如文档内容存在违规,或者侵犯商业秘密、侵犯著作权等,请点击“违规举报”。

碎片内容

血液透析浓缩液生产工艺关键控制点日检查表

您可能关注的文档

确认删除?
VIP
微信客服
  • 扫码咨询
会员Q群
  • 会员专属群点击这里加入QQ群
客服邮箱
回到顶部