电脑桌面
添加小米粒文库到电脑桌面
安装后可以在桌面快捷访问

试验仪器设备校验记录word版VIP免费

试验仪器设备校验记录word版_第1页
1/49
试验仪器设备校验记录word版_第2页
2/49
试验仪器设备校验记录word版_第3页
3/49
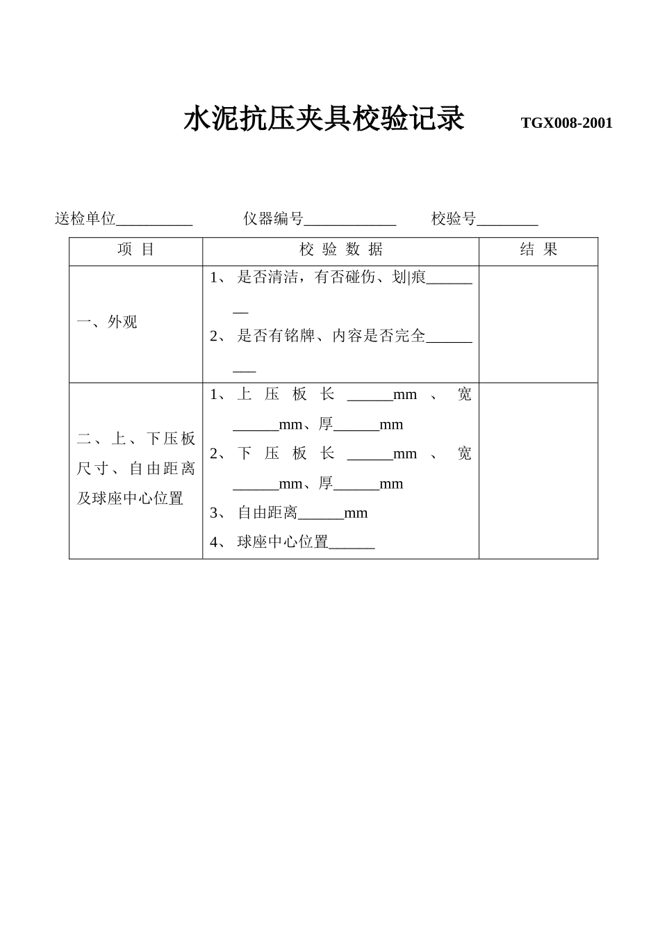
水泥抗压夹具校验记录TGX008-2001送检单位__________仪器编号____________校验号________项目校验数据结果一、外观1、是否清洁,有否碰伤、划|痕________2、是否有铭牌、内容是否完全_________二、上、下压板尺寸、自由距离及球座中心位置1、上压板长______mm、宽______mm、厚______mm2、下压板长______mm、宽______mm、厚______mm3、自由距离______mm4、球座中心位置______校验结论:校验员________核验员________校验日期年月日金属线材反复弯曲试验机校验记录TGX055-2001送检单位____________仪器编号___________校验号__________项目校验数据结果一、外观1、表面描述_________2、摇把摆动是否灵活_______3、钳口、钢丝眼装卸是否方便_______4、顶紧螺栓、顶丝是否好用_________二、尺寸1、钳口块尺寸:长_____mm、宽_____mm、高_____mm2、钢丝眼内径1____mm、2_____mm、3_____mm、4_____mm、5_____mm3、钳口块上端半径:1____mm、2____mm、3____mm校验结论:校验员_______核验员________校验日期年月日钢筋冷弯弯心校验记录TGX056-2001送检单位__________仪器编号__________校验号_________项目校验数据结果一、外观外观描述________二、尺寸1、弯心长度______2、弯心直径()校验结论:校验员________核验员_______校验日期年月日校(检)验证书_______字第_______号仪器名称_______________________________________________型号_______________________________________________制造厂_______________________________________________出厂编号_______________________________________________送校(检)单位____________________________________________校(检)验结论____________________________________________校(检)验日期年月日校(检)验周期有效日期年月日至年月日校(检)验员核验员技术负责人校(检)验单位(章)石料冲击韧度试验机校验记录TGX030-2001送检单位__________仪器编号_________校验号_________项目校验数据结果外观检查1、加油孔是否加油________2、电机运转方向_________3、撞锤与链条是否自动脱开__________撞锤1、每次升高_______cm2、撞击次数_______次校验结论:校验员________核验员________校验日期年月日圆盘耐磨试验机记录TGX031-2001送检单位__________仪器编号_________校验号__________项目校验数据结果外观转动状况转速与自控1、转动_____圈后自动停机2、转动后_______min____s自动停机3、转速:(1)______r/min(2)______r/min平均值______r/min校验结论:校验员__________核验员_________校验日期年月日道碴筛校验记录TGX032-2001送检单位_________仪器编号__________校验号_________项目校验数据结果外观1、表面是否光洁2、是否有铭牌、合格证________3、筛框与筛网连接情况____________,网情况_______4、筛框内径______mm网孔尺寸(mm)WXYZDWXYXD635563.15452.5401.735.51250.5200.25160.18100.1257.10.1校验结论:校验员_________核验员________校验日期年月日道碴集料压碎率试模校验记录TGX033-2001送检单位________仪器编号________校验号_________项目校验数据结果外观1、外壁是否光滑、镀铬_________2、内壁情况________3、顶面与底面是否平行_________4、顶面、底面与轴线是否垂直________5、焊缝是否打磨光滑、平整_______尺寸1、圆筒内径1_____mm2____mm平均_____mm2、圆筒外径1_____mm2____mm平均_____mm3、圆筒高1_____mm2____mm平均_____mm4、底盘内径1_____mm2____mm平均_____mm5、底盘外径1_____mm2____mm平均_____mm6、底盘高1_____mm2____mm平均_____mm7、底盘深1_____mm2____mm平均_____mm8、压头下部直径1_____mm2____mm平均_____mm9、压头上部直径1_____mm2____mm平均_____mm10、压头下部高1_____mm2____mm平均_____mm11、压头上部高1_____mm2____mm平均_____mm12、底盘提手直径_____mm13、压头手把直径_____mm14、头手把全长_____mm校验结论:校验员________核验员________校验日期年月日道碴标准集料压碎率试模校验记录TGX033-2001送检单位________仪器编号________校验号_________项目校验数据结果外观1、外壁是否...

1、当您付费下载文档后,您只拥有了使用权限,并不意味着购买了版权,文档只能用于自身使用,不得用于其他商业用途(如 [转卖]进行直接盈利或[编辑后售卖]进行间接盈利)。
2、本站所有内容均由合作方或网友上传,本站不对文档的完整性、权威性及其观点立场正确性做任何保证或承诺!文档内容仅供研究参考,付费前请自行鉴别。
3、如文档内容存在违规,或者侵犯商业秘密、侵犯著作权等,请点击“违规举报”。

碎片内容

试验仪器设备校验记录word版

您可能关注的文档

确认删除?
VIP
微信客服
  • 扫码咨询
会员Q群
  • 会员专属群点击这里加入QQ群
客服邮箱
回到顶部