电脑桌面
添加小米粒文库到电脑桌面
安装后可以在桌面快捷访问

生产设备管理规定VIP免费

生产设备管理规定_第1页
1/6
生产设备管理规定_第2页
2/6
生产设备管理规定_第3页
3/6
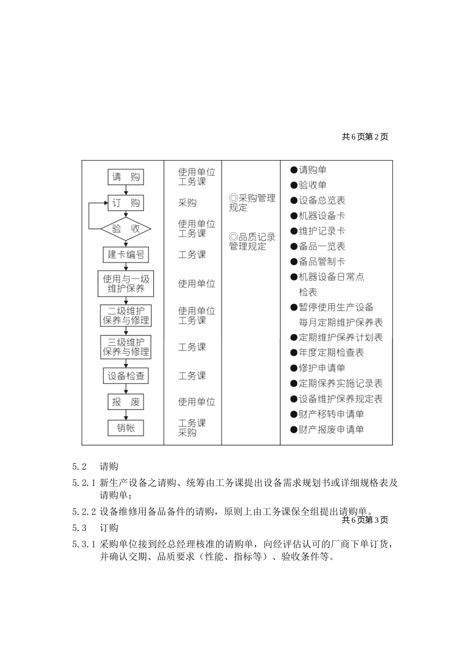
1.制定目的为使整个生产系统及特定设备,保持有效运作之状态。2.适用范围2.1与生产有直(间)接关系之设备、及其附带设施;2.2其它有关用水、电力、空压机等设备。3.名词定义(无)4.权责规定如作业流程之权责范围。5.作业规定5.1作业流程图共6页第1页5.2请购5.2.1新生产设备之请购、统筹由工务课提出设备需求规划书或详细规格表及请购单;5.2.2设备维修用备品备件的请购,原则上由工务课保全组提出请购单。5.3订购5.3.1采购单位接到经总经理核准的请购单,向经评估认可的厂商下单订货,并确认交期、品质要求(性能、指标等)、验收条件等。共6页第2页共6页第3页5.4进厂验收5.4.1供应厂商设备进厂后,由工务课点收后先依设备需求规划书内验收规定或以规格表逐项检查,并会同使用单位试车,合格后工务课、使用单位会签收货。5.4.2进厂验收经试车不合格者,由工务课通知供应厂商处理。5.5建卡编号5.5.1设备验收完成,工务课将资料编入“设备总览表”内,并建立“机器设备卡”及“维护记录卡”存档。5.6使用与一级维护保养5.6.1使用单位负责设备之使用与一级维护保养;5.6.2使用单位负责“机器设备日常点检表”内之规定项目的执行与记录;5.6.3一级维护保养系指设备之日常点检、清扫、加油、消耗品之更换及简易零件之修理;5.6.4消耗品之更换与简易零件之修理,由使用单位登录于“机器设备日常点检表”影印一份送工务课核定后始能生效。5.7二级维护保养与修理5.7.1工务课负责设备之二级维护保养与修理,并记录之;5.7.2工务课每年订定“定期维护保养计划表”,依计划做定期保养并记录于“定期保养实施记录”;5.7.3二级维护保养另于设备重点部位依“年度定期检查表”做点检;5.7.4二级修理系指现场无法自行更换且需专门技术才能恢复机器使用性能,由制造课提出“维护申请单”,请求修理。5.8三级维护保养与修理5.8.1三级维护保养与修理系指要委送厂外做精度检查或保养修理;5.8.2三级维护保养与修理由工务课提出请购单,经核准后送修,并记录之;5.8.3工务课根据核准的请购单,将设备送修或委请厂商至厂内做保养修理。5.9预防保养共6页第4页5.9.1预防保养系统日常有:①日常保养:如加油点检、调整、清扫等;②巡回点检:保全组的点检;③定期整备:调整、换油、零件交换等;④预防修理:异常发现之修理;⑤更新修理:劣化回复之修理。5.9.2按“定期维护保养计划表”做定期维护保养,并制定“设备维护保养规定表”。5.9.3主要的生产设备,如更换零件应随时有备品可使用,工务课应对设备易耗品、易损件且采购困难、金额不高者,建立备品库存,除登录于“备品一览表”外,并需以“备品管制卡”管理备品之安全存量,以做为领用及入库之记录,另于每次更换时需以“保养记录卡”记录,而安全存量设定原则,乃以零件采购周期日常等因素而定。5.10暂停使用或停止使用生产设备之维护保养5.10.1暂停使用或停止使用的生产设备,由设备使用单位挂上“本机暂停使用”或“本机停止使用”之标示牌。①暂停使用一个月以上的生产设备依“暂停使用生产设备每月定期维护保养表”,每月由工务课保全组点检一次,作为维护记录,确保生产设备随时可供使用;②停止使用的生产设备,使用单位可依设备实际状况,提出检讨后呈报上级,是否可移作它用、出售或报废。5.11设备检查5.11.1检查区分:日常点检、月点检及年度检查:①工务课视设备的重要度及安全性需要,于定期维护保养计划中,订定日、月或年之保养周期;②工务课视设备保养检查项目需要,建立日、月、年共同检查项目的“设备维护保养规定表”。5.11.2检查表单的建立:检查项目依照“设备维护保规定表”填入。共6页第5页①“机器设备日常点检表”由设备使用单位建立;②“月点检表”、“年度定期检查表”由工务课建立。5.11.3检查实施①日常点检的实施,由操作者每日作业前依照机器设备日常点检表之检查项目,实施点检并记录;②月点检的实施,由工务课保全组于每月初依照月点检表之检查项目,实施点检并记录于“月点检表”;③年度检查的实施,由工务课依定期维护保养计划表排定日程及年度定期检查表的检查项目,实施点检并记录于“年度定期检查表”...

1、当您付费下载文档后,您只拥有了使用权限,并不意味着购买了版权,文档只能用于自身使用,不得用于其他商业用途(如 [转卖]进行直接盈利或[编辑后售卖]进行间接盈利)。
2、本站所有内容均由合作方或网友上传,本站不对文档的完整性、权威性及其观点立场正确性做任何保证或承诺!文档内容仅供研究参考,付费前请自行鉴别。
3、如文档内容存在违规,或者侵犯商业秘密、侵犯著作权等,请点击“违规举报”。

碎片内容

生产设备管理规定

您可能关注的文档

确认删除?
VIP
微信客服
  • 扫码咨询
会员Q群
  • 会员专属群点击这里加入QQ群
客服邮箱
回到顶部