电脑桌面
添加小米粒文库到电脑桌面
安装后可以在桌面快捷访问

制定生产计划常用方法()VIP免费

制定生产计划常用方法()_第1页
1/8
制定生产计划常用方法()_第2页
2/8
制定生产计划常用方法()_第3页
3/8
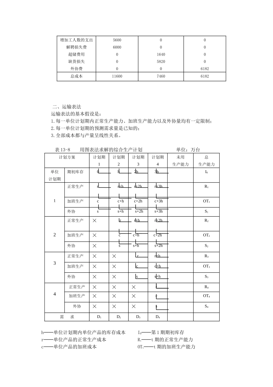
制定生产计划的常用方法一、图表法[例13-1]已知H公司1999年上半年(为简化,只考虑上半年)满足需求量的生产安排,见表13-5。为实现此进度安排,拟采用三种不同的综合生产计划方案。表13-5H公司1999年上半年生产进度安排单位:台序号项目名称1月2月3月4月5月6月12345678期初库存量预测需求量累计需求量保险储备量生产需要量(2)+(4)-(1)累计生产量有效工作日(天)累计工作日(天)400180018004501850185025254501500330037514253275224737511004400275100042752471275900530022585051252495225110064002751150627525120275170081004251850812523143*保险储备量=1/4预测需求量有关成本数据补充如下:生产成本=100元/件;存储费用=每月生产成本的1.5%(即每月每件1.5元);标准工资率=每小时4元;加班费=标准工资的150%或每小时6元;缺货损失=5元/件;外协比自制昂贵而增加的费用=每件产品2元;招聘和培训费=每人200元;提前解聘损失费=每人250元;每件产品所需工时=5小时。方案1的策略:在正常工作班次下,通过增减生产工人来生产出确切的需要量。方案2的策略:固定生产工人数,工人数按6个月的平均产量来确定((8125件×5小时/件)/(143天×8小时/天)=36人);允许库存发生短缺,通过下月的生产来补足。方案3的策略:按生产需要量(计划量)最低的4月份来确定所需工人数,并稳定在4月份这个水平上((850件×6月×5小时/件)/(143天×8小时/天)=22人;产量低于需求量部分通过外协来解决。计划方案见表13-6方案1:11600元方案2:7460元方案3:6182元表13-6三种方案的计算序号月份(1)计划产量(2)所需工时(1)×5(3)每人每月工时数(天数×8)(4)所需工人数(2)/(3)(5)增加工人数(6)增加工人的支出(7)减少工人数(8)解聘损失费方案11234561850142510008501150185092507125500042505750925020017619219220018446402622295000007210000140042000614400015003500100000合计56006000月份(1)累计计划产量(2)有效生产工时(3)能力产量(4)累计能力产量(5)不足的产量(6)缺货损失(7)过剩产量(8)库存费用方案212345618503275427551256275812572006336691269127200662414401267138213821440132514402707408954716911823641056818620502840930346636111519954167合计58201640月份(1)计划产量(2)有效生产工时(3)能力产量(4)外协数量(5)外协费用方案3123456185014251000850115018504400387242244224440040488807748458458808109706511555270104019401302310105402080合计81256182表13-7三种方案的比较费用变化方案1方案2方案3变动工人数,生产确切的需要量固定工人数,变动库存量,允许缺货保持最低限度人数,不足量外协增加工人数的支出解聘损失费超储费用缺货损失外协费560060000000016405820000006182总成本1160074606182二、运输表法运输表法的基本假设是:1.每一单位计划期内正常生产能力、加班生产能力以及外协量均有一定限制;2.每一单位计划期的预测需求量是已知的;3.全部成本都与产量呈线性关系。表13-8用图表法求解的综合生产计划单位:万台计划方案计划期1计划期2计划期3计划期4未用生产能力总生产能力单位计划期期初库存0h2h3hI01正常生产rr+hr+2hr+3hR1加班生产cc+hc+2hc+3hOT1外协ss+hs+2hs+3hS12正常生产×rr+hr+2hR2加班生产×cc+hc+2hOT2外协×ss+hs+2hS23正常生产××rr+hR3加班生产××cc+hOT3外协××ss+hS34正常生产×××rR4加班生产×××cOT4外协×××sS4需求D1D2D3D4h──单位计划期内单位产品的库存成本I0──第1期期初库存r──单位产品的正常生产成本Rt──t期的正常生产能力c──单位产品的加班成本OTt──t期的加班生产能力S──单位产品的外协成本St──t期的外协生产能力Dt──t期的预测需求量[例13-2]M公司生产某种产品,该产品的需求具有波动性,其需求预测和有关成本数据如表13-9所示。该公司现在打算根据表13-9和表13-11所列的生产能力计划来制定综合生产计划,公司现有库存为250万台。按照公司的经营方针,希望期末库存为300万台,且不允许任务积压和库存缺货。表13-9各期的需求预测值单位:万台季度1季度2季度3季...

1、当您付费下载文档后,您只拥有了使用权限,并不意味着购买了版权,文档只能用于自身使用,不得用于其他商业用途(如 [转卖]进行直接盈利或[编辑后售卖]进行间接盈利)。
2、本站所有内容均由合作方或网友上传,本站不对文档的完整性、权威性及其观点立场正确性做任何保证或承诺!文档内容仅供研究参考,付费前请自行鉴别。
3、如文档内容存在违规,或者侵犯商业秘密、侵犯著作权等,请点击“违规举报”。

碎片内容

制定生产计划常用方法()

黄金书屋+ 关注
实名认证
内容提供者

爱好英语教学和互联网行业,热爱教育事业,兢兢业业

确认删除?
VIP
微信客服
  • 扫码咨询
会员Q群
  • 会员专属群点击这里加入QQ群
客服邮箱
回到顶部