电脑桌面
添加小米粒文库到电脑桌面
安装后可以在桌面快捷访问

中石油万吨年PTA项目环境影响报告书VIP免费

中石油万吨年PTA项目环境影响报告书_第1页
1/85
中石油万吨年PTA项目环境影响报告书_第2页
2/85
中石油万吨年PTA项目环境影响报告书_第3页
3/85
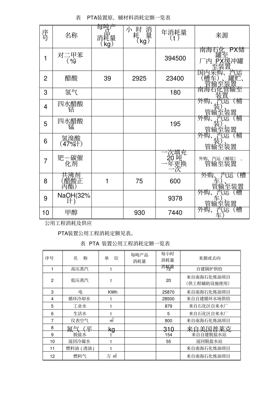
目录1项目简介.......................................................12环境空气质量现状及评价........................................283环境影响预测..................................................294环境风险评价..................................................315工程环保措施评述..............................................496污染物和污水排放总量控制......................................637公众参与......................................................668评价结论及建议................................................691项目简介项目名称:中海石油炼化有限责任公司60万吨/年PTA项目项目性质:新建项目类别:石油化工建设单位:中海石油炼化有限责任公司(简称中油炼化)拟选厂址:广东惠州大亚湾经济技术开发区内的石化区项目投资:项目总筹资283326万元占地面积:273708m2工程进度:2008年项目组成本项目采用INVISTA(原Dupont)公司的专利技术建设年产60万吨/年精对苯二甲酸(PTA)生产装置,装置界区内包括主体装置和辅助工程。项目与建设所在地的规划相容性按《大亚湾经济技术开发区总规修编》定位要求,大亚湾开发区将发展成为以乙烯、炼油、化工、汽车、机械、电子等工业为主体,重点发展化工、精细化工、汽车、机械、电子和其它高新技术及旅游业的滨海工业城市。大亚湾开发区总辖陆地面积268平方公里。按开发区总体规划,开发区将以海港为轴心,以澳头至淡澳盆地和澳头至霞涌为两条发展轴线,以一个中区,二个大工业区,二个旅游区的格局布设,总使用面积约,人口发展规模35万。大亚湾石化工业区依山傍海位于大亚湾开发区的东部,以南海石化项目场地为中心向东西两翼延伸。整个石化区面积为平方公里,其中平方公里为中海壳牌年产80万吨乙烯项目和1200万吨炼油项目用地。下游产品加工主要布置在中海壳牌项目场地的周边。大亚湾石化工业园规划是依托中海壳牌和千万吨炼油项目,带动如乙烯深加工、碳四馏分深加工等一批中下游及相关产业的兴起。再10年左右的时间里最终形成总投资达1200亿元,年产值达1600亿元,年利税合计达300亿元以上的世界一流的大型现代化石化基地。项目工艺技术概况建设规模及产品方案本工程产品(精对苯二甲酸)公称规模为60万t/a,小时产能75吨。主要原料消耗及供应PTA装置原、辅材料消耗定额见表。表PTA装置原、辅材料消耗定额一览表序号名称每吨产品消耗量(kg)小时消耗量(kg)年消耗量(t)来源1对二甲苯(%)394500南海石化PX储罐至厂内PX缓冲罐至装置2醋酸39292523400国内采购、汽运(槽车)、罐贮、管输至装置3氢气180南海石化管输至装置4四水醋酸钴外购、汽运(桶装)、管输至装置5四水醋酸锰195外购、汽运(桶装)、管输至装置6氢溴酸(47%计)外购、汽运(桶装)、管输至装置7钯-碳催化剂一次填充20吨一年更换一次外购、汽运(桶装)、管输至装置8共沸剂(醋酸正丙酯)175600外购、汽运(槽车)、管输至装置9NaOH(32%计)9378外购、汽运(槽车)、管输至装置10甲醇9307440外购、汽运(槽车)公用工程消耗及供应PTA装置公用工程消耗定额见表。表PTA装置公用工程消耗定额一览表序号名称单位每吨产品消耗量每小时消耗量消耗量来源或去向1高压蒸汽t72自建锅炉供给2低压蒸汽t20来自南海石化炼油项目(供工程辅助设施使用)3电KWh25870来自南海石化炼油项目4循环冷却水t28500来自自建循环水场供给5工业水t879来自石化区自来水厂6生活水t5来自石化区自来水厂7仪表空气m3800来自南海石化炼油项目8氮气(平kg310来自美国普莱克9脱盐水t154来自自建脱盐水站10返回冷凝水t55返回脱盐水站11燃料油(渣油)t来自南海石化炼油项目12燃料气万m3来自南海石化炼油项目主要工艺技术特点年产60万吨PTA项目是目前国际上成熟的单系列生产装置,采用DUPONT公司的专利技术,建设方式为引进PTA专利技术和基础设计,由国内工程建设公司承担项目详细设计。生产工艺及污染因素分析生产工艺原理精对苯二甲酸(PTA)以对二甲苯(PX)为原料,在醋酸溶剂中以醋酸钴和醋酸锰为催化剂,以溴化氢为促进剂,用空气将PX氧化成粗对苯二甲酸...

1、当您付费下载文档后,您只拥有了使用权限,并不意味着购买了版权,文档只能用于自身使用,不得用于其他商业用途(如 [转卖]进行直接盈利或[编辑后售卖]进行间接盈利)。
2、本站所有内容均由合作方或网友上传,本站不对文档的完整性、权威性及其观点立场正确性做任何保证或承诺!文档内容仅供研究参考,付费前请自行鉴别。
3、如文档内容存在违规,或者侵犯商业秘密、侵犯著作权等,请点击“违规举报”。

碎片内容

中石油万吨年PTA项目环境影响报告书

您可能关注的文档

确认删除?
VIP
微信客服
  • 扫码咨询
会员Q群
  • 会员专属群点击这里加入QQ群
客服邮箱
回到顶部