电脑桌面
添加小米粒文库到电脑桌面
安装后可以在桌面快捷访问

施工管理流程与表格工具(doc 42页)VIP免费

施工管理流程与表格工具(doc 42页)_第1页
1/44
施工管理流程与表格工具(doc 42页)_第2页
2/44
施工管理流程与表格工具(doc 42页)_第3页
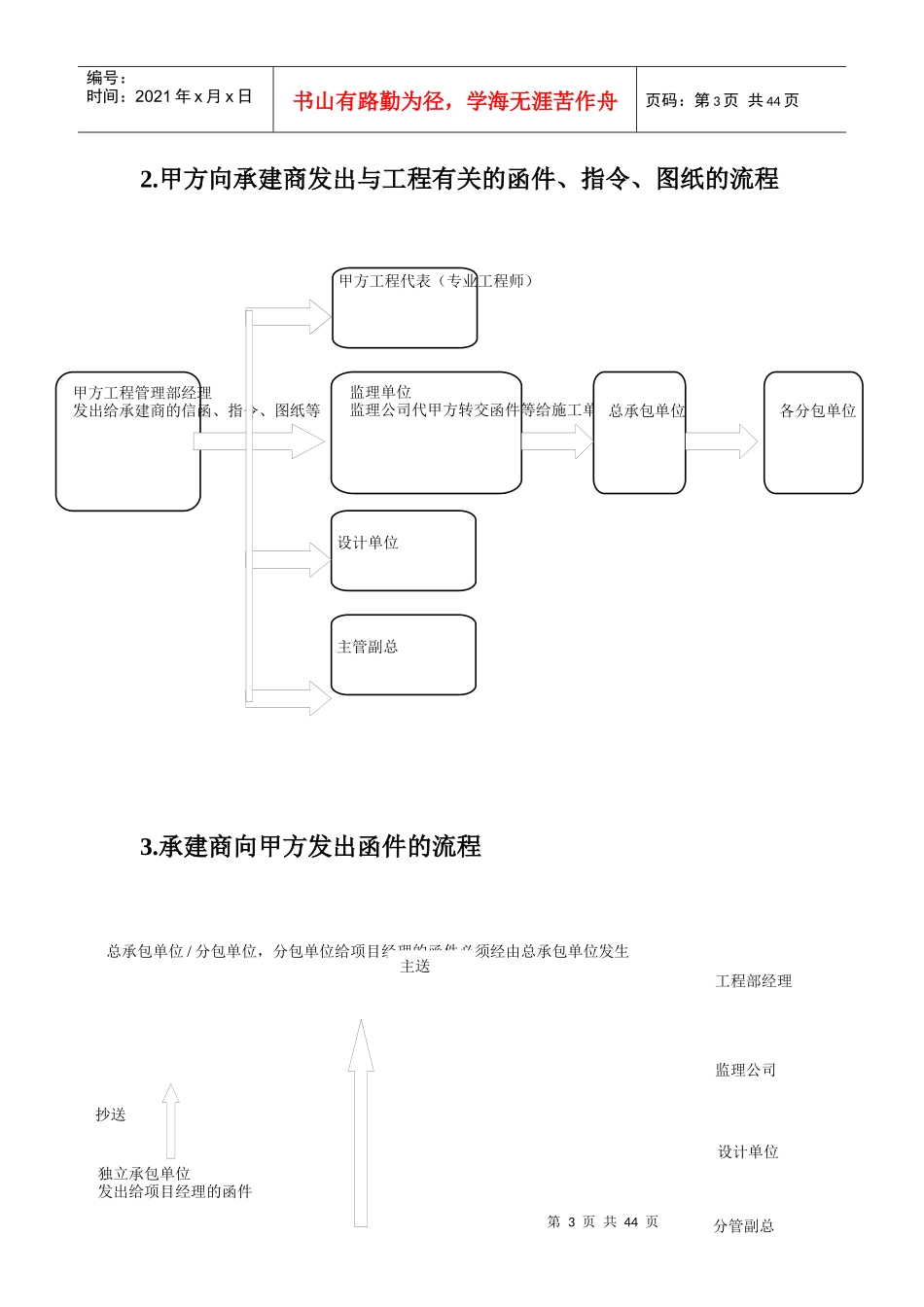
3/44
第1页共44页编号:时间:2021年x月x日书山有路勤为径,学海无涯苦作舟页码:第1页共44页施工管理流程与表格工具1.项目工程管理流程_____________________________________________________________22.甲方向承建商发出与工程有关的函件、指令、图纸的流程___________________________33.承建商向甲方发出函件的流程___________________________________________________34.施工组织设计(方案)报审流程_________________________________________________45.工程开工/复工报审流程________________________________________________________56.要求项目指令单审批流程_______________________________________________________67.监理工程师通知单及回复流程___________________________________________________78.工程暂停令签发流程___________________________________________________________79.工程延期报审流程_____________________________________________________________810.施工组织设计报验申请表______________________________________________________911.施工组织设计(方案)审批表_________________________________________________1012.施工组织设计方案审批记录___________________________________________________1213.工程开工/复工报审表________________________________________________________1314.单位工程开工报告表_________________________________________________________1415.复工申请表_________________________________________________________________1516.监理工程师通知单___________________________________________________________1617.监理工程师通知单回复单_____________________________________________________1718.工程暂停令_________________________________________________________________1919.工程复工令_________________________________________________________________2020.事故报告单_________________________________________________________________2121.进场施工设备报验单_________________________________________________________2222.施工测量放线报验申请表_____________________________________________________2323.混凝土浇灌令_______________________________________________________________2424.工作(序)交接单___________________________________________________________2525.工作联系单_________________________________________________________________2626.要求项目指令单_____________________________________________________________2727.《要求项目指令》单审批表___________________________________________________2828.工程技术咨询单_____________________________________________________________2929.工程临时延期申请表_________________________________________________________3130.工程临时延期要求审批回复单_________________________________________________3231.工程最终延期申请表_________________________________________________________3332.工程最终延期要求回复单_____________________________________________________3433.工程经济签证报审表_________________________________________________________3534.费用索赔申请表_____________________________________________________________3635.费用索赔审批表_____________________________________________________________3736.施工图纸会审与设计交底会议纪要_____________________________________________3837.会议纪要___________________________________________________________________3938.安全文明施工管理奖/罚通知单________________________________________________4039.月统计报量审批表_________________________________________________________41第2页共44页第1页共44页施工组织设计报审工程开工报审测量放线报验工程峻工甲方审批承建商提交每日报告格式甲方项目...

1、当您付费下载文档后,您只拥有了使用权限,并不意味着购买了版权,文档只能用于自身使用,不得用于其他商业用途(如 [转卖]进行直接盈利或[编辑后售卖]进行间接盈利)。
2、本站所有内容均由合作方或网友上传,本站不对文档的完整性、权威性及其观点立场正确性做任何保证或承诺!文档内容仅供研究参考,付费前请自行鉴别。
3、如文档内容存在违规,或者侵犯商业秘密、侵犯著作权等,请点击“违规举报”。

碎片内容

施工管理流程与表格工具(doc 42页)

确认删除?
VIP
微信客服
  • 扫码咨询
会员Q群
  • 会员专属群点击这里加入QQ群
客服邮箱
回到顶部