电脑桌面
添加小米粒文库到电脑桌面
安装后可以在桌面快捷访问

沥青混凝土路面施工技术VIP专享VIP免费

沥青混凝土路面施工技术_第1页
1/59
沥青混凝土路面施工技术_第2页
2/59
沥青混凝土路面施工技术_第3页
3/59
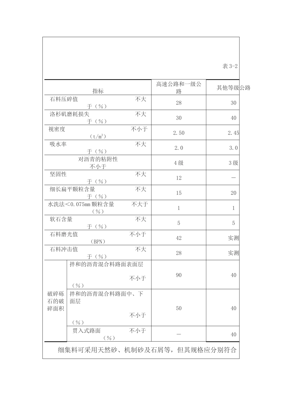
沥青混凝土路面施工技术1、重交通与中轻交通道石油沥青的技术标准有何区别?答:重交通道路石油沥青技术要求如表3-1。表3-1试验项目AH-130AH-110AH-90AH-70AH-50针入度(25℃,100g,5s)(0.1mm)120-140100-12080-10060-8040-60延度(5cm/min,15℃)不小于(cm)10010010010080软化点(环球法)(℃)40-5041-5142-5244-5445-55闪点(COC)()230含蜡量(蒸馏法)不大于(%)3密度(15)(g/cm3)实测记录溶解度(三氯乙烯)不小于(%)99.0薄膜加热试验163℃,5h质量损失不大于(%)1.31.21.00.80.6针入度比不小于(%)4548505558延度(25℃)不小于(cm)7575755040延度(15℃)(cm)实测记录主要区别有:⑴重交通道路石油沥青含蜡量要求不大于3%,而中轻交通道路石油沥青对含蜡量未作要求。⑵延度试验条件的不同,重交通是在5cm/min水温15℃条件下的试验结果,而中轻交通是在5cm/min水温25℃条件下的试验结果。⑶重交通道路石油沥青163℃、5h的薄膜加热试验项目中,有延度控制指标要求,中轻交通蒸发损失试验对延度没有要求。要点:沥青标号有区别重交蜡量有指标延度试验不相同沥青标准应记牢2、用于沥青面层的粗、细集料的质量要求有哪些?答:粗集料应洁净、干燥、无风化、无杂质,具有足够的强度、耐磨耗性。粒径规格应按《公路沥青路面施工技术规范》(JTJ032-94)的规定选用。其质量技术要求如表3-2。表3-2指标高速公路和一级公路其他等级公路石料压碎值不大于(%)2830洛杉矶磨耗损失不大于(%)3040视密度不小于(t/m3)2.502.45吸水率不大于(%)2.03.0对沥青的粘附性不小于4级3级坚固性不大于(%)12-细长扁平颗粒含量不大于(%)1520水洗法<0.075mm颗粒含量不大于(%)11软石含量不大于(%)55石料磨光值不小于(BPN)42实测石料冲击值不大于(%)28实测破碎砾石的破碎面积拌和的沥青混合料路面表面层不小于(%)9040拌和的沥青混合料路面中、下面层不小于(%)5040贯入式路面不小于(%)-40细集料可采用天然砂、机制砂及石屑等,但其规格应分别符合《公路沥青路面施工技术规范》(JTJ032-94)有关规定,并应洁净、干燥、无风化,颗粒组成适当。其质量技术要求应符合表3-3的规定。表3-3指标高速公路和一级公路其化等级公路视密度不小于(t/m3)2.52.45坚固性(>0.3mm部分)不大于(%)12-砂当量不小于(%)6050注:坚固性试验可根据需要进行。砂当量试验有困难时,也可用水洗法测定粒径小于0.075mm颗粒含量,对高速公路和一级公路不大于3%,其他公路不大于5%。要点:主要指标应记牢视密大于二点五压碎小于百二八磨耗不超百三十扁平高限百十五磨光须过四十二细集粒料砂当量下限百分之六十3、沥青混合料为什么要规定使用石灰岩矿粉?对其质量标准有什么要求?答:用石灰岩和白云石磨得到的矿粉最好,均属憎水性的碱性石料。因此,沥青与石灰岩矿粉混合胶结在矿料界面处,将产生较高的握裹粘附强度。矿粉要求干燥、洁净,其质量技术要求见表3-4。表3-4指标高速公路和一级公路其他等级公路视密度不小于(t/m3)2.502.45含水量不大于(%)11粒度范围<0.6mm(%)100100<0.15mm(%)90-10090-100<0.075mm(%)75-10070-100外观无团粒结块亲水系数<1要点:矿粉特性应憎水石杰岩粉属碱性粘结性能它最好粒度范围有限定4、沥青路面使用酸性石料有什么处理方法?答:酸性石料化学成分中以硅、铝等亲水性矿物为主,与沥青粘结性能差,又易受水的影响而造成沥青膜剥离,如花岗岩、花岗斑岩、石英岩、砂岩、片麻岩、角闪岩等等。当粗集料为酸性岩用于高速公路、一级公路时宜采用针入度小的沥青。为保证与沥青的粘附性符合规定要求,应采用下列抗剥离措施:⑴用干燥的磨细消石灰或生石灰、水泥作为填料的一部分,其用量宜为矿料总量的1%~2%。⑵采用浓消石灰水冲洗酸性石料。⑶在沥青中掺用650低分子聚酰胺树脂。⑷在沥青中掺用抗剥落剂。目前在施工中已得到较广泛使用。要点:酸性石料碱处理一用石灰水冲洗也可掺用聚酰胺抗剥落剂效果好经济选用试验定提高粘结达目标5、沥青路面透层油和粘层油的作用是什么?沥青路面透层和粘层材料的品种材料...

1、当您付费下载文档后,您只拥有了使用权限,并不意味着购买了版权,文档只能用于自身使用,不得用于其他商业用途(如 [转卖]进行直接盈利或[编辑后售卖]进行间接盈利)。
2、本站所有内容均由合作方或网友上传,本站不对文档的完整性、权威性及其观点立场正确性做任何保证或承诺!文档内容仅供研究参考,付费前请自行鉴别。
3、如文档内容存在违规,或者侵犯商业秘密、侵犯著作权等,请点击“违规举报”。

碎片内容

沥青混凝土路面施工技术

确认删除?
VIP
微信客服
  • 扫码咨询
会员Q群
  • 会员专属群点击这里加入QQ群
客服邮箱
回到顶部