电脑桌面
添加小米粒文库到电脑桌面
安装后可以在桌面快捷访问

无锡国金中心项目策划VIP免费

无锡国金中心项目策划_第1页
1/45
无锡国金中心项目策划_第2页
2/45
无锡国金中心项目策划_第3页
3/45
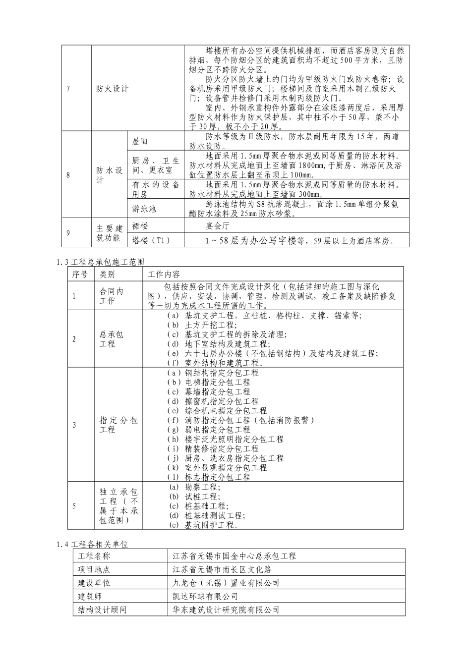
无锡国金中心工程项目策划书编制日期:二〇一一年三月一日1工程概况江苏省无锡市国金中心总承包工程位于无锡市南长区,北临无锡市市民广场及无锡博物院,东与规划茂业城相邻,西与无锡图书馆相邻,北为陈列馆路,南侧为文化路。地处无锡市繁华区域,交通便利。本工程由地下两层停车库(局部夹层)、地上一层裙楼宴会厅(局部夹层)、一幢塔楼T1以及相应的配套设备用房组成。其中地下车库两层,由停车场、机房、设备用房、商业及后勤区域等组成。地下一层设夹层,作为自行车停车库。裙楼地上一层,9.8米,由宴会厅、影音控制室及宴会厅后勤房等组成。主楼为一幢塔楼T1,六十七层,建筑高度339米,由办公、酒店、避难区及设备用房等组成。本工程是集商贸、超高层写字楼及超高层酒店等各种功能于一体的建筑综合体,建成后将成为无锡市乃至江苏省新的地标性建筑。本工程总用地面积为29159.2平方米,分两期开发,本工程为一期。本工程总建筑面积为227786平方米,其中地上189315平方米,地下38471平方米。地下二层高4.3米,为机动车辆停车库及设备用房,兼做战时人员掩护用房,为甲类核5及核6人防,共包含停车位597个。地下一层高8.2米,为自行车停车库,共包含非机动车停车位1977个。T1塔楼包括下部的55层办公楼以及上部的12层酒店客房,其中办公楼的标准层层高为4.3米,酒店客房的标准层层高为4.1米,共包含249个酒店客房。塔楼第10、26、42、58层设有避难层,共计4个避难层,每个避难区面积约800平方米,避难空间总面积达到3133平方米。1.1地下室建筑概况序号项目内容1建筑面积38471平方米2层数两层3建筑分类一类4层高地下二层高4.3米,地下一层高8.2米,其中夹层高4.3米5工程标高相对标高±0.000m相当于绝对标高4.800m6设计使用年限50年7抗震设防烈度6度8防火设计结构耐火等级为一级。地下车库各防火分区面积均不超过4000平方米,地下商业防火分区面积不超过2000平方米,地下其它功能用房各防火分区均不超过1000平方米。9防水设计地下室防水等级为一级,底板和外墙均采用外防水,地下室主体结构为防水混凝土自防水结构,底板底面、顶板及外侧壁均做4mm厚高分子防水卷材。10主要建筑功能地下二层机动车辆停车库、机房、设备用房、商业及后勤区域等,战时兼做避难区。地下一层机动车辆停车库、管理用房、设备机房、后勤用房等。地下一层夹层非机动车辆(自行车)停车库、管理用房、设备机房、后勤用房等。1.2地上建筑部分概况序号项目内容1建筑面积189315平方米2建筑分类一类3设计使用年限50年4抗震设防烈度6度5耐久等级二级6建筑部位层数建筑高度主要层高裙楼(宴会厅)1层(局部有夹层)9.8m9.8m塔楼(T1)67层339m9m、6m、8m、5.4m、4.3m、4.1m7防火设计塔楼所有办公空间提供机械排烟,而酒店客房则为自然排烟,每个防烟分区的建筑面积均不超过500平方米,且防烟分区不跨防火分区。防火分区防火墙上的门均为甲级防火门或防火卷帘;设备机房采用甲级防火门;楼梯间及前室采用木制乙级防火门;设备管井检修门采用木制丙级防火门。室内、外钢承重构件外露部分在涂底漆两度后,采用厚型防火材料作为防火保护层,其中柱不小于50厚,梁不小于30厚,板不小于20厚。8防水设计屋面防水等级为Ⅱ级防水,防水层耐用年限为15年,两道防水设防。厨房、卫生间、更衣室地面采用1.5mm厚聚合物水泥或同等质量的防水材料。防水材料从完成地面上至墙面1800mm,于厨房、淋浴间及浴缸位置防水层上翻至吊顶上100mm。有水的设备用房地面采用1.5mm厚聚合物水泥或同等质量的防水材料。防水材料从完成地面上至墙面300mm。游泳池游泳池结构为S8抗渗混凝土,面涂1.5mm单组分聚氨酯防水涂料及25mm防水砂浆。9主要建筑功能裙楼宴会厅塔楼(T1)1~58层为办公写字楼等,59层以上为酒店客房。1.3工程总承包施工范围序号类别工作内容1合同内工作包括按照合同文件完成设计深化(包括详细的施工图与深化图),供应,安装,协调,管理,检测及调试,竣工备案及缺陷修复等一切为完成本工程所需的工作。2总承包工程(a)基坑支护工程,立柱桩、格构柱、支撑、锚索等;(b)土方开挖工程;(c)基坑支护工程的拆除及清理;(d)地...

1、当您付费下载文档后,您只拥有了使用权限,并不意味着购买了版权,文档只能用于自身使用,不得用于其他商业用途(如 [转卖]进行直接盈利或[编辑后售卖]进行间接盈利)。
2、本站所有内容均由合作方或网友上传,本站不对文档的完整性、权威性及其观点立场正确性做任何保证或承诺!文档内容仅供研究参考,付费前请自行鉴别。
3、如文档内容存在违规,或者侵犯商业秘密、侵犯著作权等,请点击“违规举报”。

碎片内容

无锡国金中心项目策划

确认删除?
VIP
微信客服
  • 扫码咨询
会员Q群
  • 会员专属群点击这里加入QQ群
客服邮箱
回到顶部