电脑桌面
添加小米粒文库到电脑桌面
安装后可以在桌面快捷访问

旅游创意策划工作室招标doc-日照职业技术学院训练中心VIP免费

旅游创意策划工作室招标doc-日照职业技术学院训练中心_第1页
1/6
旅游创意策划工作室招标doc-日照职业技术学院训练中心_第2页
2/6
旅游创意策划工作室招标doc-日照职业技术学院训练中心_第3页
3/6
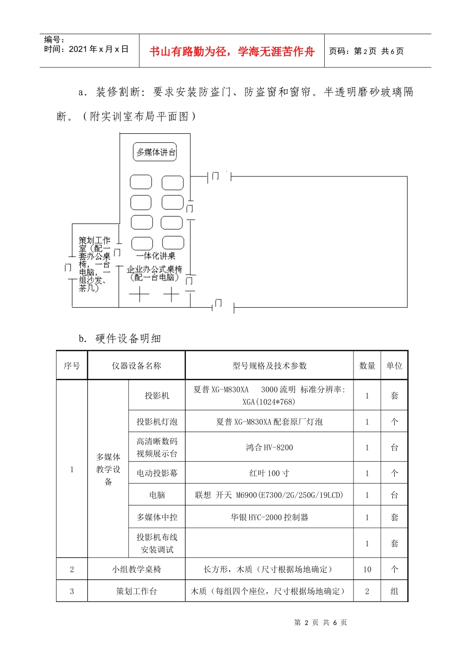
第1页共6页编号:时间:2021年x月x日书山有路勤为径,学海无涯苦作舟页码:第1页共6页日照职业技术学院旅游创意策划工作室招标书一.招标说明1.招标项目:日照职业技术学院旅游创意策划工作室2.招标方式:公开招标3.招标范围和数量:旅游创意策划工作室割断、仪器设备以及网站建设4.对投标单位的资质要求:a.供应商须为中华人民共和国境内注册的独立法人单位,能在国内合法销售和提供采购内容及其相应的服务,同时需具备厂家授权销售委托书。b.在投标和开标时,需单独提交以上材料的原件(正本或副本)以及投标人认为应当提供的其他证明文件。5.产品技术标准及其他要求:(1)设备选择a、设备必须为知名品牌,投标单位所投设备的技术参数应不低于所列技术参数。b、列出详细设备和辅助材料清单及技术参数,所有设备、辅助材料均需符合国家相关行业标准。(2)设备数量和详细技术参数实训室地点:和润楼A304第2页共6页第1页共6页编号:时间:2021年x月x日书山有路勤为径,学海无涯苦作舟页码:第2页共6页a.装修割断:要求安装防盗门、防盗窗和窗帘。半透明磨砂玻璃隔断。(附实训室布局平面图)b.硬件设备明细序号仪器设备名称型号规格及技术参数数量单位1多媒体教学设备投影机夏普XG-M830XA3000流明标准分辨率:XGA(1024*768)1套投影机灯泡夏普XG-M830XA配套原厂灯泡1个高清晰数码视频展示台鸿合HV-82001台电动投影幕红叶100寸1个电脑联想开天M6900(E7300/2G/250G/19LCD)1台多媒体中控华银HYC-2000控制器1套投影机布线安装调试1套2小组教学桌椅长方形,木质(尺寸根据场地确定)10个3策划工作台木质(每组四个座位,尺寸根据场地确定)2组第3页共6页第2页共6页编号:时间:2021年x月x日书山有路勤为径,学海无涯苦作舟页码:第3页共6页4办公桌椅(工作室内用)1600*800*750mm,木质1组5档案橱木质2个6放打印机桌80*50cm,木质1个7交流休息桌椅(谈判桌)木质圆桌,配四把椅子2套8台式电脑联想开天M6900(E7300/2G/250G/19LCD)9台9办公沙发3*1*11组10茶几木质1台11彩色打印一体机三星CLX-3186FN1台12电话机松下KX-T7730CN1台13测距仪量程200米,测距精度小于+/-1.5毫米1台14GPS定位仪麦哲伦MobileMapper61台15地质罗盘仪DQL-7型2台16挂式空调格力,定频,匹数:1p1台c、旅游创意策划工作室网站建设与维护:开发一个对外宣传的网站,具备在线互动、留言、上传资料等功能。6.生产安装期限:所有设备在2010年10月20日之前全部安装调试完成。旅游创意策划工作室网站在2010年10月30日前建设完成。7.投标保证金:为保证投标的严肃性,参加投标的单位需交纳投标保证金2000元。投标保证金的返还:遵守投标规定而未中标的,公开投标结果后即无第4页共6页第3页共6页编号:时间:2021年x月x日书山有路勤为径,学海无涯苦作舟页码:第4页共6页息退还。中标者,投标保证金将自动转为履约保证金,项目采购验收合格后履约保证金无息退还。对违反本次投标规定的单位,投标保证金没收。无论投标过程的做法和结果如何,投标方自行承担所有费用。二.投标报价1.所有投标均以人民币报价。2.投标单位须严格按照要求进行报价,否则视为废标。(先按仪器设备单价及合计报价,然后汇总,报全包总价。)3.设备综合报价含原辅材料、加工安装、管理费、利税、运输、调试等各种费用。4.其他未报的费用项目,将视为含在综合报价之内。三.合同签订及付款方式中标单位与我院教务处具体商谈并签订供需合同。安装调试完毕,并经验收合格后,付总货款的60%,一年内付到90%。剩余10%为质保金,质保期为一年,期满后一次性付清。四.投标书要求投标书中应包含以下内容:(一)营业执照复印件;(二)税务登记证复印件;(三)法定代表人证明;第5页共6页第4页共6页编号:时间:2021年x月x日书山有路勤为径,学海无涯苦作舟页码:第5页共6页(四)法人授权委托书,受委托人身份证及复印件;(五)报价表;(六)主要业绩;售后服务承诺;交付期限承诺;(七)招标人认为应当提供的其他证明文件;(八)投标书:用中文编写,设计规范,正本一份,副本六份,并在标书上注明。(九)投标时需带营业执照、税务登记、资质证书原件。...

1、当您付费下载文档后,您只拥有了使用权限,并不意味着购买了版权,文档只能用于自身使用,不得用于其他商业用途(如 [转卖]进行直接盈利或[编辑后售卖]进行间接盈利)。
2、本站所有内容均由合作方或网友上传,本站不对文档的完整性、权威性及其观点立场正确性做任何保证或承诺!文档内容仅供研究参考,付费前请自行鉴别。
3、如文档内容存在违规,或者侵犯商业秘密、侵犯著作权等,请点击“违规举报”。

碎片内容

旅游创意策划工作室招标doc-日照职业技术学院训练中心

确认删除?
VIP
微信客服
  • 扫码咨询
会员Q群
  • 会员专属群点击这里加入QQ群
客服邮箱
回到顶部