电脑桌面
添加小米粒文库到电脑桌面
安装后可以在桌面快捷访问

电弧焊接工艺守则VIP免费

电弧焊接工艺守则_第1页
1/5
电弧焊接工艺守则_第2页
2/5
电弧焊接工艺守则_第3页
3/5
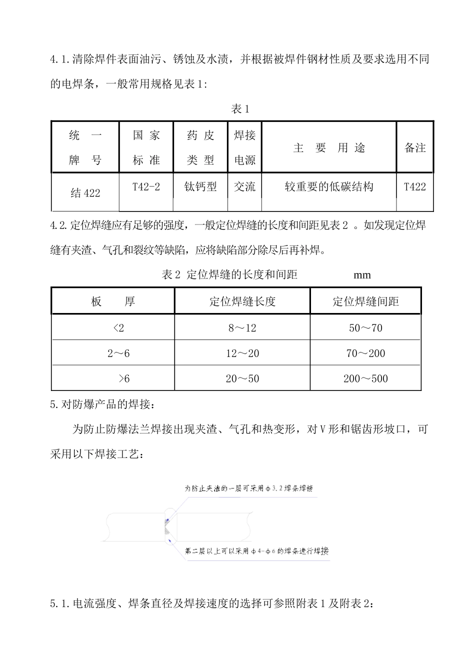
电弧焊接工艺守则1.适用范围及要求:本守则适用于碳钢、低合金钢的焊接工艺。焊工必须经过相关理论学习和实际培训,经考核并取得相应合格证书后,方可从事有关焊接工作。2.设备及工具2.1.交流电焊机BX3-300及BX3-500。2.2.软皮导线及焊钳等2.3.钢丝刷、尖头锤及工作台,必要的焊具等。3.焊接工艺过程3.1.根据焊接位置、接头形式和作业效率等选择合适的焊接辅助装置。3.2.对电焊机及附属设备严格进行检查,应确保电路及机械装置的正常运行。3.3.焊缝的坡口形式及尺寸可根据GB/T985,并结合具体工况条件确定,手工电弧焊所依根的规范见附表1及附表2。3.4.焊丝及坡口周围10~20mm范围内必须保持清洁,不得有影响焊接质量的铁锈、油污、水和涂料等异物。3.5.焊接顺序应根据具体结构条件合理确定。3.6.对于宽800mm的高、低压开关柜门子为了防止加工变形一般要求焊加强筋,特殊情况要结合实际解决。3.7.当没有工装能够确保工件立起来焊接的安全性时,应杜绝将工件立起来焊接。4.焊接工艺参数的选择:4.1.清除焊件表面油污、锈蚀及水渍,并根据被焊件钢材性质及要求选用不同的电焊条,一般常用规格见表1:表1统一牌号国家标准药皮类型焊接电源主要用途备注结422T42-2钛钙型交流较重要的低碳结构T4224.2.定位焊缝应有足够的强度,一般定位焊缝的长度和间距见表2。如发现定位焊缝有夹渣、气孔和裂纹等缺陷,应将缺陷部分除尽后再补焊。表2定位焊缝的长度和间距mm板厚定位焊缝长度定位焊缝间距<28~1250~702~612~2070~200>620~50200~5005.对防爆产品的焊接:为防止防爆法兰焊接出现夹渣、气孔和热变形,对V形和锯齿形坡口,可采用以下焊接工艺:5.1.电流强度、焊条直径及焊接速度的选择可参照附表1及附表2:注:1:一般立焊比平焊电流减少10—15%,仰焊则应减少15—20%。2:按经验公式计算电流强度(安培)=焊条直径×(35-50)即可。3:焊接时应保证焊接电压在70~75V之间(电焊机额定值)。5.2.选择施焊方法:为防止或减少焊件因局部受热发生工件变形,可选择适当施焊方法具体介绍如下:5.2.1.冷却法:用这种方法使热量加快向外传导减少金属受热面积以减少变形,冷却法在焊接薄零件时在焊道下面铺设厚铜垫板或湿石棉、湿布等加快散热。5.2.2.均衡法:这种方法是将焊件的焊道分若干小道,其位置应使后焊段的变形,等于先焊段的变形,而方向相反,正好抵消。5.2.3.逆向分等法,将全部焊道分若干相等段落,每段长度150—300毫米分段施焊,各段运条方向与焊波总方向相同,若为多层焊法,后焊层方向应与先焊层方向相反,各层接头不允许重迭。5.2.4.方向法,焊道长度不大的零件可以采用方向法也就是将电焊条的运行方向由中心向两端。5.2.5.抑制法:把焊件抑制在固定位置上,彼此互相焊接,待局部搭好或全部焊好后卸下夹具以防止变形。但应注意、脆性金属不能使用这个办法。5.3.将焊条夹持在焊钳口中,确定准焊件的焊缝起点并将焊条的端部与之靠近,当焊条末端离被焊工件约几毫米时用左手戴上面罩进行引弧操作。5.4.引弧完成后应立即进行焊接操作,如要求得到宽的焊缝则应选择适当的运条形式。5.5.焊接完成后,切断电焊机电源,去除焊渣,检查焊缝质量。6.焊件的检查和验收焊接后应保证焊缝强度≥420MPa(43kgf/mm2),检查可委托具有检验资质的检验机构进行并出具检验报告;当工艺文件变更时应重新进行检验以作为对工艺文件的确认。6.1.外观检查6.1.1.焊缝的厚度及高度应均匀,焊缝尺寸应符合图纸要求。6.1.2.焊缝的表面弧坑应填满,不咬边(又叫凹陷)。6.1.3.外焊缝层气孔不应超过5%,焊缝本身及焊缝周围之基体金属不应有裂缝。6.1.4.外焊缝与焊件间不应有空隙。6.2.内部检查6.2.1.焊缝金属不应有气孔,焊缝及基休体金属不应有内裂缝。6.2.2.多层焊接时,焊层应溶合紧密,不应有未焊透现象。6.2.3.焊缝内不应有夹渣及氧化物。6.2.4.隔爆电器壳体焊接成形后,应逐台进行水压试验,试验结果以不连续滴水为合格。7.注意事项7.1.操作人员进行焊接时,应穿戴必要的劳动保护用品。7.2.电焊工作处自由工作面积不应小于3—4平方米,焊接工作处必须通风良好,光线充足。7.3.焊接工件时,交流电焊机空载电压不得...

1、当您付费下载文档后,您只拥有了使用权限,并不意味着购买了版权,文档只能用于自身使用,不得用于其他商业用途(如 [转卖]进行直接盈利或[编辑后售卖]进行间接盈利)。
2、本站所有内容均由合作方或网友上传,本站不对文档的完整性、权威性及其观点立场正确性做任何保证或承诺!文档内容仅供研究参考,付费前请自行鉴别。
3、如文档内容存在违规,或者侵犯商业秘密、侵犯著作权等,请点击“违规举报”。

碎片内容

电弧焊接工艺守则

您可能关注的文档

确认删除?
VIP
微信客服
  • 扫码咨询
会员Q群
  • 会员专属群点击这里加入QQ群
客服邮箱
回到顶部