电脑桌面
添加小米粒文库到电脑桌面
安装后可以在桌面快捷访问

施工组织设计(文字说明)VIP免费

施工组织设计(文字说明)_第1页
1/94
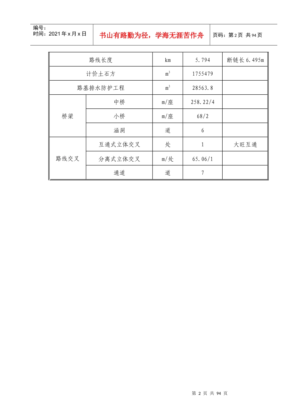
施工组织设计(文字说明)_第2页
2/94
施工组织设计(文字说明)_第3页
3/94
第1页共94页编号:时间:2021年x月x日书山有路勤为径,学海无涯苦作舟页码:第1页共94页二(连浩特)广(州)高速公路(粤境)怀集至三水段第5合同段总体施工组织设计第一章施工组织设计的编制依据本合同段为二(连浩特)广(州)高速公路(粤境)怀集至三水段第五合同段,施工范围:K13+822.34~K19+622.53路段。在接到中标通知书后,我公司立即成立项目管理班子,组织工程技术人员进行施工组织设计的编制,编制依据:1、中国公路工程咨询总公司:二(连浩特)广(州)高速公路(粤境)怀集至三水段第5标段(K13+822.34~K19+622.53)《两阶段施工图设计》第一至第五册。2、肇庆市广贺高速公路有限公司:二(连浩特)广(州)高速公路怀集至三水段招标文件、招标文件补遗书及工程量清单。3、交通部现行的有关规范、规程、规定、标准和交通部有关文件。第二章工程概况第一节工程简介本合同段为二(连浩特)广(州)高速公路(粤境)怀集至三水段,工程起点在佛山市三水区接广三高速公路,经肇庆市的四会、广宁、怀集,往西直通广西贺州市,路线贯穿广东省西部腹地肇庆市。本项目采用全封闭、全立交高速公路标准建设,计算行车速度为每小时100公里,汽车荷载等级为I级,地震动峰值加速度系数为0.05g,设计洪水频率:大、中、小桥、涵洞及路基为1/100,特大桥为1/300。本项目路基宽度为33.5m,其中行车道为6×3.75m,中间带3.5m(含2×0.75m路缘带),硬路肩为2×3.0m(含0.5m路缘带),土路肩宽度为2×0.75m。路拱坡度:行车道、路缘带及硬路肩采用2%,土路肩采用4%。第二节本合同段主要工程量情况本合同段起点K13+822.34(北江大桥终点),终点为K19+622.53(蕉园分离贺州桥头),路线长度5.794km。有大旺互通式立交1座、主线桥梁6座、主线涵洞6道、主线通道7道和分离式立交1处。主要工程数量情况见下表1~表4:表1主要工程项目情况表项目单位数量备注第2页共94页第1页共94页编号:时间:2021年x月x日书山有路勤为径,学海无涯苦作舟页码:第2页共94页路线长度km5.794断链长6.495m计价土石方m31755479路基排水防护工程m328563.8桥梁中桥m/座258.22/4小桥m/座68/2涵洞道6路线交叉互通式立体交叉处1大旺互通分离式立体交叉m/处65.06/1通道道7第3页共94页第2页共94页编号:时间:2021年x月x日书山有路勤为径,学海无涯苦作舟页码:第3页共94页表2主线路基工程数量表序号项目名称单位数量备注1场地清理km5.7942挖土方m349493路基填筑m313330394台背回填砂m328567.4软土地基处理1挖运淤泥m31299452预应力砼管桩m1721393挤密砂桩m616394砂垫层m31701985土工格栅m33792496土工布m3712017袋装砂井m43038648塑料排水板m209766试验路段防护工程1砼挡土墙m3825.42浆砌石护坡m316859.83坡面植草m284523排水工程1边沟m9632.462急流槽m2第4页共94页第3页共94页编号:时间:2021年x月x日书山有路勤为径,学海无涯苦作舟页码:第4页共94页表3主线桥涵工程数量表序号项目名称单位数量备注1φ1.0钻孔灌注桩m/根992/402φ1.2钻孔灌注桩m/根4112/1523φ1.3钻孔灌注桩m/根1418/484C20砼m3354.65C25砼m39069.36C30砼m33575.27C40砼m33213.48混凝土空心板13m片969混凝土空心板16m片25610混凝土空心板20m片26011橡胶支座个244812伸缩缝m219.513浆砌片石m33615.314圆管涵m84.5015箱涵m331.92第5页共94页第4页共94页编号:时间:2021年x月x日书山有路勤为径,学海无涯苦作舟页码:第5页共94页表4交叉工程数量表序号项目名称单位数量备注1φ1.0钻孔灌注桩m/根420/122φ1.2钻孔灌注桩m/根296/83φ1.3钻孔灌注桩m/根1890/564C20砼m343.15C25砼m33725.86C30砼m31819.37C40砼m32718.28C50砼m31381.49混凝土空心板20m片7010橡胶支座个35311伸缩缝m67.512路基填筑m337568013砌石护坡m3965.514排水沟m7649.915急流槽m916植草防护m243775.217圆管涵m118.5018浆砌片石m31093.419台背回填砂m37429.720袋装砂井m42174321预应力砼管桩m1162322土工格栅m260499第三节沿线地理情况本标段属于河流冲积平原地貌区,地形平坦,地势起伏变化小,上覆第四系冲积层第6页共94页第5页共94页编号:时间:2021年x月x日书山有路勤为径,学海...

1、当您付费下载文档后,您只拥有了使用权限,并不意味着购买了版权,文档只能用于自身使用,不得用于其他商业用途(如 [转卖]进行直接盈利或[编辑后售卖]进行间接盈利)。
2、本站所有内容均由合作方或网友上传,本站不对文档的完整性、权威性及其观点立场正确性做任何保证或承诺!文档内容仅供研究参考,付费前请自行鉴别。
3、如文档内容存在违规,或者侵犯商业秘密、侵犯著作权等,请点击“违规举报”。

碎片内容

施工组织设计(文字说明)

您可能关注的文档

确认删除?
VIP
微信客服
  • 扫码咨询
会员Q群
  • 会员专属群点击这里加入QQ群
客服邮箱
回到顶部