电脑桌面
添加小米粒文库到电脑桌面
安装后可以在桌面快捷访问

(安全生产)煤矿在用设备及作业场所安全生产检测检验项目VIP免费

(安全生产)煤矿在用设备及作业场所安全生产检测检验项目_第1页
1/14
(安全生产)煤矿在用设备及作业场所安全生产检测检验项目_第2页
2/14
(安全生产)煤矿在用设备及作业场所安全生产检测检验项目_第3页
3/14
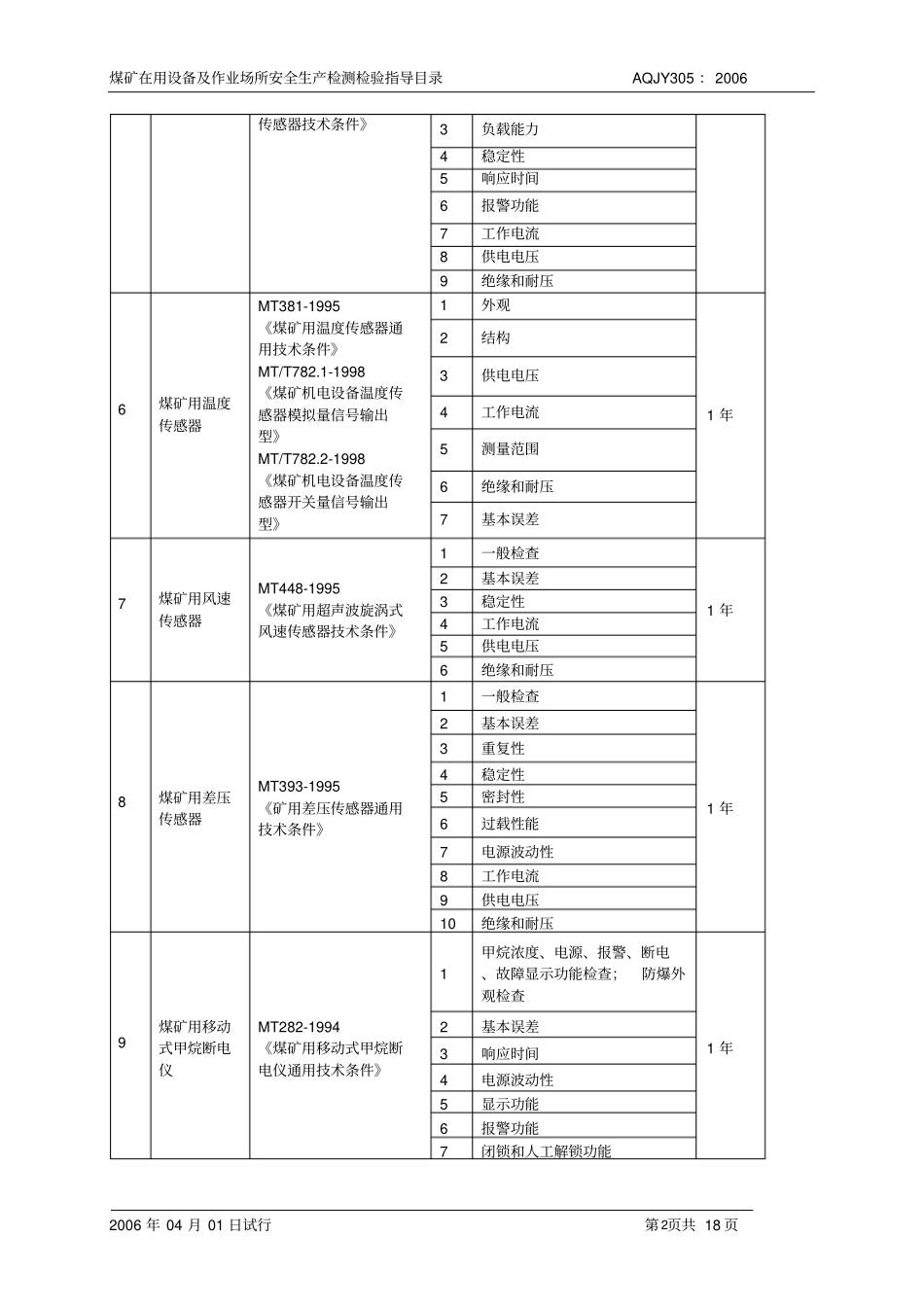
煤矿在用设备及作业场所安全生产检测检验指导目录AQJY305:20062006年04月01日试行第1页共18页煤矿在用设备及作业场所安全生产检测检验指导目录(试行)序号被检对象依据标准(方法)名称及编号(含年号)项目/参数检测检验周期序号名称一煤矿在用安全仪器仪表1煤矿安全监控系统《煤矿在用安全监控系统安全检测检验规范》(试行)1机房环境温度1年2系统配置3系统主要技术指标及功能4传感器设置5传感器配置及安装6传感器技术要求及监测数据7使用和维护8管理2煤矿用低浓度载体催化式甲烷传感器MT444-1995《煤矿用低浓度载体催化式甲烷传感器技术条件》1一般检查1年2基本误差3负载特性4稳定性5响应时间6报警功能7工作电流8供电电压9绝缘和耐压3煤矿用高浓度热导式甲烷传感器MT445-1995《煤矿用高浓度热导式甲烷传感器技术条件》1外观1年2基本误差3负载特性4稳定性5响应时间6工作电流7供电电压8绝缘和耐压4煤矿用一氧化碳传感器MT446-1995《煤矿用电化学式一氧化碳传感器技术条件》1外观1年2基本误差3负载特性4稳定性5响应时间6报警误差(报警试验)7工作电流8供电电压9绝缘和耐压5煤矿用氧气传感器MT447-1995《煤矿用电化学式氧气1一般检查1年2基本误差煤矿在用设备及作业场所安全生产检测检验指导目录AQJY305:20062006年04月01日试行第2页共18页传感器技术条件》3负载能力4稳定性5响应时间6报警功能7工作电流8供电电压9绝缘和耐压6煤矿用温度传感器MT381-1995《煤矿用温度传感器通用技术条件》MT/T782.1-1998《煤矿机电设备温度传感器模拟量信号输出型》MT/T782.2-1998《煤矿机电设备温度传感器开关量信号输出型》1外观1年2结构3供电电压4工作电流5测量范围6绝缘和耐压7基本误差7煤矿用风速传感器MT448-1995《煤矿用超声波旋涡式风速传感器技术条件》1一般检查1年2基本误差3稳定性4工作电流5供电电压6绝缘和耐压8煤矿用差压传感器MT393-1995《矿用差压传感器通用技术条件》1一般检查1年2基本误差3重复性4稳定性5密封性6过载性能7电源波动性8工作电流9供电电压10绝缘和耐压9煤矿用移动式甲烷断电仪MT282-1994《煤矿用移动式甲烷断电仪通用技术条件》1甲烷浓度、电源、报警、断电、故障显示功能检查;防爆外观检查1年2基本误差3响应时间4电源波动性5显示功能6报警功能7闭锁和人工解锁功能煤矿在用设备及作业场所安全生产检测检验指导目录AQJY305:20062006年04月01日试行第3页共18页8自动解锁功能9人工解锁功能10备用电源10煤矿用固定式甲烷断电仪MT283-1994《煤矿用固定式甲烷断电仪通用技术条件》1甲烷浓度、电源、报警、断电、故障显示功能检查;防爆外观检查1年2报警功能3闭锁和人工解锁功能4自动解锁功能5人工解锁功能6备用电源11煤矿用风电甲烷闭锁装置MT631-1996《煤矿用风电甲烷闭锁装置通用技术条件》1一般性检查2功能试验3显示功能4性能试验5高、低浓度转换点试验6风速风量开关试验7报警功能试验8备用电源12便携式热催化甲烷检测报警仪GB13486—2000《便携式热催化甲烷检测报警仪》1外观1年2报警误差3响应时间4工作位置变动5稳定性(不少于9小时)6基本误差7工作时间(不少于9小时)8工作电流9供电电压10声级强度13甲烷氧气两参数检测报警仪GB13486-2000《便携式热催化甲烷检测报警仪》MT704-1997《煤矿用携带型电化学式氧气测定器技术条件》1外观1年2基本误差3报警误差4响应时间5工作位置变动6工作时间7稳定性8工作电流9供电电压煤矿在用设备及作业场所安全生产检测检验指导目录AQJY305:20062006年04月01日试行第4页共18页10声级强度11重复性(仅对氧气检测仪)14煤矿用携带型氧气检测报警仪MT704-1997《煤矿用携带型电化学式氧气测定器技术条件》1外观1年2基本误差3重复性4稳定性5响应时间6报警误差7位置变动8声级强度9工作电流10供电电压15煤矿用一氧化碳检测报警仪MT703-1997《煤矿用便携型电化学式一氧化碳测定器》1外观及通电检查1年2基本误差3报警误差4响应时间5工作电流6供电电压7声级强度8零点及量程漂移(稳定性)16光干涉式甲烷测定器MT28—2005《光干涉式甲烷测定器》1外观1年2基本误差3气密性5稳定性(时间为24小时)6扩散性17煤矿用风速表MT380—1995《煤矿用风速...

1、当您付费下载文档后,您只拥有了使用权限,并不意味着购买了版权,文档只能用于自身使用,不得用于其他商业用途(如 [转卖]进行直接盈利或[编辑后售卖]进行间接盈利)。
2、本站所有内容均由合作方或网友上传,本站不对文档的完整性、权威性及其观点立场正确性做任何保证或承诺!文档内容仅供研究参考,付费前请自行鉴别。
3、如文档内容存在违规,或者侵犯商业秘密、侵犯著作权等,请点击“违规举报”。

碎片内容

(安全生产)煤矿在用设备及作业场所安全生产检测检验项目

确认删除?
VIP
微信客服
  • 扫码咨询
会员Q群
  • 会员专属群点击这里加入QQ群
客服邮箱
回到顶部