电脑桌面
添加小米粒文库到电脑桌面
安装后可以在桌面快捷访问

杭州市企业技术开发项目立项书VIP免费

杭州市企业技术开发项目立项书_第1页
1/6
杭州市企业技术开发项目立项书_第2页
2/6
杭州市企业技术开发项目立项书_第3页
3/6
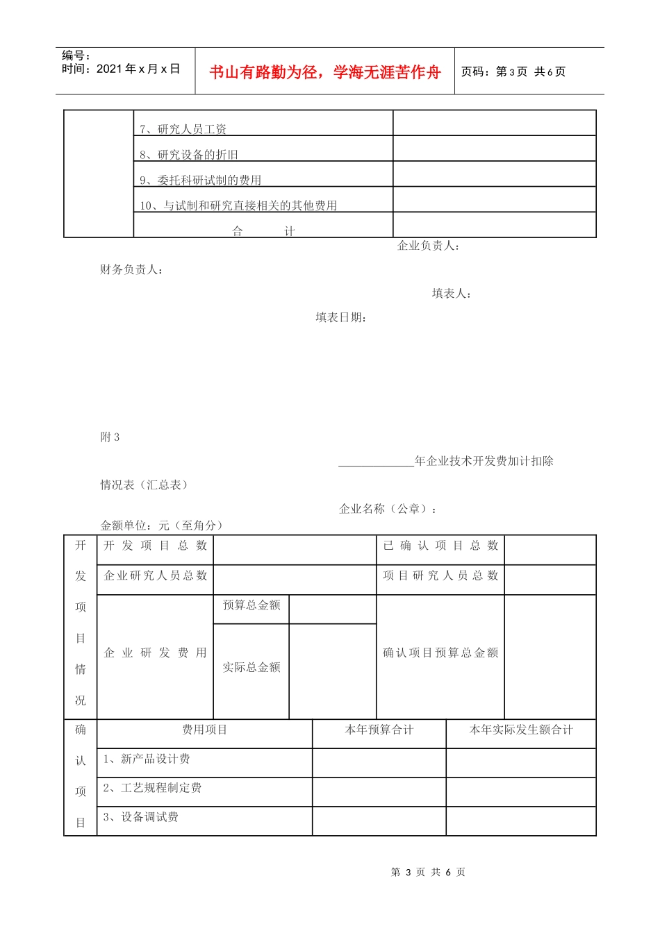
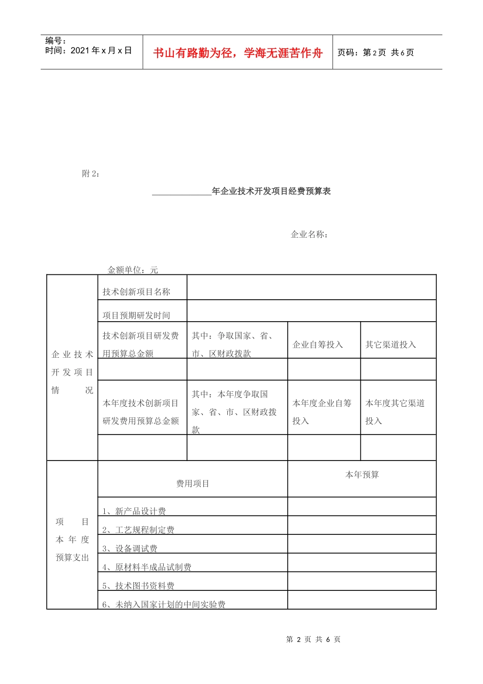
第1页共6页编号:时间:2021年x月x日书山有路勤为径,学海无涯苦作舟页码:第1页共6页杭州市企业技术开发项目立项书项目名称承担单位协作单位邮箱联系人联系电话申报日期企业技术开发项目可行性研究报告(编写提纲)一、项目概况,国内外同类研究情况(包括技术水平);二、技术(产品)市场需求、经济、社会、生态效益分析;三、项目主要研究开发内容、技术关键;四、预期目标(要达到的主要技术经济指标;自主知识产权申请拥有设想);五、项目现有研究基础和条件(包括原有基础、知识产权情况、技术力量的投入、科研手段等);六、实施方案(包括技术路线、进度安排);七、项目预算(包括经费来源及用途);八、申请单位概况(包括企业规模、技术力量、设备和配套情况、企业资产及负债情况);九、项目负责人及主要参加人员简历。第2页共6页第1页共6页编号:时间:2021年x月x日书山有路勤为径,学海无涯苦作舟页码:第2页共6页附2:年企业技术开发项目经费预算表企业名称:金额单位:元企业技术开发项目情况技术创新项目名称项目预期研发时间技术创新项目研发费用预算总金额其中:争取国家、省、市、区财政拨款企业自筹投入其它渠道投入本年度技术创新项目研发费用预算总金额其中:本年度争取国家、省、市、区财政拨款本年度企业自筹投入本年度其它渠道投入项目本年度预算支出费用项目本年预算1、新产品设计费2、工艺规程制定费3、设备调试费4、原材料半成品试制费5、技术图书资料费6、未纳入国家计划的中间实验费第3页共6页第2页共6页编号:时间:2021年x月x日书山有路勤为径,学海无涯苦作舟页码:第3页共6页7、研究人员工资8、研究设备的折旧9、委托科研试制的费用10、与试制和研究直接相关的其他费用合计企业负责人:财务负责人:填表人:填表日期:附3年企业技术开发费加计扣除情况表(汇总表)企业名称(公章):金额单位:元(至角分)开发项目情况开发项目总数已确认项目总数企业研究人员总数项目研究人员总数企业研发费用预算总金额确认项目预算总金额实际总金额确认项目费用项目本年预算合计本年实际发生额合计1、新产品设计费2、工艺规程制定费3、设备调试费第4页共6页第3页共6页编号:时间:2021年x月x日书山有路勤为径,学海无涯苦作舟页码:第4页共6页预算及实际发生情况4、原材料半成品试制费5、技术图书资料费6、未纳入国家计划的中间实验费7、研究人员工资8、研究设备的折旧9、委托科研试制的费用10、与试制和研究直接相关的其他费用合计加计抵扣情况项目行次金额本年度确认项目技术开发费实际发生额1本年度技术开发费应加计抵扣额2=1×50%本年度应纳税所得额(未抵扣前)3本年度实际加计抵扣应纳税所得额4≤3备注企业负责人:财务负责人:填表人:填表日期:附4年企业技术开发费加计扣除情况表(明细表)企业名称(公章):金额单位:元(至角分)开发项目名称项目起止年限第5页共6页第4页共6页编号:时间:2021年x月x日书山有路勤为径,学海无涯苦作舟页码:第5页共6页项目确认部门项目确认时间项目研究人员人数项目预算总金额预算及实际发生情况费用项目本年预算金额本年实际发生额会计科目金额1、新产品设计费2、工艺规程制定费3、设备调试费4、原材料半成品试制费5、技术图书资料费6、未纳入国家计划的中间实验费7、研究人员工资8、研究设备的折旧9、委托科研试制的费用10、与试制和研究直接相关的其他费用合计加计抵扣情况项目行次金额本年度技术开发费实际发生额1本年度技术开发费应加计抵扣额2=1×50%备注随表附送:1、“三新”项目开发计划(确认书);2、项目费用预算方案;3、本年实际参与项目研究人员名单;4、项目费用归集和核算的方法说明;5、合作开发或委托开发“三新”项目的还需提供双方的合同、协议;6、主管税务机关要求报送的其他资料;7、本表按项目逐一填写。第6页共6页第5页共6页编号:时间:2021年x月x日书山有路勤为径,学海无涯苦作舟页码:第6页共6页企业负责人:财务负责人:填表人:填表日期:

1、当您付费下载文档后,您只拥有了使用权限,并不意味着购买了版权,文档只能用于自身使用,不得用于其他商业用途(如 [转卖]进行直接盈利或[编辑后售卖]进行间接盈利)。
2、本站所有内容均由合作方或网友上传,本站不对文档的完整性、权威性及其观点立场正确性做任何保证或承诺!文档内容仅供研究参考,付费前请自行鉴别。
3、如文档内容存在违规,或者侵犯商业秘密、侵犯著作权等,请点击“违规举报”。

碎片内容

杭州市企业技术开发项目立项书

您可能关注的文档

确认删除?
VIP
微信客服
  • 扫码咨询
会员Q群
  • 会员专属群点击这里加入QQ群
客服邮箱
回到顶部