电脑桌面
添加小米粒文库到电脑桌面
安装后可以在桌面快捷访问

机组精细化大修准备情况汇报VIP免费

机组精细化大修准备情况汇报_第1页
1/28
机组精细化大修准备情况汇报_第2页
2/28
机组精细化大修准备情况汇报_第3页
3/28
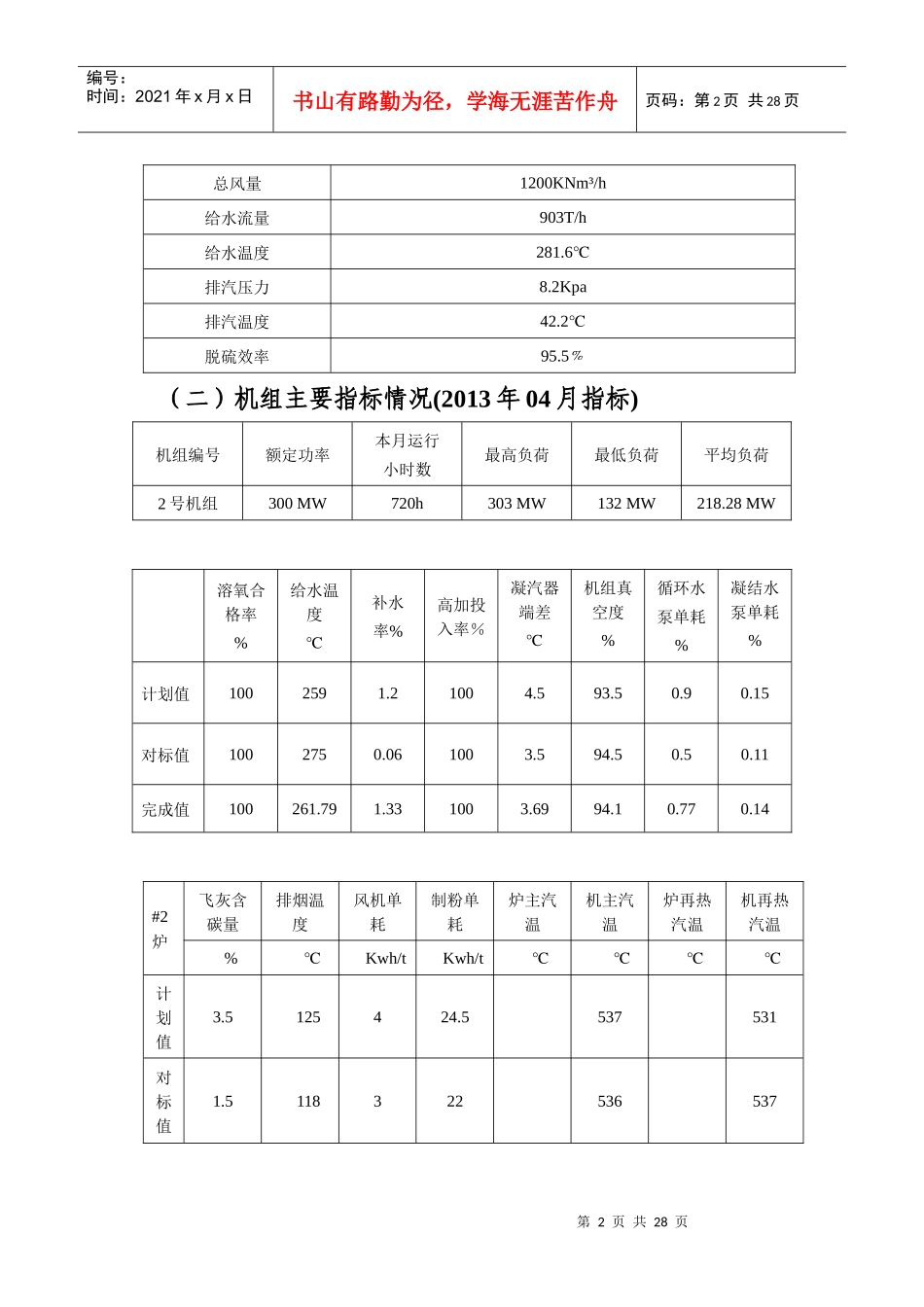
河北华电石家庄裕华热电有限公司2号机组精细化大修准备情况汇报二〇一三年八月二十二日河北华电石家庄裕华热电有限公司第1页共28页编号:时间:2021年x月x日书山有路勤为径,学海无涯苦作舟页码:第1页共28页2号机组精细化大修准备情况汇报根据《关于推进火电机组检修精细化管理工作的通知(中国华电火电函〔2013〕21号)》的要求及华电国际电力股份有限公司《2013年火电机组精细化检修实施方案》的部署,河北华电石家庄裕华热电有限公司(以下简称“公司”)2号机组拟定于2013年9月1日至2013年10月30日进行大修。为保证#2机组大修工作顺利进行,按照标准化、程序化的要求,我公司认真组织了2号机组大修的准备工作,并严格按照程序规定进行大修准备工作的落实。现将本次2号机组大修准备情况汇报如下:一、发电运行部汇报:设备运行情况及机组指标现状(一)设备运行情况概述2号机组正常运行。机组负荷按照要求,各项指标在控制范围内,各辅机运行情况正常,备用设备正常。主汽流量1000T/h、总煤量150T/h,电负荷300MW,高加正常投运,两台小汽机运行,电动给水泵备用,1B凝结水泵变频运行;脱硫、电除尘、捞渣机、气力输灰系统正常投运。中水、补给水制水系统、凝结水精处理系统正常投运。2号机组目前数据统计(2013.05.07)机组负荷300MW主蒸汽流量1000T/h总煤量150T/h第2页共28页第1页共28页编号:时间:2021年x月x日书山有路勤为径,学海无涯苦作舟页码:第2页共28页总风量1200KNm³/h给水流量903T/h给水温度281.6℃排汽压力8.2Kpa排汽温度42.2℃脱硫效率95.5﹪(二)机组主要指标情况(2013年04月指标)机组编号额定功率本月运行小时数最高负荷最低负荷平均负荷2号机组300MW720h303MW132MW218.28MW溶氧合格率%给水温度℃补水率%高加投入率%凝汽器端差℃机组真空度%循环水泵单耗%凝结水泵单耗%计划值1002591.21004.593.50.90.15对标值1002750.061003.594.50.50.11完成值100261.791.331003.6994.10.770.14#2炉飞灰含碳量排烟温度风机单耗制粉单耗炉主汽温机主汽温炉再热汽温机再热汽温%℃Kwh/tKwh/t℃℃℃℃计划值3.5125424.5537531对标值1.5118322536537第3页共28页第2页共28页编号:时间:2021年x月x日书山有路勤为径,学海无涯苦作舟页码:第3页共28页完成值2.94125.793.4324.82539.08536.14533.03530.17氢气方面:#2发电机日均漏氢量1.7立方,因氢气纯度低排污折合日均补氢6.5立方。除尘耗电率:#2机组:0.11%脱硫耗电率:#2机组:1.27%中水耗电率:0.07%补给水耗电率:0.04%(三)机组大指标情况(2013年04月指标)2号机组供电煤耗为338.46g/kWh2号机组综合厂用电率5.84%2号机组主要辅机耗电表项目单位当月值累计值完成值同比环比完成值同比引风机耗电率%0.660.11-0.130.860.04送风机耗电率%0.270.03-0.020.330.00一次风机耗电率%0.190.000.000.200.02排粉机耗电率%0.44-0.02-0.030.52-0.02磨煤机耗电率%0.71-0.07-0.050.85-0.09循环水泵耗电率%0.77-0.080.170.490.02给水泵耗电率%0.170.000.000.180.00凝泵耗电率%0.140.000.020.100.00脱硫耗电率%1.27-0.18-0.061.49-0.06除尘耗电率%0.11-0.010.000.110.00风机单耗kW.h/t3.430.44-0.213.660.10制粉单耗kW.h/t24.82-0.55-0.7925.89-0.58第4页共28页第3页共28页编号:时间:2021年x月x日书山有路勤为径,学海无涯苦作舟页码:第4页共28页机组辅机耗电率汇总%4.73-0.21-0.095.13-0.10负荷率影响%72.764.22-6.5676.211.29公用辅机耗电率项目单位当月完成同比环比累计完成同比除灰耗电率%0.10-0.020.010.120.00灰库耗电率%0.070.020.020.04-0.02中水耗电率%0.07-0.01-0.020.11-0.02输煤耗电率%0.090.000.000.090.00补给水耗电率%0.040.00-0.020.070.00耗电率汇总%0.36-0.020.000.43-0.05(四)机组缺陷汇总情况1、锅炉专业序号缺陷内容(详细描述)1#2炉B侧过热器Ⅱ级减温水疏水一二道门内漏2#2炉再热蒸汽管道安全门漏汽3#2炉A送风机底部回油管处滴油42B、2C、2D落粉管电动门无换向手柄5#2炉1A、2A、3B、4B、2C、3D、1E给粉机下粉不好。6过热器一级减温水母管电动门经常卡涩7再热A、B侧微量配水减温器调节阀电动门漏流大8过热器A、...

1、当您付费下载文档后,您只拥有了使用权限,并不意味着购买了版权,文档只能用于自身使用,不得用于其他商业用途(如 [转卖]进行直接盈利或[编辑后售卖]进行间接盈利)。
2、本站所有内容均由合作方或网友上传,本站不对文档的完整性、权威性及其观点立场正确性做任何保证或承诺!文档内容仅供研究参考,付费前请自行鉴别。
3、如文档内容存在违规,或者侵犯商业秘密、侵犯著作权等,请点击“违规举报”。

碎片内容

机组精细化大修准备情况汇报

您可能关注的文档

确认删除?
VIP
微信客服
  • 扫码咨询
会员Q群
  • 会员专属群点击这里加入QQ群
客服邮箱
回到顶部