电脑桌面
添加小米粒文库到电脑桌面
安装后可以在桌面快捷访问

机动车安全技术检验项目和方法VIP免费

机动车安全技术检验项目和方法_第1页
1/42
机动车安全技术检验项目和方法_第2页
2/42
机动车安全技术检验项目和方法_第3页
3/42
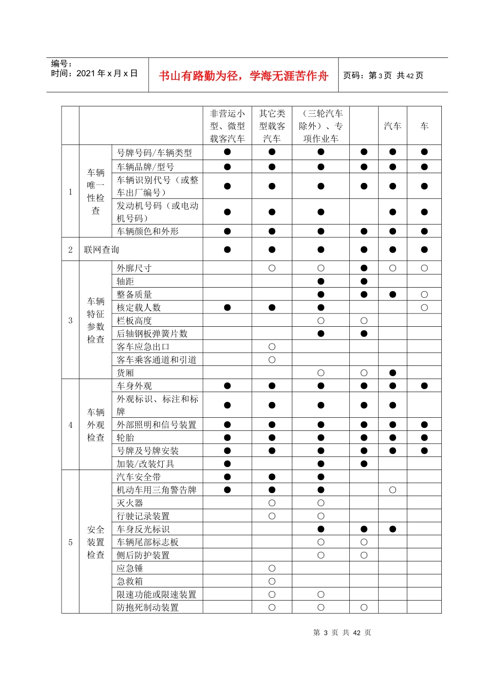
第1页共42页编号:时间:2021年x月x日书山有路勤为径,学海无涯苦作舟页码:第1页共42页机动车安全技术检验项目和方法1范围本标准规定了机动车安全技术检验的检验项目、检验方法、检验要求和检验结果处置。本标准适用于机动车安全技术检验机构对机动车进行安全技术检验。本标准也适用于出入境检验检疫机构对入境机动车进行安全技术检验。经批准进行实际道路试验的机动车和临时入境的机动车,可参照本标准进行安全技术检验。本标准不适用于拖拉机运输机组等上道路行驶的拖拉机的安全技术检验。2规范性引用文件下列文件对于本文件的应用是必不可少的。凡是注日期的引用文件,仅所注日期的版本适用于本文件。凡是不注日期的引用文件,其最新版本(包括所有的修改单)适用于本文件。GB1589道路车辆外廓尺寸、轴荷及质量限值GB4785汽车及挂车外部照明和光信号装置的安装规定GB7258-2012机动车运行安全技术条件GB11567.1汽车和挂车侧面防护要求GB11567.2汽车和挂车后下部防护要求GB13094客车结构安全要求GB13392道路运输危险货物车辆标志GB16735道路车辆车辆识别代号(VIN)GB18986轻型客车结构安全要求GB19151机动车用三角警告牌GB20300道路运输爆炸品和剧毒化学品车辆安全技术条件GB24315校车标识GB24407专用校车安全技术条件GB25990车辆尾部标志板GB/T3730.2道路车辆质量词汇和代码GB/T3730.3汽车和挂车的术语及其定义车辆尺寸GB/T17676天然气汽车和液化石油气汽车标志GB/T19056汽车行驶记录仪GB/T26765机动车安全技术检验业务信息系统及联网规范GA36中华人民共和国机动车号牌GA802机动车术语类型和定义GA804机动车号牌专用固封装置GA1186机动车安全技术检验监管系统通用技术条件第2页共42页第1页共42页编号:时间:2021年x月x日书山有路勤为径,学海无涯苦作舟页码:第2页共42页3术语和定义GB7258和GA802确立的以及下列术语和定义适用于本文件。3.1注册登记检验inspectionforunregisteredvehicle机动车安全技术检验机构对申请注册登记的机动车进行的安全技术检验。3.2在用机动车检验inspectionforin-usevehicle机动车安全技术检验机构对己注册登记的机动车进行的安全技术检验。3.3车辆唯一性检查inspectionfortheidentifyofvehicle对机动车的号牌号码和类型、车辆品牌和型号、车辆识别代号(或整车出厂编号)、发动机号码(或电动机号码)、车辆颜色和外形进行检查,以确认送检机动车的唯一性。3.4车辆特征参数检查inspectionforthecharacteristicparametersofvehicle对机动车的外廓尺寸、整备质量、核定载人数等车辆主要特征和技术参数进行检查,以确认与机动车国家安全技术标准、机动车产品公告、机动车出厂合格证、机动车行驶证等技术资料凭证的符合性。3.5底盘动态检验chassisoperatinginspection在行驶状态下,定性地判断送检机动车的转向系、传动系、制动系、仪表和指示器是否符合运行安全要求。4检验项目4.1机动车安全技术检验项目见表1。4.2出入境检验检疫机构对需领取机动车牌证方可上道路行驶的入境机动车检验时,应覆盖表1规定的检验项目,并按照注册登记检验要求执行。4.3轮式专用机械车、有轨电车的安全技术检验项目按照相关国家标准和行业标准的要求参照表1确定。表1机动车安全技术检验项目表序号检验项目适用车辆类型载客汽车载货汽车挂车三轮摩托第3页共42页第2页共42页编号:时间:2021年x月x日书山有路勤为径,学海无涯苦作舟页码:第3页共42页(三轮汽车除外)、专项作业车汽车车非营运小型、微型载客汽车其它类型载客汽车1车辆唯一性检查号牌号码/车辆类型●●●●●●车辆品牌/型号●●●●●●车辆识别代号(或整车出厂编号)●●●●●●发动机号码(或电动机号码)●●●●●车辆颜色和外形●●●●●●2联网查询●●●●●●3车辆特征参数检查外廓尺寸○○●○○轴距●●整备质量●●●○核定载人数●●●○栏板高度○○后轴钢板弹簧片数●●客车应急出口○客车乘客通道和引道○货厢○○●4车辆外观检查车身外观●●●●●●外观标识、标注和标牌●●●●●外部照明和信号装置●●●●●●轮胎●●●●●●号牌及号牌安装●●●●●●加装/改装灯具●●●5安全装...

1、当您付费下载文档后,您只拥有了使用权限,并不意味着购买了版权,文档只能用于自身使用,不得用于其他商业用途(如 [转卖]进行直接盈利或[编辑后售卖]进行间接盈利)。
2、本站所有内容均由合作方或网友上传,本站不对文档的完整性、权威性及其观点立场正确性做任何保证或承诺!文档内容仅供研究参考,付费前请自行鉴别。
3、如文档内容存在违规,或者侵犯商业秘密、侵犯著作权等,请点击“违规举报”。

碎片内容

机动车安全技术检验项目和方法

您可能关注的文档

确认删除?
VIP
微信客服
  • 扫码咨询
会员Q群
  • 会员专属群点击这里加入QQ群
客服邮箱
回到顶部