电脑桌面
添加小米粒文库到电脑桌面
安装后可以在桌面快捷访问

特种作业实际操作培训设备VIP免费

特种作业实际操作培训设备_第1页
1/6
特种作业实际操作培训设备_第2页
2/6
特种作业实际操作培训设备_第3页
3/6
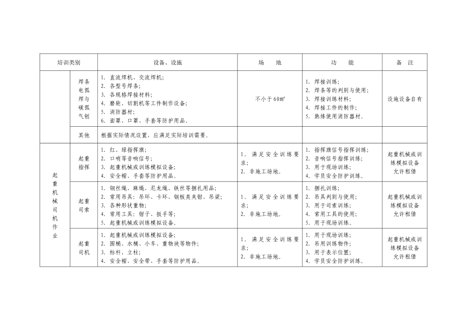
特种作业实际操作培训设备、设施、场地要求一览表培训类别设备、设施场地功能备注电工作业高压电工1.设备仪器仪表:高压变压器、各类型断路器、常用仪表(电流、电压、兆欧表等)、电压及电流互感器、各种类型高压开关、开关柜或能够实现上述仪器功能的电工试验台或计算机模拟装置;2.电工用具:手套、绝缘鞋、安全帽、绝缘杆、各种钳子、验电器及扳手等工具;3.消防器材;4.人工救护训练装置:橡胶人。不小于60㎡1.常见器件的判别和使用,高压变电试验、基础性高压电工安全操作;2.常用工具的安全使用;3.熟练使用消防器材;4.人工呼吸演练。设施设备自有低压电工1.设备仪器仪表:低压变压器、各类型断路器、常用仪表(电流、电压表等)各种类型低压开关或能够实现上述仪器功能的电工试验台或计算机模拟装置;2.电工用具:手套、绝缘鞋、安全帽、绝缘杆、各种钳子、验电器及扳手等工具;3.消防器材;4.人工救护训练装置:橡胶人。不小于60㎡1.常见器件的判别和使用,基础性电工安全操作;2.常用工具的安全使用;3.熟练使用消防器材;4.人工呼吸演练。设施设备自有金属焊接切割作业气焊、气割1.各型号焊丝、焊炬、割炬;2.乙炔发生器或乙炔瓶、氧气瓶等;3.各规格焊接材料;4.磨轮、切割机等工件制作设备;5.消防器材;6.面罩、口罩、手套等防护用品。不小于60㎡1.焊丝、焊炬、割炬等的判别与使用;2.气瓶等的判别与使用;3.焊接训练材料;4.焊接工件的制作;5.熟练使用消防器材。设施设备自有培训类别设备、设施场地功能备注焊条电弧焊与碳弧气刨1.直流焊机、交流焊机;2.各型号焊条;3.各规格焊接材料;4.磨轮、切割机等工件制作设备;5.消防器材;6.面罩、口罩、手套等防护用品。不小于60㎡1.焊接训练;2.焊条等的判别与使用;3.焊接训练材料;4.焊接工件的制作;5.熟练使用消防器材。设施设备自有其他根据实际情况设置,应满足实际培训需要。起重机械司机作业起重指挥1.红、绿指挥旗;2.口哨等音响信号;3.起重机械或训练模拟设备;4.安全帽、手套等防护用品。1.满足安全训练要求;2.非施工场地。1.指挥旗信号指挥训练;2.音响信号指挥训练;3.用于现场训练;4.学员安全防护训练。起重机械或训练模拟设备允许租借起重司索1.钢丝绳、麻绳、尼龙绳、铁丝等捆扎用品;2.常用吊具:吊环、卡环、钢板类夹钳、吊梁;3.各种形状重物;4.常用工具:钳子、扳手等;5.起重机械或训练模拟设备。1.满足安全训练要求;2.非施工场地。1.捆扎训练;2.吊具判别与使用;3.用于司索训练;4.常用工具的使用;5.用于现场训练。起重机械或训练模拟设备允许租借起重司机1.起重机械或训练模拟设备;2.圆桶、水桶、小车、重物块等物件;3.标杆、立柱;4.安全帽、安全带、手套等防护用品。1.满足安全训练要求;2.非施工场地。1.用于现场训练;2.吊用训练物件;3.用于表示位置;4.学员安全防护训练。起重机械或训练模拟设备允许租借培训类别设备、设施场地功能备注企业内机动车辆驾驶货运汽车(拖拉机、流动式起重机)1.货运汽车(拖拉机、流动式起重机);2.日常保养用品:黄油枪、擦拭布、脸盆、清洁用品等;3.训练用道路、场地、标志、标牌。1.满足安全训练要求;2.非工作场地。1.用于实际驾驶训练;2.简单保养训练;3.标志识别。允许租借蓄电池车1.蓄电池车;2.日常保养用品:黄油枪、擦拭布、脸盆、清洁用品等;3.训练用道路、场地、标志、标牌。1.满足安全训练要求;2.非工作场地。1.用于实际驾驶训练;2.简单保养训练;3.标志识别。允许租借叉车(前置翻斗车)1.叉车(前置翻斗车);2.日常保养用品:黄油枪、擦拭布、脸盆、清洁用品等;3.训练装载物;4.训练用道路、场地、标志、标牌。1.满足安全训练要求;2.非工作场地。1.用于实际驾驶训练;2.简单保养训练;3.用于装载训练;4.标志识别。允许租借装载机(推土机、挖掘机)1.装载机(推土机、挖掘机);2.日常保养用品:黄油枪、擦拭布、脸盆、清洁用品等;3.训练装载物。1.满足安全训练要求;2.非工作场地。1.用于实际驾驶训练;2.简...

1、当您付费下载文档后,您只拥有了使用权限,并不意味着购买了版权,文档只能用于自身使用,不得用于其他商业用途(如 [转卖]进行直接盈利或[编辑后售卖]进行间接盈利)。
2、本站所有内容均由合作方或网友上传,本站不对文档的完整性、权威性及其观点立场正确性做任何保证或承诺!文档内容仅供研究参考,付费前请自行鉴别。
3、如文档内容存在违规,或者侵犯商业秘密、侵犯著作权等,请点击“违规举报”。

碎片内容

特种作业实际操作培训设备

确认删除?
VIP
微信客服
  • 扫码咨询
会员Q群
  • 会员专属群点击这里加入QQ群
客服邮箱
回到顶部