附件 3: 2025 年海淀区普通高中通用技术学科毕业会考实践操作考查过程记录单考生信息考生成绩考生姓名会考报名号所在学校评分老师实践...
用友软件 U850 实际操作教程1 用友软件安装 用友 ERP-U8 应用的系统运行环境: 硬件环境最低配置推举配置客户端内 存 256MB 以 ...
初级建构筑消防员实际操作知识消防控制室 琴台式主机 窗口右侧有一手型标志,标志在哪一窗口即为当前窗口;窗口切换为移动该标志的操作键...
绩效管理制度第一条总则为不断挖掘员工潜能,充分调动员工工作主动性和积极性,合理实施对比们及员工的奖罚措施,促进员工绩效和公司绩效的...
室内质控的实际操作及失控处理室内质量控制是各实验室为了监测和评价本室工作质量,以决定常规检验报告能否发出所实行的一系列检查、控制手...
中级维修电工实际操作试卷(6 页)Good is good, but better carries it.精益求精,善益求善。总 成 绩 表 统分人: 年 月 日...
淄博中轩热电有限公司循环流化床锅炉操作人员实际操作考核题库(三级)一、锅炉水压试验得要求新安装或经检修锅炉承压部件须进行水压试验,( ...
精密部内径工序培训资料 —— 内径磨削得工艺特性及实际操作要领 滚动轴承属于精磨机械产品,实际生产中多采纳精密磨削得方法进行加工。...
总 成 绩 表 统分人: 年 月 日序号试题名称配分得分权重最后得分备注1设计一个两地启动、停止,用时间继电器自动控制得双速异步电动...
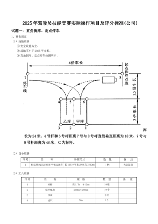
2025 年驾驶员技能竞赛实际操作项目及评分标准(公司)试题一:直角倒库、定点停车1、准备规定(1)场地准备① 安全设施齐全。② 场地不小...
附件 2:实际操作项目评分标准1.配电运检团队项目低压架空线路孤立档架设施工技能操作任务书一、任务名称低压架空线路孤立档架设施工。( ...
商品房交付中验收实际操作程序一、通知开发商取得新建商品房房地产权证后,应以书面形式通知购房者在约定时间内对房屋进行验收交接。二、验...
保育员实际操作能力评价标准保育员实际操作能力评价标准项目 评价标准 权重分数工作程序 程序 保育工作程序科学合理,并按顺序工作。 ...
采气技能实际操作安全预案一、目的通信公司重庆分公司为了根据西南油气田分公司关于工程建设管理规定和“安全、质量、进度”的工程项目管理...
12012 年职业技能鉴定操作技能考核项目维修电工初级中国石油大庆职业技能鉴定中心2试基本操作 30试题二、T 形连接多股导基本操作 30试...
案例教学法在公共管理教学中的实际操作 案例教学法的滥觞可追溯到古代希腊时代,但是把它作为一种教学方法运用于教学是 1870 年由当时哈...
标杆管理实操20 世纪 90 年代三大管理方法之一的标杆管理 标杆管理(benchmarking)产生于上世纪 70 年代末 80 年代初美国\企业“...
FIDIC 合同条件在小浪底工程中地实践运用小浪底水利枢纽工程位于黄河干流,处在控制黄河水沙地关键位置,枢纽主要由大坝、泄洪系统和引水发...
建(构)筑物消防员第一章 消防安全检查一、常见消防安全标志的识别 考核容(1)识别火灾报警与手动控制装置标志(2)识别灭火设备标志(3...
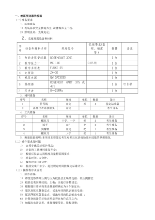
一、差压变送器的检验(一)准备要求1.场地准备1)考场各项安全措施齐全,法律规范无干扰;2)照明良好,光线充足;2.竞赛所需设备和材料序...

