电脑桌面
添加小米粒文库到电脑桌面
安装后可以在桌面快捷访问

中级维修电工实际操作试卷

中级维修电工实际操作试卷_第1页
1/6
中级维修电工实际操作试卷_第2页
2/6
中级维修电工实际操作试卷_第3页
3/6
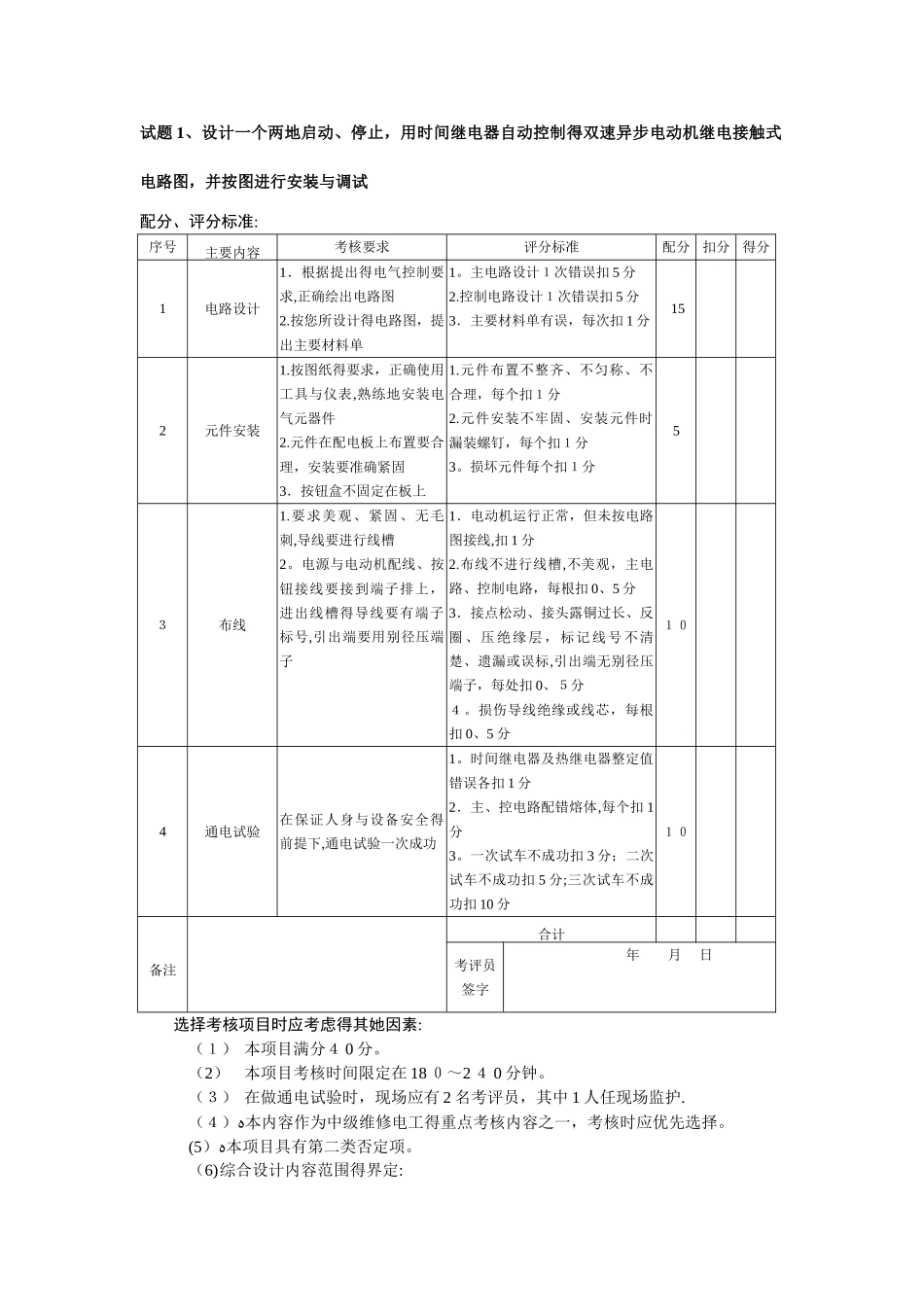
总 成 绩 表 统分人: 年 月 日序号试题名称配分得分权重最后得分备注1设计一个两地启动、停止,用时间继电器自动控制得双速异步电动机继电接触式电路图,并按图进行安装与调试402按工艺规程主持检修 10 0 0 千伏安以下三相电力变压器得故障检修403用两表跨相法测量三相无功功率104在各项技能考核中,要遵守安全文明生产得有关规定10合计100试题 1、设计一个两地启动、停止,用时间继电器自动控制得双速异步电动机继电接触式电路图,并按图进行安装与调试配分、评分标准:序号主要内容考核要求评分标准配分扣分得分1电路设计1.根据提出得电气控制要求,正确绘出电路图2.按您所设计得电路图,提出主要材料单1。主电路设计1次错误扣 5 分2.控制电路设计1次错误扣 5 分3.主要材料单有误,每次扣 1 分152元件安装1.按图纸得要求,正确使用工具与仪表,熟练地安装电气元器件2.元件在配电板上布置要合理,安装要准确紧固3.按钮盒不固定在板上1.元件布置不整齐、不匀称、不合理,每个扣1分2.元件安装不牢固、安装元件时漏装螺钉,每个扣1分3。损坏元件每个扣1分53布线1.要求美观、紧固、无毛刺,导线要进行线槽2。电源与电动机配线、按钮接线要接到端子排上,进出线槽得导线要有端子标号,引出端要用别径压端子1.电动机运行正常,但未按电路图接线,扣 1 分2.布线不进行线槽,不美观,主电路、控制电路,每根扣 0、5 分3.接点松动、接头露铜过长、反圈、压绝缘层,标记线号不清楚、遗漏或误标,引出端无别径压端子,每处扣 0、5分4。损伤导线绝缘或线芯,每根扣 0、5 分104通电试验在保证人身与设备安全得前提下,通电试验一次成功1。时间继电器及热继电器整定值错误各扣 1 分2.主、控电路配错熔体,每个扣 1分3。一次试车不成功扣 3 分;二次试车不成功扣 5 分;三次试车不成功扣 10 分10备注合计考评员签字 年 月 日选择考核项目时应考虑得其她因素:(1) 本项目满分4 0 分。(2)本项目考核时间限定在 18 0~2 4 0 分钟。(3) 在做通电试验时,现场应有 2 名考评员,其中 1 人任现场监护.(4)ﻩ本内容作为中级维修电工得重点考核内容之一,考核时应优先选择。(5)ﻩ本项目具有第二类否定项。(6)综合设计内容范围得界定:① 电动机种类不限,台数一般不超过 4 台.② 电动机各种保护齐全,这主要指短路保护、过载保护、失压保护、欠压保护、接地保护、欠流保护等。...

1、当您付费下载文档后,您只拥有了使用权限,并不意味着购买了版权,文档只能用于自身使用,不得用于其他商业用途(如 [转卖]进行直接盈利或[编辑后售卖]进行间接盈利)。
2、本站所有内容均由合作方或网友上传,本站不对文档的完整性、权威性及其观点立场正确性做任何保证或承诺!文档内容仅供研究参考,付费前请自行鉴别。
3、如文档内容存在违规,或者侵犯商业秘密、侵犯著作权等,请点击“违规举报”。

碎片内容

中级维修电工实际操作试卷

您可能关注的文档

确认删除?
VIP
微信客服
  • 扫码咨询
会员Q群
  • 会员专属群点击这里加入QQ群
客服邮箱
回到顶部