FIDIC 合同条件在小浪底工程中地实践运用小浪底水利枢纽工程位于黄河干流,处在控制黄河水沙地关键位置,枢纽主要由大坝、泄洪系统和引水发...
建(构)筑物消防员第一章 消防安全检查一、常见消防安全标志的识别 考核容(1)识别火灾报警与手动控制装置标志(2)识别灭火设备标志(3...
一、差压变送器的检验(一)准备要求1.场地准备1)考场各项安全措施齐全,法律规范无干扰;2)照明良好,光线充足;2.竞赛所需设备和材料序...
绩效考核的正态分布与实际操作(人资中心 翟大羽)正态分布是概率论中最重要的一种分布,也是自然界事物最常见的一种分布状态,又名高斯分...
登高架设作业安全技术实际操作考试标准1.制定依据《登高架设作业安全技术培训大纲及考核标准》.2.考试方式实际操作、仿真模拟操作、口述方...
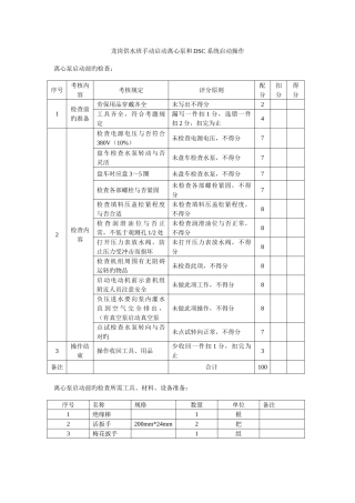
附件 3特种作业(电工)安全技术实际操作考试标准和实操考试点设备配备标准第一部分 考试标准高压电工作业安全技术实际操作考试标准1.制...
煤气作业安全技术实际操作考试标准1.制定依据 《煤气作业安全技术培训大纲及考核标准》。2.考试方式 实际操作、仿真模拟操作、口述3....
高级井下作业工技能考核项目1、按要求组配管柱,画管柱示意图(Y)2、拆装 DLT-114 卡瓦打捞筒(X)3、现场检查操作与故障排除(Y)4、现场...
绩效考核量化管理全案——实际操作目 录第 1 章 绩效指标设计与绩效考核第 2 章 高层管理人员绩效考核2.1 董事会关键绩效考核指标2...
电焊工实际操作评分标准姓名:_________ 得分:______焊接时间: 总用时:考核项目考核技术要求标准分评分标准实得分操作程序标准1、电焊...
专业技术知识共享耕地质量等别年度更新评价实际操作步骤一、数据准备(一)资料收集收集变更数据库、上年度更新成果、土整项目相关资料、土...
前 言 房地产业是根底性和先导性产业,是国民经济开展的根底和推动力,同时,房地产业又具有较强的产业关联性,住宅的开展能够促进相关产...
疼痛原始點療法臨床實際操作 生命有四大徵象,即是「體溫、血壓、脈搏、呼吸」,四者如果正常,就代表生命是健康的,但嚴格來說,應該要加...
1 电焊工实际操作考试试题 一、 低碳钢板平位对接焊条电弧焊 二、 低碳钢管水平固定对接手弧焊 3 0 0 6 0 0 1 0 0 1 2 6...
用友软件U850 实际操作教程 1 用友软件安装 1.1 用友ERP-U8 应用的系统运行环境: 硬件环境 最低配置 推荐配置 客户端 内存256M...
1 额定蒸发量不不大于或等于( )旳锅炉,应装设高下水位报警(高、低水位警报信号须能辨别)、低水位联锁保护装置;额定蒸发量不不大于或...
汽车驾驶员场地驾驶题 一、“8”字形路线驾驶如图 r =2 倍车长-车宽-1.0m; R=2 倍车长;A=4 倍车宽;B=车宽+0.6m;“○”表示标...
民航货运员实际操作考试模块
机修钳工 实际操作比赛技术文件 江西铜业集团公司奥林匹克技能比赛组委会 二〇〇九年六月 1 / 15 目 录 一、竞赛办法说明…………...
建(构)筑物消防员第一章消防安全检查―、常见消防安全标志的识别考核内容(1) 识别火灾报警与手动控制装置标志(2) 识别灭火设备标志3)识别...

