电脑桌面
添加小米粒文库到电脑桌面
安装后可以在桌面快捷访问

维修仪表工技术比武实际操作试题

维修仪表工技术比武实际操作试题_第1页
1/18
维修仪表工技术比武实际操作试题_第2页
2/18
维修仪表工技术比武实际操作试题_第3页
3/18
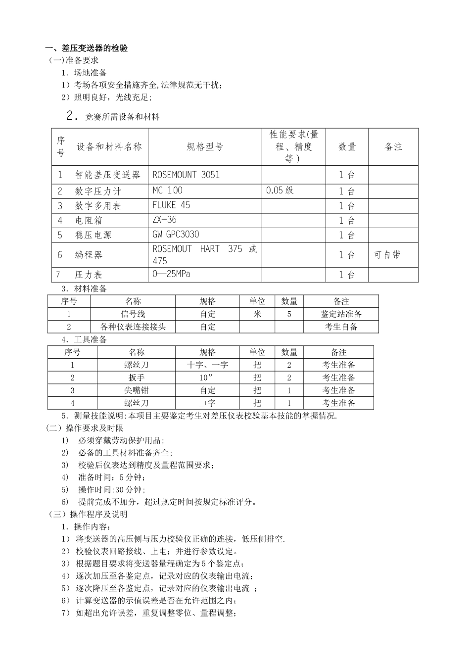
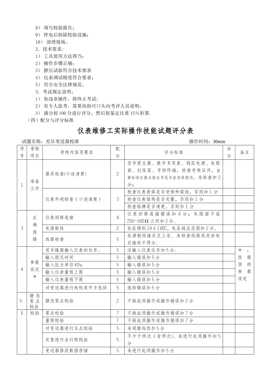
一、差压变送器的检验(一)准备要求1.场地准备1)考场各项安全措施齐全,法律规范无干扰;2)照明良好,光线充足;2.竞赛所需设备和材料序号设备和材料名称规格型号性能要求(量程、精度等)数量备注1智能差压变送器ROSEMOUNT 30511 台2数字压力计MC 1000.05 级1 台3数字多用表FLUKE 451 台4电阻箱ZX-361 台5稳压电源GW GPC30301 台6编程器ROSEMOUT HART 375 或4751 台可自带7压力表0—25MPa1 台3.材料准备序号名称规格单位数量备注1信号线自定米5鉴定站准备2各种仪表连接接头自定考生自备4.工具准备序号名称规格单位数量备注1螺丝刀十字、一字把2考生准备2扳手10”把2考生准备3尖嘴钳自定把1考生准备4螺丝刀_+字把1考生准备5.测量技能说明:本项目主要鉴定考生对差压仪表校验基本技能的掌握情况.(二)操作要求及时限1)必须穿戴劳动保护用品;2)必备的工具材料准备齐全;3)校验后仪表达到精度及量程范围要求;4)准备时间:5 分钟;5)操作时间:30 分钟;6)提前完成不加分,超过规定时间按规定标准评分。(三)操作程序及说明1.操作内容:1) 将变送器的高压侧与压力校验仪正确的连接,低压侧排空.2) 校验仪表回路接线、上电;并进行参数设定。3) 根据题目要求将变送器量程确定为 5 个鉴定点;4) 逐次加压至各鉴定点,记录对应的仪表输出电流;5) 逐次降压至各鉴定点,记录对应的仪表输出电流 ;6) 计算变送器的示值误差是否在允许范围之内;7) 如超出允许误差,重复调整零位、量程调整;8) 填写校验报告;9) 停电后拆除校验设施;10) 清理现场。2.技术要求:1) 工具使用方法得当;2) 操作步骤正确;3) 静压试验符合技术要求4) 仪表调试精度符合要求;5) 符合安全法律规范。3.考试规定说明:1) 如违章操作,将终止考试;2) 有专人监考,需要协助可口头向考评人员说明;3) 满分按 100 分进行评分,然后按鉴定比重 15%折算.(四)配分与评分标准仪表维修工实际操作技能试题评分表试题名称:差压变送器校准 操作时间:30min序号考核项目考核内容及要求配分评分标准扣分备注1准备工作器具检查(口述清楚)2信号发生器、数字多用表、稳压电源、电阻箱、打压泵、手持终端,检查有效证件,查看标准仪器合格证书是否在有效期内,未检查扣 2分;仪表外观检查(口述清楚)3检查仪表表体是否受损和腐蚀,否则扣 1 分检查仪表结构是否完整,否则扣 1 分检查铭牌是否清楚,否则扣 1 分3正确连接...

1、当您付费下载文档后,您只拥有了使用权限,并不意味着购买了版权,文档只能用于自身使用,不得用于其他商业用途(如 [转卖]进行直接盈利或[编辑后售卖]进行间接盈利)。
2、本站所有内容均由合作方或网友上传,本站不对文档的完整性、权威性及其观点立场正确性做任何保证或承诺!文档内容仅供研究参考,付费前请自行鉴别。
3、如文档内容存在违规,或者侵犯商业秘密、侵犯著作权等,请点击“违规举报”。

碎片内容

维修仪表工技术比武实际操作试题

您可能关注的文档

确认删除?
VIP
微信客服
  • 扫码咨询
会员Q群
  • 会员专属群点击这里加入QQ群
客服邮箱
回到顶部