电脑桌面
添加小米粒文库到电脑桌面
安装后可以在桌面快捷访问

煤气作业安全技术实际操作考试标准

煤气作业安全技术实际操作考试标准_第1页
1/15
煤气作业安全技术实际操作考试标准_第2页
2/15
煤气作业安全技术实际操作考试标准_第3页
3/15
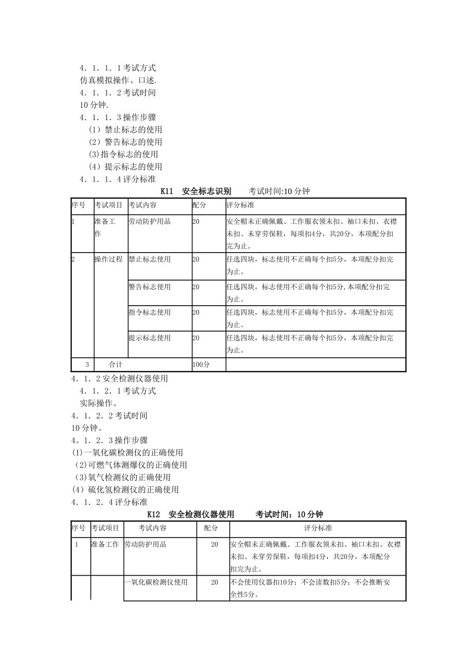
煤气作业安全技术实际操作考试标准1.制定依据 《煤气作业安全技术培训大纲及考核标准》。2.考试方式 实际操作、仿真模拟操作、口述3.考试要求3.1 考试科目及内容3.1.1 科目 l:安全用具使用(简称 K1) 3.1.1.1 安全标志识别(简称 K11) 3.1.1.2 安全检测仪器使用(简称 K12) 3.1.1.3 空气呼吸器使用(简称 K13) ‘ 3.1.1.4 煤气设备符号识别(简称 K14)3.1.2 科目 2:安全操作技术(简称 K2) 3。1.2.1 立式排水器操作(简称 K21) 3.1.2.2 NK 型水封阀操作(简称 K22) 3.1.2.3 抽堵盲板操作(简称 K23) 3.1.2.4 煤气管道水封清洗操作(简称 K24) 3.1.2.5 煤气工艺流程及安全生产(简称 K25)3.1.3 科目 3:作业现场安全隐患排除(简称 K3) 3.1.3。1 管道停送煤气(简称 K31) 3.1.3.2 加热炉煤气停复役(简称 K32) 3.1.3.3 容器内动火检修(简称 t(33) 3.1.3.4 煤气管道动火准备(简称 K34) 3.1.3.5 违章查找(简称 K35)3.1.4 科目 4:作业现场应急处置(简称 K4) 3.1.4.1 煤气中毒人员抢救(简称 K41) 3.1.4.2 煤气设备着火处理(简称 K42) 3.1.4.3 煤气设备爆炸处理(简称 K43) 3.1.4.4 煤气柜泄漏处理(简称 K44) 3.1.4.5 单人徒手心肺复苏操作(简称 K45)3.2 组卷方式 试卷从上述 4 个科目考题中,各抽取一道题目组成.具体题目由考试系统或考生抽取产生。3.3 考试成绩 实操考试总分值 100 分,80 分(含)以上为考试合格;若考题中设置有否决项,否决项未通过,则实操考试不合格。科目 l、科目 2、科目 3、科目 4 考题分值权重分别为20%、40%、20%、20%。3.4 考试时间 j 60 分钟.4.考试内容4.1 安全用具使用4.1.1 安全标志识别 4.1.1.1 考试方式 仿真模拟操作、口述. 4.1.1.2 考试时间 10 分钟. 4.1.1.3 操作步骤 (1)禁止标志的使用 (2)警告标志的使用 (3)指令标志的使用 (4)提示标志的使用 4.1.1.4 评分标准K11 安全标志识别 考试时间:10 分钟序号考试项目 考试内容配分评分标准1准备工作劳动防护用品20安全帽未正确佩戴、工作服衣领未扣、袖口未扣、衣襟未扣、未穿劳保鞋,每项扣4分,共20分,本项配分扣完为止。2操作过程 禁止标志使用20任选四块,标志使用不正确每个扣5分,本项配分扣完为止。警告标志使用20任选四块,标志使...

1、当您付费下载文档后,您只拥有了使用权限,并不意味着购买了版权,文档只能用于自身使用,不得用于其他商业用途(如 [转卖]进行直接盈利或[编辑后售卖]进行间接盈利)。
2、本站所有内容均由合作方或网友上传,本站不对文档的完整性、权威性及其观点立场正确性做任何保证或承诺!文档内容仅供研究参考,付费前请自行鉴别。
3、如文档内容存在违规,或者侵犯商业秘密、侵犯著作权等,请点击“违规举报”。

碎片内容

煤气作业安全技术实际操作考试标准

您可能关注的文档

确认删除?
VIP
微信客服
  • 扫码咨询
会员Q群
  • 会员专属群点击这里加入QQ群
客服邮箱
回到顶部