电脑桌面
添加小米粒文库到电脑桌面
安装后可以在桌面快捷访问

2025年驾驶员技能竞赛实际操作项目及评分标准

2025年驾驶员技能竞赛实际操作项目及评分标准_第1页
1/7
2025年驾驶员技能竞赛实际操作项目及评分标准_第2页
2/7
2025年驾驶员技能竞赛实际操作项目及评分标准_第3页
3/7
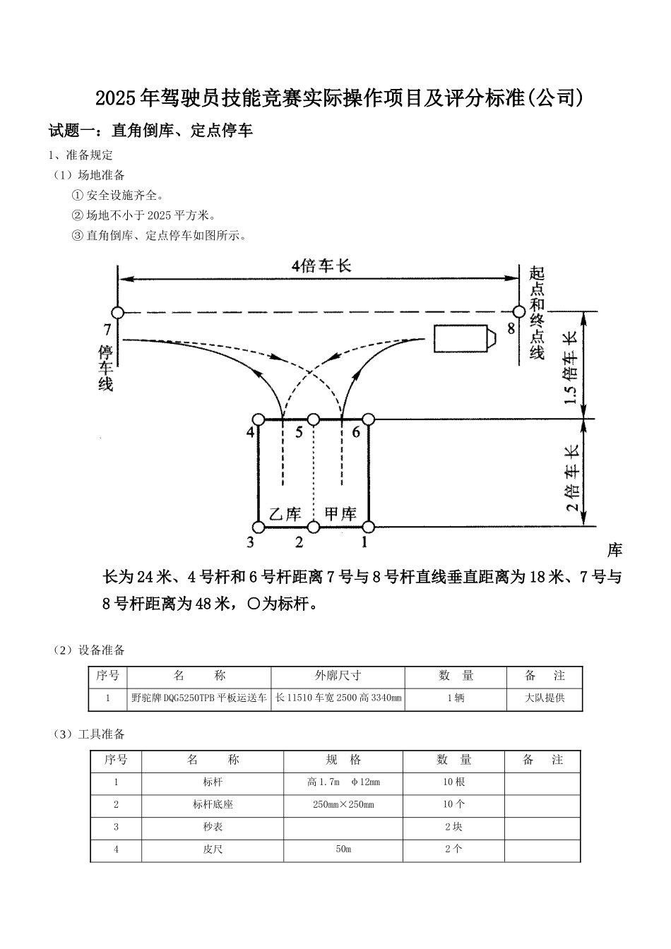
2025 年驾驶员技能竞赛实际操作项目及评分标准(公司)试题一:直角倒库、定点停车1、准备规定(1)场地准备① 安全设施齐全。② 场地不小于 2025 平方米。③ 直角倒库、定点停车如图所示。参赛使用野驼牌 DQG5250TPB 平板运送车:竞赛场地库宽为 3.5 米、库长为 24 米、4 号杆和 6 号杆距离 7 号与 8 号杆直线垂直距离为 18 米、7 号与8 号杆距离为 48 米,○为标杆。(2)设备准备序号名 称外廓尺寸数 量备 注1野驼牌 DQG5250TPB 平板运送车 长 11510 车宽 2500 高 3340mm1 辆大队提供(3)工具准备序号名 称规 格数 量备 注1标杆高 1.7m φ12mm10 根2标杆底座250mm×250mm10 个3秒表2 块4皮尺50m2 个5红油漆2kg6白油漆2kg7毛刷2 把2、操作考核规定及说明 (1)操作程序说明:① 起动发动机;② 汽车起步;③ 右转弯直角倒库、定位倒车、左转出库、定点停车④ 左转弯直角倒库、定位倒车、右转出库、定点停车(2)考核规定说明:① 考核采纳野驼牌 DQG5250TPB 平板运送车,车辆技术状况良好。② 如操作违章,将停止考核。③ 考核采纳百分制,考核项目得分按组卷比重进行折算。(3)考核方式说明:该项目为实际操作题;以操作过程与操作标准结果进行评分。(4)测量技能说明:本项目重要测驾驶员直角倒库驾驶的纯熟限度。3、考核时限:① 操作时间:3min。② 计时从鸣号示意起步至完毕驾驶操作结束。③ 考核时,提前完毕操作不加分,超过规定期间按规定标准评分。4、评分登记表井下汽车驾驶员操作技能竞赛评分登记表单位 姓名 试题名称:直角倒库、定点停车 考试时间:3 min序号考试内容评 分 要 素配分评分标准扣分得分备注1起动发动机1.按操作程序起动发动机:打开电源开关,变速杆置于空挡位51.起动操作顺序错误一次扣 1 分2.起动前检查每漏一项扣 1 分置,驻车制动处在制动位置,踏下离合器踏板,打开点火开关至起动位置,起动发动机2.检查气压表、发动机转速表、里程表、燃油表、水温表,气压符合起步规定(0.6-0.8MPA)3.起动发动机二次未成功扣 1 分4.使用起动机违反技术操作规程(导致起动机出现故障)扣 1 分5.未检查气压表压力扣 1 分2汽车起步1.起点处车位不正,允准摆正(不扣分)2.检查车辆周边是否有人及障碍物,校正倒车镜3. 系好安全带,鸣号示意,平稳起步倒车(开始计时)101.检查每漏一项项扣 2 分2.未鸣号未系安全带扣 2 分3.未平稳起步扣...

1、当您付费下载文档后,您只拥有了使用权限,并不意味着购买了版权,文档只能用于自身使用,不得用于其他商业用途(如 [转卖]进行直接盈利或[编辑后售卖]进行间接盈利)。
2、本站所有内容均由合作方或网友上传,本站不对文档的完整性、权威性及其观点立场正确性做任何保证或承诺!文档内容仅供研究参考,付费前请自行鉴别。
3、如文档内容存在违规,或者侵犯商业秘密、侵犯著作权等,请点击“违规举报”。

碎片内容

2025年驾驶员技能竞赛实际操作项目及评分标准

您可能关注的文档

确认删除?
VIP
微信客服
  • 扫码咨询
会员Q群
  • 会员专属群点击这里加入QQ群
客服邮箱
回到顶部