电脑桌面
添加小米粒文库到电脑桌面
安装后可以在桌面快捷访问

最新建筑计算规则VIP免费

最新建筑计算规则_第1页
1/115
最新建筑计算规则_第2页
2/115
最新建筑计算规则_第3页
3/115
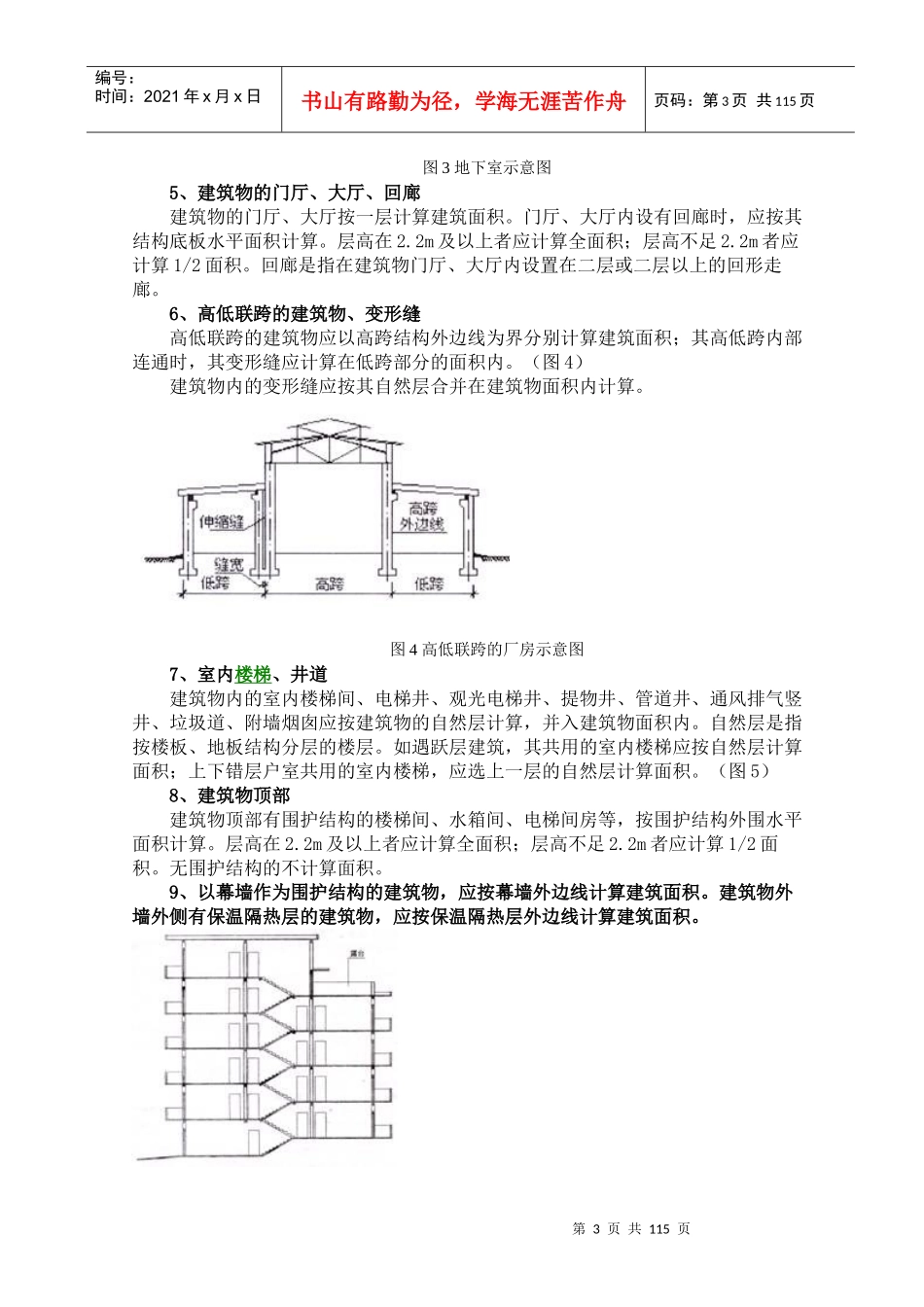
第1页共115页编号:时间:2021年x月x日书山有路勤为径,学海无涯苦作舟页码:第1页共115页新出台的《建筑工程建筑面积计算规范》建筑工程,建筑面积计算规范建筑面积是以平方米为计量单位反映房屋建筑规模的实物量指标,它广泛应用于基本建设计划、统计、设计、施工和工程概预算等各个方面,在建筑工程造价管理方面起着非常重要的作用,是房屋建筑计价的主要指标之一。为帮助大家学习和使用规范,我在这里以自己的理解来解读一下规范的内容,有不妥之处,敬请批评指正。规范内容包括总则、术语、计算建筑面积的规定三个部分以及规范条文说明。现综合起来讲解。第一部分总则阐述了规范制定目的、适用范围、建筑面积计算应遵循的原则等。第二部分例举了25条术语,对建筑面积计算规定中涉及的建筑物有关部位的名词作了解释或定义。第三部分计算建筑面积的规定共有25条,包括建筑面积计算范围、计算方法和不计算建筑面积的范围。规范条文说明对建筑面积计算规定中的具体内容、方法做了细部界定和说明,以便能准确地使用规定和方法。下面着重讲一下规范中的计算建筑面积的规定。一、房屋建筑的主体部分1、单层建筑物单层建筑物的建筑面积,应按其外墙勒脚以上结构外围水平面积计算。单层建筑物高度在2.2m及以上者应计算全面积;层高不足2.2m者应计算1/2面积。勒脚是指建筑物外墙与室外地面或散水接触部位墙体的加厚部分(图1);高度是指室内地面至屋面(最低处)结构标高之间的垂直距离。图1勒脚单层建筑物设有局部楼层者,局部楼层的二层及以上楼层,有围护结构的应按其围护结构外围水平面积计算,无围护结构的应按其结构底板水平面积计算。层高在2.2m及以上者应计算全面积;层高不足2.2m者应计算1/2面积。围护结构是指围合建筑空间四周的墙体、门、窗等。2、多层建筑物多层建筑物的建筑面积应按不同的层高划分界限分别计算。首层应按其外墙勒脚以上结构外围水平面积计算;二层及以上楼层应按其外墙结构外围水平面积计第2页共115页第1页共115页编号:时间:2021年x月x日书山有路勤为径,学海无涯苦作舟页码:第2页共115页算。层高在2.2m及以上者应计算全面积;层高不足2.2m者应计算1/2面积。这里我将这种算法简称为“层高界限计算法”。层高是指上下两层楼面(或地面至楼面)结构标高之间的垂直距离;其中,最上一层的层高是其楼面至屋面(最低处)结构标高之间的垂直距离。3、单(多)层建筑物的坡屋顶内空间单(多)层建筑物的坡屋顶内空间,当设计加以利用时,其净高超过2.1m的部位应计算全面积;净高在1.2m至2.1m的部位应计算1/2面积;净高不足1.2m的部位不应计算面积。设计不利用时不应计算面积。这里我将这种算法简称为“净高界限计算法”。净高是指楼面或地面至上部楼板(屋面板)底或吊顶底面之间的垂直距离。如图2:第(1)部分净高<1.2m,不计算面积;第(2)、(4)部分1.2m≤净高≤2.1m,计算1/2面积;第(3)部分净高>2.1m,应全部计算面积。4、地下建筑、架空层地下室、半地下室(包括相应的有永久性顶盖的出入口)建筑面积,应按其外墙上口(不包括采光井、外墙防潮层及其保护墙)外边线所围水平面积计算。层高在2.2m及以上者应计算全面积;层高不足2.2m者应计算1/2面积。房间地平面低于室外地平面的高度超过该房间净高的1/2者为地下室;房间地平面低于室外地平面的高度超过该房间净高的1/3,且不超过1/2者为半地下室;永久性顶盖是指经规划批准设计的永久使用的顶盖。图2坡屋顶下空间利用坡地建筑物吊脚架空层和深基础架空层的建筑面积,设计加以利用并有围护结构的,按围护结构外围水平面积计算。层高在2.2m及以上者应计算全面积;层高不足2.2m者应计算1/2面积。设计加以利用、无围护结构的建筑吊脚架空层,应按其利用部位水平面积的1/2计算;设计不利用的建筑吊脚架空层和深基础架空层,不应计算面积。第3页共115页第2页共115页编号:时间:2021年x月x日书山有路勤为径,学海无涯苦作舟页码:第3页共115页图3地下室示意图5、建筑物的门厅、大厅、回廊建筑物的门厅、大厅按一层计算建筑面积。门厅、大厅内设有回廊时,应按其结构底板水平面积计算。层高在2.2m及以...

1、当您付费下载文档后,您只拥有了使用权限,并不意味着购买了版权,文档只能用于自身使用,不得用于其他商业用途(如 [转卖]进行直接盈利或[编辑后售卖]进行间接盈利)。
2、本站所有内容均由合作方或网友上传,本站不对文档的完整性、权威性及其观点立场正确性做任何保证或承诺!文档内容仅供研究参考,付费前请自行鉴别。
3、如文档内容存在违规,或者侵犯商业秘密、侵犯著作权等,请点击“违规举报”。

碎片内容

最新建筑计算规则

教育教学文库+ 关注
实名认证
内容提供者

本店有大量的教育教学资料,课件

确认删除?
VIP
微信客服
  • 扫码咨询
会员Q群
  • 会员专属群点击这里加入QQ群
客服邮箱
回到顶部