电脑桌面
添加小米粒文库到电脑桌面
安装后可以在桌面快捷访问

深圳市良友五金制品厂清洁生产审核报告(送审稿)VIP免费

深圳市良友五金制品厂清洁生产审核报告(送审稿)_第1页
1/110
深圳市良友五金制品厂清洁生产审核报告(送审稿)_第2页
2/110
深圳市良友五金制品厂清洁生产审核报告(送审稿)_第3页
3/110
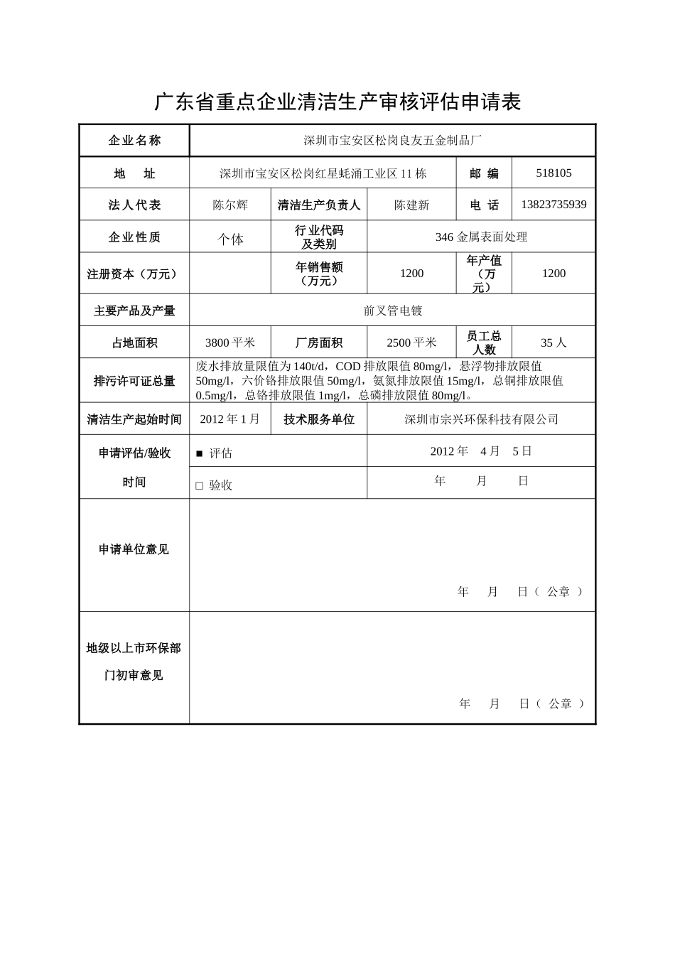
深圳市宝安区松岗良友五金制品厂清洁生产审核报告(送审稿)清洁生产技术服务单位:深圳市宗兴环保科技有限公司报告日期:2012年4月10日广东省重点企业清洁生产审核评估申请表企业名称深圳市宝安区松岗良友五金制品厂地址深圳市宝安区松岗红星蚝涌工业区11栋邮编518105法人代表陈尔辉清洁生产负责人陈建新电话13823735939企业性质个体行业代码及类别346金属表面处理注册资本(万元)年销售额(万元)1200年产值(万元)1200主要产品及产量前叉管电镀占地面积3800平米厂房面积2500平米员工总人数35人排污许可证总量废水排放量限值为140t/d,COD排放限值80mg/l,悬浮物排放限值50mg/l,六价铬排放限值50mg/l,氨氮排放限值15mg/l,总铜排放限值0.5mg/l,总铬排放限值1mg/l,总磷排放限值80mg/l。清洁生产起始时间2012年1月技术服务单位深圳市宗兴环保科技有限公司申请评估/验收时间■评估2012年4月5日□验收年月日申请单位意见年月日(公章)地级以上市环保部门初审意见年月日(公章)广东省重点企业清洁生产审核绩效表企业名称深圳市宝安区松岗良友五金制品厂填表人陈建新填报类型■评估申请□评估后认定□验收申请□验收后认定本轮清洁生产审核培训、宣传总次数8次培训总人数/人次240人次本轮清洁生产已实施方案前后效益对比方案分类标准:5万元≤中费方案≤10万元已实施无/低费方案中高费方案合计总计已实施待实施已实施待实施方案个数(个)25225227所需投资(万元)2.4158.42.4158.4160.8经济效益(万元)[1]1.9141.9145.91环境效益废水减排(万吨)废气减排(万标m3)/COD减排(吨)SO2减排(吨)/氨氮减排(吨)/NOx减排(吨)/总磷减排(吨)/烟尘减排(吨)/第一类污染物[2]减排(吨)/粉尘减排(吨)/…/一般固废减排(吨)/…/危险废物减排(吨)/…/其他减排(吨)/总量核查确认COD减排量(吨)/总量核查确认SO2减排量(吨)/资源能源节约情况节水(万吨)1.18节电(万度)1.272节煤(万吨)/节油(吨)/节天然气(万m3)/节综合能耗(标煤)1.56吨标煤取得突出减排效果的中/高费方案简介无深圳市宗兴环保科技有限公司有限公司清洁生产审核咨询小组成员名单:表0-1清洁生产审核咨询小组表名称职称/职务审核师证书编号深圳市宝安区松岗良友五金制品厂厂清洁生产审核领导小组成员名单:表0-2清洁生产审核领导小组表姓名小组职务来自部门及职务职称陈建新总经理组长罗岳荣厂长副组长范贵根生产主管副组长陈小四生产组长组员王启用环保组长组员吴浩娜行政部组员深圳市宝安区松岗良友五金制品厂企业承诺(盖章):我们对本报告的真实性和完整性负责。本报告的结果部分经审查同意后公开。深圳市宗兴环保科技有限公司有限公司清洁生产技术服务单位承诺(盖章):我们对本报告的真实性和完整性负责。目录1前言..........................................................................................................................................11.1推行清洁生产的意义和必要性.......................................................................11.2公司的基本信息...............................................................................................11.3公司清洁生产审核的开展情况.......................................................................21.4公司存在的主要资源和环境问题...................................................................22审核准备..................................................................................................................................42.1组建清洁生产审核小组...................................................................................42.2审核工作计划...................................................................................................52.3宣传和教育.......................................................................................................72.4建立激励机制............................................

1、当您付费下载文档后,您只拥有了使用权限,并不意味着购买了版权,文档只能用于自身使用,不得用于其他商业用途(如 [转卖]进行直接盈利或[编辑后售卖]进行间接盈利)。
2、本站所有内容均由合作方或网友上传,本站不对文档的完整性、权威性及其观点立场正确性做任何保证或承诺!文档内容仅供研究参考,付费前请自行鉴别。
3、如文档内容存在违规,或者侵犯商业秘密、侵犯著作权等,请点击“违规举报”。

碎片内容

深圳市良友五金制品厂清洁生产审核报告(送审稿)

您可能关注的文档

确认删除?
VIP
微信客服
  • 扫码咨询
会员Q群
  • 会员专属群点击这里加入QQ群
客服邮箱
回到顶部