电脑桌面
添加小米粒文库到电脑桌面
安装后可以在桌面快捷访问

板对接二氧化碳气体保护焊操作训练-项目二二氧化碳气体保护VIP免费

板对接二氧化碳气体保护焊操作训练-项目二二氧化碳气体保护_第1页
1/6
板对接二氧化碳气体保护焊操作训练-项目二二氧化碳气体保护_第2页
2/6
板对接二氧化碳气体保护焊操作训练-项目二二氧化碳气体保护_第3页
3/6
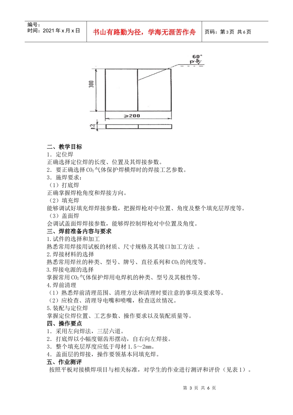
第1页共6页编号:时间:2021年x月x日书山有路勤为径,学海无涯苦作舟页码:第1页共6页课题一板—板对接的焊接技能训练任务一平板对接平焊一、焊件图二、教学目标1.装配与定位焊熟悉坡口角度、钝边大小和装配间隙要求。2.要正确选择CO2气体保护焊平焊时焊接工艺参数。3.施焊要求:(1)打底焊正确选择焊接方向、把握好焊枪的摆动幅度,控制好电弧的稳定燃烧及坡口两侧的停留时间。(2)填充焊施焊前应将打底层焊道清理干净,将焊道上局部凸出处打磨平整,且焊接时做到不烧化坡口棱边等。(3)盖面焊控制好焊枪角度。三、焊前准备内容与要求1.试件的选择和加工熟悉常用焊接用试板的材质、尺寸规格及其坡口加工方法。2.焊接材料的选择熟悉常用焊丝的种类、型号、牌号、直径系列和CO2的纯度等。3.焊接电源的选择掌握常用CO2气体保护焊用电焊机的种类、型号及其极性等。4.焊前清理熟悉焊前清理范围、清理方法和清理时要注意的事项及要求等。5.装配与定位焊第2页共6页第1页共6页编号:时间:2021年x月x日书山有路勤为径,学海无涯苦作舟页码:第2页共6页掌握定位焊位置、工艺参数、操作要求以及装配质量等。6.其他准备焊接检验尺及电焊面罩等工具的准备。四、操作要点1.三层三道。2.打底焊(1)电弧始终在坡口内作小幅度横向摆动。(2)严格控制喷嘴的高度,电弧必须在离坡口底部2~3mm处燃烧。3.填充层的高度低于表面1.5~2mm,焊接时不允许烧化坡口棱边。4.盖面焊(1)保持喷嘴高度,焊接熔池边缘应超过坡口棱边0.5~1.5mm。(2)焊枪横向摆动幅度应比填充焊时稍大,尽量保持焊接速度均匀。五、作业测评按照平板对接平焊项目与相关标准,对学生的作业进行测评和评价(见表1)。表1平板对接平焊CO2焊的考核项目、考核要求及评分标准考核项目考核要求类别名称技术考核外观检查裂纹、烧穿、焊缝低于母材不允许存在夹渣、气孔缺陷尺寸≤3mm焊缝宽度≤20mm焊缝宽度差≤3mm焊缝余高≤3mm焊缝余高差≤3mm咬边深度≤0.5mm未焊透深度≤1.5mm背面凹坑深度≤2mm背面焊缝余高≤3mmn错边≤1.2mm角变形≤3º任务二平板对接横焊一、焊件图第3页共6页第2页共6页编号:时间:2021年x月x日书山有路勤为径,学海无涯苦作舟页码:第3页共6页二、教学目标1.定位焊正确选择定位焊的长度、位置及其焊接参数。2.要正确选择CO2气体保护焊横焊时的焊接工艺参数。3.施焊要求:(1)打底焊正确掌握焊枪角度和焊接方向。(2)填充焊能够调试好填充焊焊接参数,把握焊枪对中位置、角度及整个填充层厚度等。(3)盖面焊会调试盖面焊焊接参数,能够焊控制焊枪对中位置及角度。三、焊前准备内容与要求1.试件的选择和加工熟悉常用焊接用试板的材质、尺寸规格及其坡口加工方法。2.焊接材料的选择熟悉常用焊丝的种类、型号、牌号、直径系列和CO2的纯度等。3.焊接电源的选择掌握常用CO2气体保护焊用电焊机的种类、型号及其极性等。4.焊前清理(1)熟悉焊前清理范围、清理方法和清理时要注意的事项及要求等。(2)应检查、清理导电嘴和喷嘴,检查送丝情况。5.装配与定位焊掌握定位焊位置、工艺参数、操作要求以及装配质量等。四、操作要点1.采用左向焊法,三层六道。2.打底焊以小幅度锯齿形摆动,自右向左焊接。3.整个填充层厚度应低于母材1.5~2mm。4.盖面层的焊接,操作要领基本同填充焊。五、作业测评按照平板对接横焊项目与相关标准,对学生的作业进行测评和评价(见表1)。第4页共6页第3页共6页编号:时间:2021年x月x日书山有路勤为径,学海无涯苦作舟页码:第4页共6页表1平板对接横焊CO2焊的考核项目、考核要求及评分标准考核项目考核要求类别名称技术考核外观检查裂纹、烧穿、焊缝低于母材不允许存在夹渣、气孔缺陷尺寸≤3mm焊缝宽度≤20mm焊缝宽度差≤3mm焊缝余高≤3mm焊缝余高差≤3mm咬边深度≤0.5mm未焊透深度≤1.5mm背面凹坑深度≤2mm背面焊缝余高≤3mmn错边≤1.2mm角变形≤3º任务三平板对接立焊一、焊件图第5页共6页第4页共6页编号:时间:2021年x月x日书山有路勤为径,学海无涯苦作舟页码:第5页共6页二、教学目标1.试件的组对与定位焊掌握板对接立焊试件组对的各项尺寸及定位焊要求。2.要正确...

1、当您付费下载文档后,您只拥有了使用权限,并不意味着购买了版权,文档只能用于自身使用,不得用于其他商业用途(如 [转卖]进行直接盈利或[编辑后售卖]进行间接盈利)。
2、本站所有内容均由合作方或网友上传,本站不对文档的完整性、权威性及其观点立场正确性做任何保证或承诺!文档内容仅供研究参考,付费前请自行鉴别。
3、如文档内容存在违规,或者侵犯商业秘密、侵犯著作权等,请点击“违规举报”。

碎片内容

板对接二氧化碳气体保护焊操作训练-项目二二氧化碳气体保护

您可能关注的文档

确认删除?
VIP
微信客服
  • 扫码咨询
会员Q群
  • 会员专属群点击这里加入QQ群
客服邮箱
回到顶部