电脑桌面
添加小米粒文库到电脑桌面
安装后可以在桌面快捷访问

有机产品再次认证调查表VIP免费

有机产品再次认证调查表_第1页
1/10
有机产品再次认证调查表_第2页
2/10
有机产品再次认证调查表_第3页
3/10
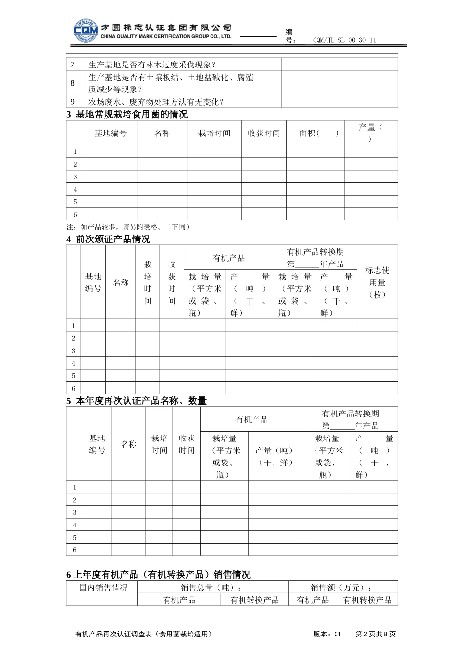
编号:CQM/JL-SL-00-30-11有机产品再次认证调查表(食用菌栽培适用)第一部分基本情况1申请方基本情况申请者中文名称申请者英文名称组织机构代码企业性质国有□集体□私营□合资、合作或独资□其它:注册办公地址邮政编码电话传真法定代表人姓名职务电子信箱手机电话联系人姓名职务电子信箱手机电话注册资本员工人数技术人员数年销售收入(万元)年出口额(万美元)2基地环境情况序号项目是/Y否/N请详细描述或提供相关文件1生产基地周边环境近三年有无变化?(城乡/交通干线//森林覆盖率)2近期是否进行了环境监测?(降水量/年均温/无霜期/主导风向)3本农场或周边地区养殖业有无变化?(种类、规模、管理方式等)4生产基地及加工厂周围是否有新增加的污染源?(如有:注明名称、位置、污染物、可能的影响)4.1生产基地周围是否新增加加工或制造企业等?4.2生产基地及加工厂大气是否受到污染?4.3生产基地及加工厂水源是否受到污染?4.4生产基地土壤是否受到污染?5有机地块与常规地块之间缓冲带有无变化?6生产基地是否有水土流失或沙化现象?有机产品再次认证调查表(食用菌栽培适用)版本:01第1页共8页编号:CQM/JL-SL-00-30-117生产基地是否有林木过度采伐现象?8生产基地是否有土壤板结、土地盐碱化、腐殖质减少等现象?9农场废水、废弃物处理方法有无变化?3基地常规栽培食用菌的情况基地编号名称栽培时间收获时间面积()产量()123456注:如产品较多,请另附表格。(下同)4前次颁证产品情况基地编号名称栽培时间收获时间有机产品有机产品转换期第年产品标志使用量(枚)栽培量(平方米或袋、瓶)产量(吨)(干、鲜)栽培量(平方米或袋、瓶)产量(吨)(干、鲜)1234565本年度再次认证产品名称、数量基地编号名称栽培时间收获时间有机产品有机产品转换期第年产品栽培量(平方米或袋、瓶)产量(吨)(干、鲜)栽培量(平方米或袋、瓶)产量(吨)(干、鲜)1234566上年度有机产品(有机转换产品)销售情况国内销售情况销售总量(吨):销售额(万元):有机产品有机转换产品有机产品有机转换产品有机产品再次认证调查表(食用菌栽培适用)版本:01第2页共8页编号:CQM/JL-SL-00-30-11代理商是否有变化?(有/无)若有,请填写下表被认证是口否口中文名称:负责人:地址:邮编:联系电话:传真:电子信箱:产品是否经过代理商处理(如换包装等)是口否口出口情况出口国家销售总量(吨):销售额(万元):有机产品有机转换产品有机产品有机转换产品有机产品有机转换产品出口代理商简况被认证是口否口中文名称:负责人:地址:邮编:联系电话:传真:电子信箱:产品是否经过出口商处理(如换包装等)是口否口若代理商较多,请另附表(下同)7上年度常规产品销售情况国内销售情况销售总量(吨):销售额(万元):代理商是否有变化?(有/无)若有,请填写下表国内代理商简况中文名称:负责人:地址:邮编:联系电话:传真:电子信箱:产品是否经过代理商处理(如换包装等)是口否口出口情况出口国家销售总量(吨):销售额(万元):出口代理商简况中文名称:负责人:地址:邮编:联系电话:传真:电子信箱:产品是否经过出口商处理(如换包装等)是口否口8前次认证整改要求完成情况(附相关证明材料)无整改要求整改要求整改是否及时整改情况是否全部完成基本完成没有进行整改有机产品再次认证调查表(食用菌栽培适用)版本:01第3页共8页编号:CQM/JL-SL-00-30-11有机产品再次认证调查表(食用菌栽培适用)版本:01第4页共8页编号:CQM/JL-SL-00-30-11第二部分食用菌栽培管理情况1栽培基地统计表(请附地块或菇房分布图)基地名称菇房编号栽培环境栽培方式栽培用水栽培用土栽培基质栽培品种栽培量(平方米、袋、瓶)培养废料处理管理人合计注:“栽培环境”、“栽培方式”、“栽培用水”、“栽培用土”请填入与实际情况相对应的字母。若为其它,则如实填写查看到的具体环境。“栽培环境”:A1路边、A2山间、A3山上、A4田中、其它;“栽培方式”:B1露天、B2竹、草棚、B3塑料棚、B4砖房,B5彩钢板房,其它;C1地栽(培养料直接铺在土壤上)、C2床栽(在用竹或木等材料搭起...

1、当您付费下载文档后,您只拥有了使用权限,并不意味着购买了版权,文档只能用于自身使用,不得用于其他商业用途(如 [转卖]进行直接盈利或[编辑后售卖]进行间接盈利)。
2、本站所有内容均由合作方或网友上传,本站不对文档的完整性、权威性及其观点立场正确性做任何保证或承诺!文档内容仅供研究参考,付费前请自行鉴别。
3、如文档内容存在违规,或者侵犯商业秘密、侵犯著作权等,请点击“违规举报”。

碎片内容

有机产品再次认证调查表

确认删除?
VIP
微信客服
  • 扫码咨询
会员Q群
  • 会员专属群点击这里加入QQ群
客服邮箱
回到顶部