电脑桌面
添加小米粒文库到电脑桌面
安装后可以在桌面快捷访问

施工现场企业形象识别系统标准VIP免费

施工现场企业形象识别系统标准_第1页
1/9
施工现场企业形象识别系统标准_第2页
2/9
施工现场企业形象识别系统标准_第3页
3/9
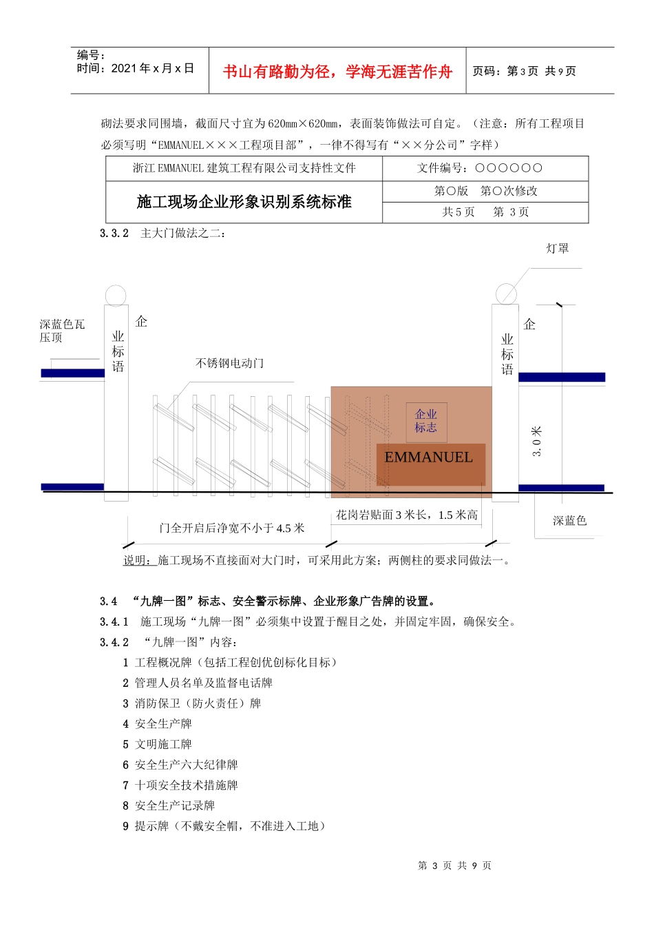
第1页共9页编号:时间:2021年x月x日书山有路勤为径,学海无涯苦作舟页码:第1页共9页浙江EMMANUEL建筑工程有限公司支持性文件文件编号:○○○○○○施工现场企业形象识别系统标准第○版第○次修改共5页第1页1目的1.1为全面实施企业发展战略和企业文化建设纲要,更好地塑造、宣传企业形象,展示EMMANUEL公司风采,依据公司《企业文化白皮书》,特制定本标准。1.2统一公司施工现场临时设施的设置及宣传设施制作标准,以达到“形象突出,简便实用,互通互换,成本低廉”的要求。2范围本标准适用于浙江EMMANUEL建筑工程有限公司承建的工程项目。3系统要求3.1一般要求:企业名称统一采用标准字,字体为方正综艺简体(字样见附一)。企业标志为蓝、红两种颜色组合。企业标准色为:蓝(色号C100M80)、红(色号M100Y100)、黑(色号B100)。当企业名称与企业标志连用时,企业名称用黑色;当企业名称单独使用时,则用蓝色。3.2现场围档3.2.1材料要求:一般应采用标准砖、多孔砖,市政道路工程或条件允许时可采用彩钢板围档。3.2.2材质要求:标准砖、多孔砖强度等级应≥MU10;砌筑砂浆强度等级应≥M5.0。如采用彩钢板,应保证固定牢固、稳定,不得破损。3.2.3围档高度:——市区主要路段及市容观景路段:≥2.5m;——其他路段:≥1.8m。3.2.4砌法及墙厚要求:应采用实砌法,不得采用空斗砌法,墙厚应确保墙体稳定,一般应≥240mm。3.2.5墙垛设置:墙垛间距,当墙高为1.8m时应≤5.0m,墙高为2.5m时应≤4.0m。墙垛尺寸应≥370mm×370mm。3.2.6压顶做法:——市区主要路段及市容观景路段:蓝色瓦压顶。——其他路段:标准砖压顶,做成琉璃瓦形状,刷蓝色油漆。3.2.7墙面粉刷:1:1:6混合砂浆打底,沿街面或沿主要通道面纸筋灰或白灰罩面,重要工程刷白色外墙涂料二道。墙体下部刷300mm宽深蓝色油漆勒脚(见大门示意图)。3.2.8围档上宣传标牌、标语、装饰壁画的设置:3.2.8.1主大门两侧设置企业形象标牌,标牌内容:1管理方针(服务用户、关爱员工、安全文明、绿色清净、创新创优、持续发展);2企业概况(公司统一编写内容,见附件二);3工程效果图及工程概况说明(包括工程名称、建设单位、设计单位、施工单位、监理第2页共9页第1页共9页编号:时间:2021年x月x日书山有路勤为径,学海无涯苦作舟页码:第2页共9页单位、质监单位、安监单位等);浙江EMMANUEL建筑工程有限公司支持性文件文件编号:○○○○○○施工现场企业形象识别系统标准第○版第○次修改共5页第2页注:标牌应用铝合金、不锈钢等材料制作边框,尺寸大小根据现场情况决定。不具备上述条件时,围档上至少应设置管理方针字语,其它字语可结合现场实际设置。3.2.8.2围档外侧临街面书写宣传标语,标语应以建设文明城市、宣传企业形象等为主题。3.2.8.3在闹市区、商业区可采用艺术壁画进行装饰,壁画内容应与企业文化、周围环境相适应,并根据季节、节日及画面的陈旧程度及时更换。3.2.8.4重要工程围墙墙垛顶部宜插小旗,小旗统一尺寸为30cm宽×50cm高,分红、黄、绿三种颜色,旗上印有“EMMANUEL”及企业标志。对于工期较长的工程,宜采用玻璃灯箱,乳白色灯光。3.3大门3.3.1主大门做法之一:说明:大门由钢板、型钢加工制作,防锈漆两道,外刷白色漆两道,其中铁门上、下部分各刷300mm宽深蓝色油漆线条,广告灯箱上“EMMANUEL×××工程项目部”为白底黑字,大门上“EMMANUEL”字样为白底蓝字;宣传广告灯箱采用钢架结构,柱顶现浇500mm高砼,预埋铁件并与钢架焊接或螺栓连接,连接必须牢固,保证安全;大门两侧的柱应采用标准砖砌筑,其材质、企业标语企业标语4.5~6mEMMANUEL×××工程项目部宣传广告灯箱(钢架结构)围墙围墙EMMANUEL不小于3米企业标志不小于4.8米深蓝色瓦压顶深蓝色0.6米第3页共9页第2页共9页编号:时间:2021年x月x日书山有路勤为径,学海无涯苦作舟页码:第3页共9页砌法要求同围墙,截面尺寸宜为620mm×620mm,表面装饰做法可自定。(注意:所有工程项目必须写明“EMMANUEL×××工程项目部”,一律不得写有“××分公司”字样)浙江EMMANUEL建筑工程有限公司支持性文件文件编号:○○○○○○施工现场企...

1、当您付费下载文档后,您只拥有了使用权限,并不意味着购买了版权,文档只能用于自身使用,不得用于其他商业用途(如 [转卖]进行直接盈利或[编辑后售卖]进行间接盈利)。
2、本站所有内容均由合作方或网友上传,本站不对文档的完整性、权威性及其观点立场正确性做任何保证或承诺!文档内容仅供研究参考,付费前请自行鉴别。
3、如文档内容存在违规,或者侵犯商业秘密、侵犯著作权等,请点击“违规举报”。

碎片内容

施工现场企业形象识别系统标准

您可能关注的文档

确认删除?
VIP
微信客服
  • 扫码咨询
会员Q群
  • 会员专属群点击这里加入QQ群
客服邮箱
回到顶部