电脑桌面
添加小米粒文库到电脑桌面
安装后可以在桌面快捷访问

方大科技大厦室内装潢工程_2VIP免费

方大科技大厦室内装潢工程_2_第1页
1/33
方大科技大厦室内装潢工程_2_第2页
2/33
方大科技大厦室内装潢工程_2_第3页
3/33
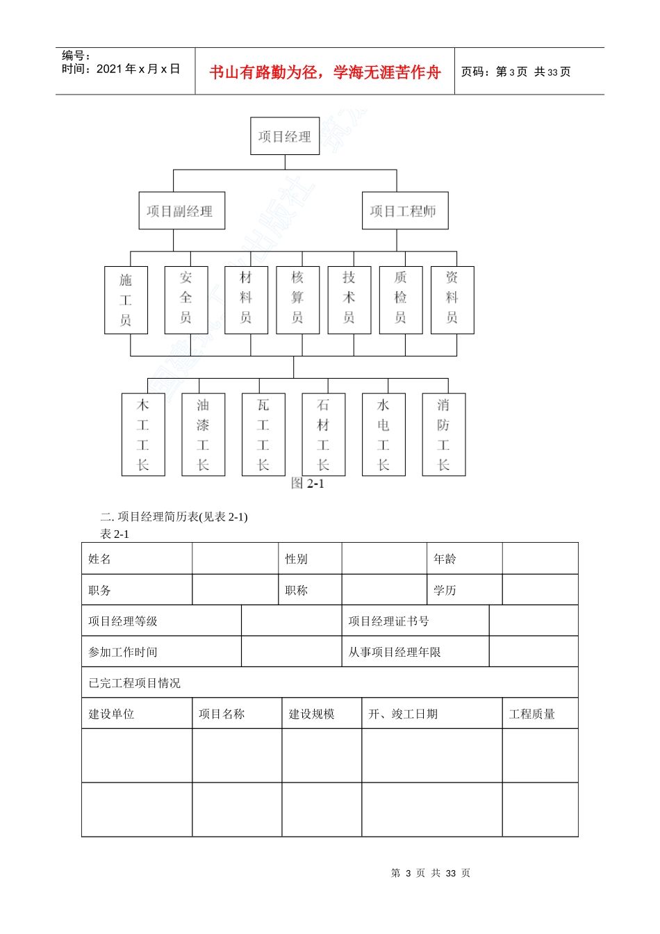
第1页共33页编号:时间:2021年x月x日书山有路勤为径,学海无涯苦作舟页码:第1页共33页目录第一章工程概况................................................................3第二章现场管理机构............................................................4第三章各分部分项工程主要施工方案..............................................8第四章施工总进度计划.........................................................34第五章施工平面布置示意图(见图5-1~图5-3).....................................34第六章施工资源配备计划.......................................................38第七章工期保证措施...........................................................46第八章质量保证措施...........................................................48第九章安全保证措施...........................................................53第十章安全防火措施...........................................................57第十一章夜间施工保证措施.....................................................58第十二章高档、高质量装修项目的施工及成品保护措施.............................59第十三章文明施工保证措施.....................................................63第十四章冬、雨期施工保证措施.................................................66第2页共33页第1页共33页编号:时间:2021年x月x日书山有路勤为径,学海无涯苦作舟页码:第2页共33页工程概况工程名称:×××××××××室内装潢工程建设单位:×××××××××××××××××公司设计单位:××××××××××××××公司建筑面积:12369㎡建设地点:×××××××××××路结构类型:现浇框架工程目标:质量目标:省优工程。工期目标:90d。安全目标:无任何伤亡及火灾事故。工程简介:本工程主要是××××××××××的室内装饰工程,是集办公、营业、休闲娱乐于一体的多功能办公楼,更是向××××人民展示其经济实力、信用等级的窗口。本工程的装潢包括:一.顶棚:主要采用轻钢龙骨纸面石膏板白色乳胶漆饰面,轻钢龙骨乐思龙铝板吊顶,卫生间采用的是轻钢龙骨微孔铝板吊顶。二.墙面:乳胶白漆,樱桃木踢脚板和艺术装饰画的完美结合。三.地面:集控中心、自动化机房采用抗静电地板,台球室采用阻燃地毯,乒乓球室采用木格栅细木工板基层复合木地板,卫生间采用的是防滑地砖,电梯间采用英国灰麻、山东白麻、黑金砂花岗石,其余部分采用600×600诺贝尔地砖。四.水电:生活用水采用PP-R管材及管件,热熔连接,排水管采用UPVC排水管及其管件。电源由配电房接来,照明电线分沿电缆桥架敷设及穿电线管敷设两种。五.消防:采用感烟、感温、自动喷淋报警系统。报警总线采用ZRBV-1.5,广播及通讯总线采用RVVP-1.5,火灾声光报警配线采用ZRBV-1.5,电源线采用ZRBV-2.5。全部穿电线管敷设。现场管理机构××××××××××室内装潢工程作为我公司2003年度的重点创优精品目标管理项目和在××××地区的形象工程。一旦我公司中标,将选派我公司的精兵强将组成项目经理部,负责本工程的施工、质量、进度、安全、协调工作。我公司各职能部门也将对本工程各阶段进行纵向协调和控制,针对本工程要求高、时间紧、任务重、施工复杂、施工内容特殊的特点,我公司人员提前进驻工地,认真做好施工前期的各项准备工作。现场管理组织框图(见图2-1)第3页共33页第2页共33页编号:时间:2021年x月x日书山有路勤为径,学海无涯苦作舟页码:第3页共33页二.项目经理简历表(见表2-1)表2-1姓名性别年龄职务职称学历项目经理等级项目经理证书号参加工作时间从事项目经理年限已完工程项目情况建设单位项目名称建设规模开、竣工日期工程质量第4页共33页第3页共33页编号:时间:2021年x月x日书山有路勤为径,学海无涯苦作舟页码:第4页共33页三、要施工管理人员表(见表2-2)表2-2名称姓名职务职称主要资历、及承担过的项目一.总部1.项目主管2.技术负责人二.现场1.项目经理2.项目副经理3.项目工程师4.质量管理5.材料...

1、当您付费下载文档后,您只拥有了使用权限,并不意味着购买了版权,文档只能用于自身使用,不得用于其他商业用途(如 [转卖]进行直接盈利或[编辑后售卖]进行间接盈利)。
2、本站所有内容均由合作方或网友上传,本站不对文档的完整性、权威性及其观点立场正确性做任何保证或承诺!文档内容仅供研究参考,付费前请自行鉴别。
3、如文档内容存在违规,或者侵犯商业秘密、侵犯著作权等,请点击“违规举报”。

碎片内容

方大科技大厦室内装潢工程_2

确认删除?
VIP
微信客服
  • 扫码咨询
会员Q群
  • 会员专属群点击这里加入QQ群
客服邮箱
回到顶部