电脑桌面
添加小米粒文库到电脑桌面
安装后可以在桌面快捷访问

无线基站产品硬件质量标准VIP免费

无线基站产品硬件质量标准_第1页
1/5
无线基站产品硬件质量标准_第2页
2/5
无线基站产品硬件质量标准_第3页
3/5
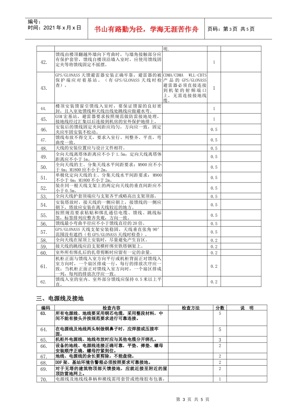
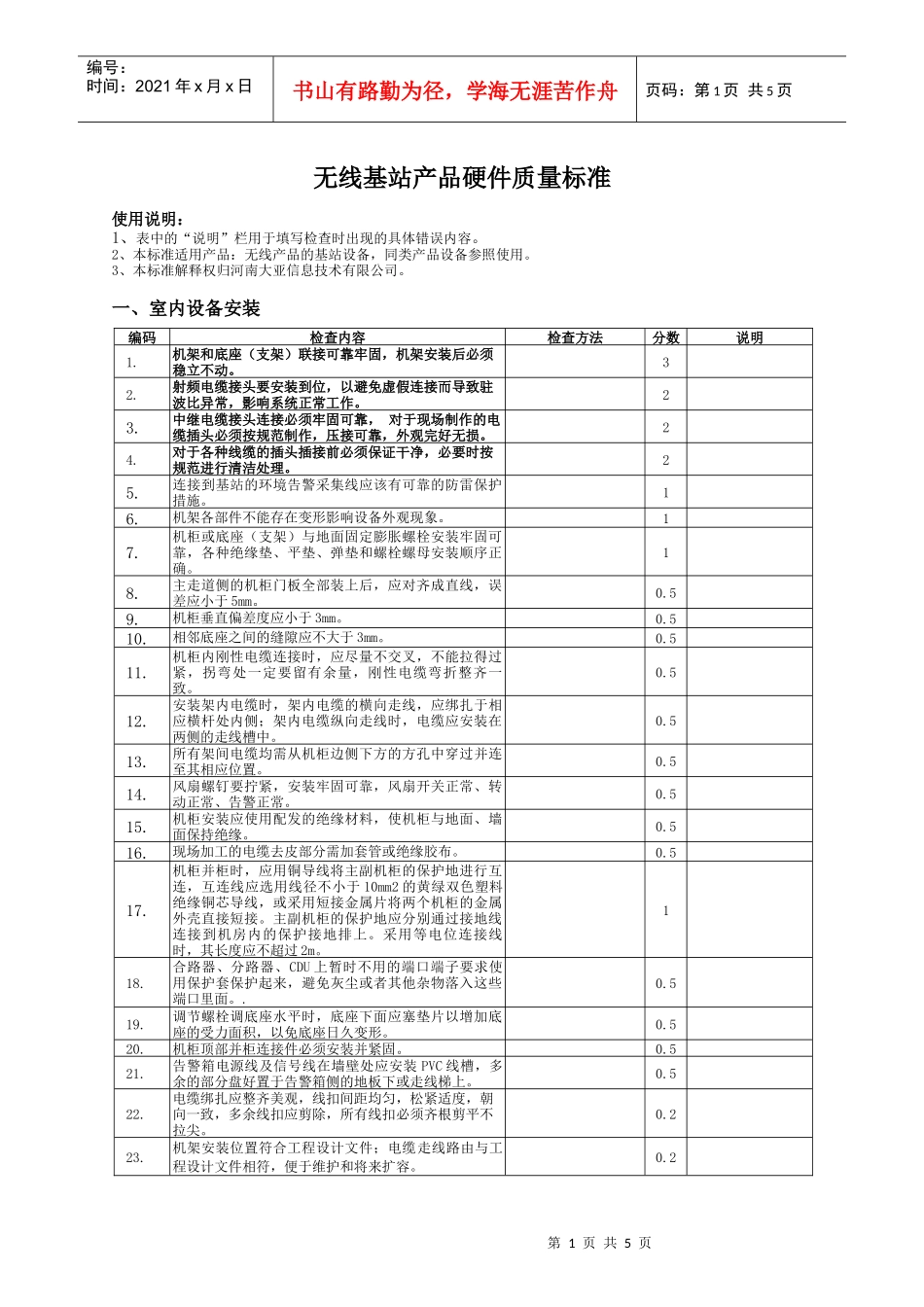
第1页共5页编号:时间:2021年x月x日书山有路勤为径,学海无涯苦作舟页码:第1页共5页无线基站产品硬件质量标准使用说明:1、表中的“说明”栏用于填写检查时出现的具体错误内容。2、本标准适用产品:无线产品的基站设备,同类产品设备参照使用。3、本标准解释权归河南大亚信息技术有限公司。一、室内设备安装编码检查内容检查方法分数说明1.机架和底座(支架)联接可靠牢固,机架安装后必须稳立不动。32.射频电缆接头要安装到位,以避免虚假连接而导致驻波比异常,影响系统正常工作。23.中继电缆接头连接必须牢固可靠,对于现场制作的电缆插头必须按规范制作,压接可靠,外观完好无损。24.对于各种线缆的插头插接前必须保证干净,必要时按规范进行清洁处理。25.连接到基站的环境告警采集线应该有可靠的防雷保护措施。16.机架各部件不能存在变形影响设备外观现象。17.机柜或底座(支架)与地面固定膨胀螺栓安装牢固可靠,各种绝缘垫、平垫、弹垫和螺栓螺母安装顺序正确。18.主走道侧的机柜门板全部装上后,应对齐成直线,误差应小于5mm。0.59.机柜垂直偏差度应小于3mm。0.510.相邻底座之间的缝隙应不大于3mm。0.511.机柜内刚性电缆连接时,应尽量不交叉,不能拉得过紧,拐弯处一定要留有余量,刚性电缆弯折整齐一致。0.512.安装架内电缆时,架内电缆的横向走线,应绑扎于相应横杆处内侧;架内电缆纵向走线时,电缆应安装在两侧的走线槽中。0.513.所有架间电缆均需从机柜边侧下方的方孔中穿过并连至其相应位置。0.514.风扇螺钉要拧紧,安装牢固可靠,风扇开关正常、转动正常、告警正常。0.515.机柜安装应使用配发的绝缘材料,使机柜与地面、墙面保持绝缘。0.516.现场加工的电缆去皮部分需加套管或绝缘胶布。0.517.机柜并柜时,应用铜导线将主副机柜的保护地进行互连,互连线应选用线径不小于10mm2的黄绿双色塑料绝缘铜芯导线,或采用短接金属片将两个机柜的金属外壳直接短接。主副机柜的保护地应分别通过接地线连接到机房内的保护接地排上。采用等电位连接线时,其长度应不超过2m。118.合路器、分路器、CDU上暂时不用的端口端子要求使用保护套保护起来,避免灰尘或者其他杂物落入这些端口里面。.0.519.调节螺栓调底座水平时,底座下面应塞垫片以增加底座的受力面积,以免底座日久变形。0.520.机柜顶部并柜连接件必须安装并紧固。0.521.告警箱电源线及信号线在墙壁处应安装PVC线槽,多余的部分盘好置于告警箱侧的地板下或走线梯上。0.522.电缆绑扎应整齐美观,线扣间距均匀,松紧适度,朝向一致,多余线扣应剪除,所有线扣必须齐根剪平不拉尖。0.223.机架安装位置符合工程设计文件;电缆走线路由与工程设计文件相符,便于维护和将来扩容。0.2第2页共5页第1页共5页编号:时间:2021年x月x日书山有路勤为径,学海无涯苦作舟页码:第2页共5页24.机房铺设的防静电地板上平面,不能高于底座的下表面(以免影响底座的散热作用)。0.225.机柜的活动附件动作正常。门、门锁等开关顺畅。0.526.电缆按规范填写标签并粘贴,标签位置整齐、朝向一致,可根据客户要求统一制作,便于查看。一般建议标签粘贴在距插头2cm处。0.227.从合路器、分路器、CDU到机柜顶的连接电缆,要从机柜的两侧空隙穿过。0.228.假拉手条及假面板应全部安装。0.229.单板拔插顺畅,若单板的面板有螺钉则应松紧适度,弹簧钢丝完好。0.530.跳线分层分扇区布放。0.231.告警箱应按设计要求正确安装,面板应清洁无明显损伤痕迹。0.232.机架各部件安装不能造成油漆脱落或碰伤等影响设备外观现象,否则应补漆处理。.0.233.电缆插头插接处应留适量余量。0.2二、基站天馈部分编码检查内容检查方法分数说明34.所有室外跳线、馈线接头处均应按规范正确作防水密封处理。.435.天线应在避雷针45度角的保护区域内。436.馈线无明显的折、拧现象,馈线无裸露铜皮。437.馈线接头制作规范,无松动。438.天线支架与铁塔连接应可靠牢固,天线与天线支架的连接也应可靠牢固。339.天馈安装检查:1、天线方位角、下倾角安装与设计一致;2、天线连接正确,扇区关系正确,没有接反、接错;3、基站定标测试、灵敏度测试指标符合要求;首先检查物理连线...

1、当您付费下载文档后,您只拥有了使用权限,并不意味着购买了版权,文档只能用于自身使用,不得用于其他商业用途(如 [转卖]进行直接盈利或[编辑后售卖]进行间接盈利)。
2、本站所有内容均由合作方或网友上传,本站不对文档的完整性、权威性及其观点立场正确性做任何保证或承诺!文档内容仅供研究参考,付费前请自行鉴别。
3、如文档内容存在违规,或者侵犯商业秘密、侵犯著作权等,请点击“违规举报”。

碎片内容

无线基站产品硬件质量标准

您可能关注的文档

确认删除?
VIP
微信客服
  • 扫码咨询
会员Q群
  • 会员专属群点击这里加入QQ群
客服邮箱
回到顶部