电脑桌面
添加小米粒文库到电脑桌面
安装后可以在桌面快捷访问

某公司工作程序及操作细则VIP免费

某公司工作程序及操作细则_第1页
1/53
某公司工作程序及操作细则_第2页
2/53
某公司工作程序及操作细则_第3页
3/53
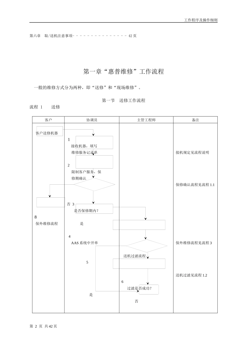
工作程序及操作细则目录第一章“惠普维修”工作流程------------第3页第一节送修和现场工作流程---------第3页第二章岗位定义及工作职责-------------24页第一节岗位定义--------------24页第二节工作职责描述------------24页第三章协调员的工作程序及操作细则---------26页第一节协调员的工作程序----------26页第二节协调员工作操作细则---------26页第三章工程师的工作程序及操作细则---------30页第一节工程师的工作程序----------30页第二节工程师工作操作细则---------30页第三节防静电工作室的维护---------33页第四节维修工具清单------------34页第四章备件管理员的工作程序及操作细则-------35页第五章服务产品销售人员的工作程序及操作细则----36页第六章维修部经理的工作程序及操作细则-------40页第一节维修部经理的工作程序--------40页第二节维修部经理的工作操作细则------40页第1页共42页工作程序及操作细则第六章取/送机注意事项---------------42页第一章“惠普维修”工作流程一般的维修方式分为两种,即“送修”和“现场维修”。第一节送修工作流程流程1送修客户协调员主管工程师备注客户送修机器8保外维修流程1接收机器,填写维修服务记录单2限制客户服务,保修期确认否3是否保修期内?是4AAS系统中开单5是送机过滤流程6过滤是否成功?否接机规定见流程说明保修确认流程见流程1.1保外维修流程见流程3送机过滤见流程1.2第2页共42页工作程序及操作细则7送机维修流程结束送机维修流程见流程1.3流程1.1保修确认客户能否主动出示是有效保修凭证否能查看报修机器的是出厂日期(LJ)否网上查询保修期或是电话向HP查询保修期否否客户出示发票?是否是报修机型是否为全球联保?是否为购买的LJ/DJ?第3页共42页工作程序及操作细则是作保外维修AAS系统中开单流程1.2送机过滤客户协调员主管工程师备注1是否为单纯部件否是5系统中以简单未用备件结单102故障恢复和检测程序3用户使用问题否4是填写维修服务记录单6填写维修服务记录单申请备件7进行故障分析8是否需申请备件是9否第4页共42页工作程序及操作细则AAS系统中申请备件12系统中以简单未用备件结单14AAS系统中取消维修单填写维修服务记录单转给协调员11是简单调整解决问题否13是否是为软件问题并解决否15升级到CCC填写维修服务记录单转给协调员申请取消流程1.3送机流程协调员维修单工程师库房HP备注1AAS系统申请备件4系统标注到达时间等待备件备件全到等待维修3库房接收备件清单给协调员2发出备件维修单上标注派单第5页共42页工作程序及操作细则5向工程师派单10核对库房签字11AAS系统中结单12通知用户取机等待申请结单等待用户取机6领取备件完成维修8标注备件状态还备件给库房13用户取机验机7将备件给工程师9核对备件状态在维修单上签字14经理签字时间,并在系统中标注工程师工号工程师和库房之间的交接工具为维修单和备件传递表应确保备件状态准确维修完成当日通知用户取机不晚于结单后第二个工作日,在维修单上注明通知时间和联系人经理签字最好在结单之前流程1.4验机送机验机流程送机验机流程取机验机流程取机验机流程第6页共42页工作程序及操作细则工程师询问客户工程师针对故障现象及经过故障点验机工程师尽可工程师对机器能重现故障做全面功能测试工程师为客户工程师向客户解分析产生故障释故障产生原因的可能原因工程师与客户工程师向客户介确认机器配置绍产品使用常识及维护方法工程师再次询问客户有确认客户机器否其它故障附件完整无损工程师确定能否工程师询问客户当场排除故障有否其他要求功能测试要求:激光/喷墨打印机:-自检测试通过,联机打印测试通过PC机:-联机打印3页以上,确认各纸盒及-加电自检,确认CPU、MEMORY、HDD纸槽走纸正常等参数与送修时一致-用诊断工具软件进行全面功能测试联机打印测试页请用惠普发下的其它:“产品使用小常识”。-参考个类产品维修手册进行检测流程描述如下:1、客户将机器送到维修中心,协调员在前台接收机器,接机是注意:第7页共42页工作程序及操作细则①协助用户填写维修服务单,在维修服务单上标注客户信息和机器信息。②客户送修所附带的附件,应在服务记录单...

1、当您付费下载文档后,您只拥有了使用权限,并不意味着购买了版权,文档只能用于自身使用,不得用于其他商业用途(如 [转卖]进行直接盈利或[编辑后售卖]进行间接盈利)。
2、本站所有内容均由合作方或网友上传,本站不对文档的完整性、权威性及其观点立场正确性做任何保证或承诺!文档内容仅供研究参考,付费前请自行鉴别。
3、如文档内容存在违规,或者侵犯商业秘密、侵犯著作权等,请点击“违规举报”。

碎片内容

某公司工作程序及操作细则

您可能关注的文档

确认删除?
VIP
微信客服
  • 扫码咨询
会员Q群
  • 会员专属群点击这里加入QQ群
客服邮箱
回到顶部