电脑桌面
添加小米粒文库到电脑桌面
安装后可以在桌面快捷访问

某公司企业战略企划管理办法VIP免费

某公司企业战略企划管理办法_第1页
1/23
某公司企业战略企划管理办法_第2页
2/23
某公司企业战略企划管理办法_第3页
3/23
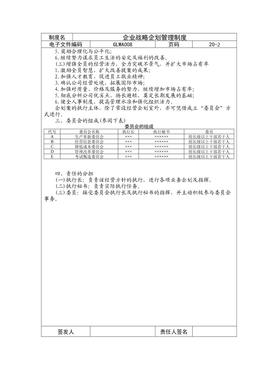
制度名企业战略企划管理制度电子文件编码页码20-1××公司经营企划工作条例第一节概论一、公司年度基本经营资料(一)行业:(略)(二)资产总额:(略)(三)营业额:(略)(四)税前纯利:(略)(五)员工总数:(略)(六)经营企划单位:(略)二、公司年度经营方针为激励全员经营意识,完成公司的最高经营目标,公司的经营企划室依据总经理的经营理念,拟定如下《年度经营方针》为全体同仁该年度努力方向。(一)为生产世界第一流的产品而奋斗1.生产过程合理化,以提高生产率;2.积极推行自动化,以利技术升级;3.建立周全的质量管理制度,以确保产品的质量;4.杜绝不良产品的产生,以降低不良品率;5.降低成本,增强产品的竞争力;6.提高零部件自制率及生产设备自制能力。(二)建立合理化且有效率的经营体制1.经营目标明确化,做好成果的评价工作;2.明确各部门工作职责,以利经营方针的执行;3.全面推行创造性经营,以提高营运绩效;4.建立经营管理情报系统;签发人责任人签名制度名企业战略企划管理制度电子文件编码GLWA008页码20-25.奖励合理化与公平化;6.继续努力谋求员工生活的安定及福利的改善。(三)增强全员的经营活力,全力突破不景气,并扩大市场占有率1.激励全员智慧,扩大改善提案的成果;2.加强人才教育,促进员工敬业精神;3.确认公司经营处境,拓展国际市场;4.加强对质量、价格及服务的努力,继续增加市场占有率;5.彻底分析公司优劣点,扬长避短,奠定长期发展的基础;6.健全人事制度,提高管理水准和强化组织活力。企划案的执行主体,除了常设经营企划室外,亦可凭借成立“委员会”方式进行。三、委员会的组成(参阅下表)委员会的组成代号委员会名称执行长执行秘书委员A生产革新委员会×××××××××组长级以上干部若干人B经营信息委员会×××××××××组长级以上干部若干人C降低成本委员会×××××××××组长级以上干部若干人D管理改革委员会×××××××××组长级以上干部若干人E考试甄选委员会×××××××××组长级以上干部若干人四、责任的分担(一)执行长:负责该经营方针的执行,进行各项业务企划及指挥。(二)执行秘书:负责实际执行任务。(三)委员:接受委员会执行长及执行秘书的指挥,并主动积极参与委员会事务。签发人责任人签名制度名企业战略企划管理制度电子文件编码GLWA008页码20-3第二节年度经营方针与委员会若将年度经营方针视为企业经营的“目的”,则委员会即为达此目的的“手段”。因此,经营者可将该年度各项经营方针酌情指派给有关的委员会,负责企划及推展。各项经营方针必须归属于所成立的委员会。各项年度经营方针,分别指派于五大委员会。换言之,年度经营方针,将借助五大委员会的努力而实现。为了使各委员会任务的顺利完成,除了经营企划室应承担全盘企划任务之外,亦必须将企划工作深入于各委员会。因此,各委员会应依据经营方针,制订工作目标。一、生产革新委员会(一)绩效管理及标准时间小组(二)价值分析及价值革新小组(三)工业工程提案小组(四)品质管理小组(五)自动化小组(六)预防保养小组二、经营信息委员会(一)生产管理系统(二)生产线品质管理系统(三)工程基准系统(四)营业系统(五)会计账务系统三、降低成本委员会(一)降低成本计划(二)降低成本计划的执行(三)追踪、调整签发人责任人签名制度名企业战略企划管理制度电子文件编码GLWA008页码20-4(四)协作事项(五)综合检查及总结报告四、管理改革委员会(一)组织调整(二)创造性经营(三)职责明确化(四)事务流程合理化(五)经营方针(六)全公司所有会议的汇总整理五、考试甄选委员会(一)考试事务处理(二)甄选训练(三)规章修订(四)人员计划各委员会依据经营方针及工作目标,再行拟定更为缜密的企划“方案”。第三节专职企划单位的工作职责专职企划单位“企划发展部”,下设企划科、资料科、电脑科以及研究发展科等四个单位,其企划工作职责如下所示:一、企划科:(略)二、资料科:(略)三、电脑科:(略)四、研究发展科:(略)第四节经营企划工作的追踪进行经营企划工作时,究竟企划人员应对企划结果负责到何种程度?对此可以参照下列公式:签发人责任人签名制度名企业战略企划管理制度电子...

1、当您付费下载文档后,您只拥有了使用权限,并不意味着购买了版权,文档只能用于自身使用,不得用于其他商业用途(如 [转卖]进行直接盈利或[编辑后售卖]进行间接盈利)。
2、本站所有内容均由合作方或网友上传,本站不对文档的完整性、权威性及其观点立场正确性做任何保证或承诺!文档内容仅供研究参考,付费前请自行鉴别。
3、如文档内容存在违规,或者侵犯商业秘密、侵犯著作权等,请点击“违规举报”。

碎片内容

某公司企业战略企划管理办法

您可能关注的文档

确认删除?
VIP
微信客服
  • 扫码咨询
会员Q群
  • 会员专属群点击这里加入QQ群
客服邮箱
回到顶部