电脑桌面
添加小米粒文库到电脑桌面
安装后可以在桌面快捷访问

某公司物资流转管理规定VIP专享VIP免费

某公司物资流转管理规定_第1页
1/14
某公司物资流转管理规定_第2页
2/14
某公司物资流转管理规定_第3页
3/14
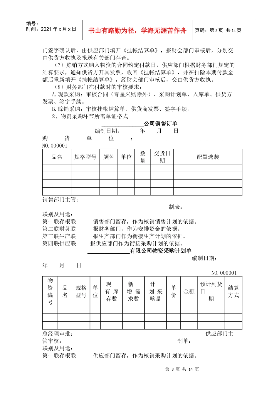
第1页共14页编号:时间:2021年x月x日书山有路勤为径,学海无涯苦作舟页码:第1页共14页某公司物资流转管理规定一、各部门工作职责一)仓库保管员职责1、凡购进的各种材料、委托加工收回的工件、生产车间完工的半成品(成品)等物资,必须及时按入库单验收点数,并填写实收数,及时记入库存台账。2、凡生产车间领用的各种材料、委托加工发出材料、完工产品销售出厂,必须凭生产车间领料单、委托加工发料单、销售发货单,按规定的品名、规格、数量发给,并认真核对,防止差错,及时记入库存台账。3、确保库存物资的账账、账实相符,要经常核对库存实物与账面数,月末库存物资盘点一次,如有不符,必须及时查明原因,并报请有关领导作出处理。4、每月月末过后三天内,向财会部门报送库存动态报表;平时每天向财会部门报送本仓库的入库单、出库单及领料单,以便财会部门及时复核、登账。5、妥善保管各种物资,做到堆放整齐清洁,先进先出,科学合理。正常库存物资与不良品库存物资必须分别堆放、分别入账。(二)生产统计人员职责1、根据生产计划,填好领料单并办妥领料手续,交领料人统一向仓库领取各种材料。2、对已完工的半成品(成品),由质检部门检验合格后,填写完工入库单。3、记录本车间材料收发、完工产品入库情况,每五日编制领料汇总表、完工产品入库汇总表,每月月后三天内与财会部门核对一次,如有不符,必须及时查明原因,并报请有关领导作出处理。4、平时记载生产工人完工产品(半成品)台账,并及时与生产工人核对,月末编制汇总结算表,根据计件工资定额计算应付工资,并在每月月后三天内报送财会部门审核。(三)采购兼委托加工材料内勤职责1、根据厂部筛选确认的供货厂商或受托加工厂商(以下简称供货方或受托方),建立管理档案,该档案包括:厂家的基本情况、供应或委托加工合同、交货方式、结算价格、结算方式、加工费结算、增值税管理资料等,并抄送一份报财务部门备案。2、根据生产计划,填制委托加工产品发料单,交有关仓库发料,经受托方经办人签字确认后,并及时分单位记入台账。3、根据供应方或受托方送交的完工产品,填制材料入库单或委托加工产品入库单,经本厂质检部门检验合格后,交有关仓库办理入库手续,并及时分单位记入台账。4、月末向财会部门报送本月入库明细汇总表、委托加工材料收发存报表、应付账款明细月报及加工费结算表。(四)销售部门内勤人员职责1、建立购货商档案:厂家的基本情况、销售合同、交货方式、结算价格、结算方式等。2、根据销售订单编制销售计划并下发相关部门。第2页共14页第1页共14页编号:时间:2021年x月x日书山有路勤为径,学海无涯苦作舟页码:第2页共14页3、开具销售发货单并办妥发货手续,交有关仓库发货。对以赊销方式销售的内销产品,必须经提货人签字确认后,并及时记入销售台账。4、做好定期与财务部门、购货商的对账工作,月末编制应收账款统计报表报送销售部门主管及财务部门。(五)质检部门职责1、及时检验采购入库的外购物资、委托加工交库产品、本公司内部生产车间完工交库产品的质量,并在入库单上签证确认。2、凡检验不合格的物资、委托加工产品及本公司内部生产车间完工交库产品,应拒绝办理签证确认手续,并及时报告有关领导处理。(六)财务部门职责1、设置供应商、购货商、委托加工厂商资料档案,做好合同管理工作。2、认真审核物资采购及销售的货款结算、物资出入库手续制度的执行结果,发现问题及时向有关领导报告。3、设置有关明细账簿,及时办理记账手续,做到账目清楚。4、做好财务与仓库、采购、销售部门的账账、账实的核对工作。二、单证流转程序操作规程(一)采购物资入仓环节1、采购物资的操作规程(1)本公司的采购业务统一由供应部门负责办理,其他部门或人员不得自行采购。(2)供应部门应根据销售部门下达的销售订单计划结合库存物资的数量、生产耗用进度的实际需要编制采购计划,报总经理(或其授权人员)批准后执行。(3)供应部门根据批准的采购计划组织采购,除零星采购外,批量采购业务必须先与供货方签订采购合同,采购合同应包括品种、规格、数量、质量、价格、交货日期、...

1、当您付费下载文档后,您只拥有了使用权限,并不意味着购买了版权,文档只能用于自身使用,不得用于其他商业用途(如 [转卖]进行直接盈利或[编辑后售卖]进行间接盈利)。
2、本站所有内容均由合作方或网友上传,本站不对文档的完整性、权威性及其观点立场正确性做任何保证或承诺!文档内容仅供研究参考,付费前请自行鉴别。
3、如文档内容存在违规,或者侵犯商业秘密、侵犯著作权等,请点击“违规举报”。

碎片内容

某公司物资流转管理规定

确认删除?
VIP
微信客服
  • 扫码咨询
会员Q群
  • 会员专属群点击这里加入QQ群
客服邮箱
回到顶部