电脑桌面
添加小米粒文库到电脑桌面
安装后可以在桌面快捷访问

某厦门工业厂房施工组织设计VIP免费

某厦门工业厂房施工组织设计_第1页
1/70
某厦门工业厂房施工组织设计_第2页
2/70
某厦门工业厂房施工组织设计_第3页
3/70
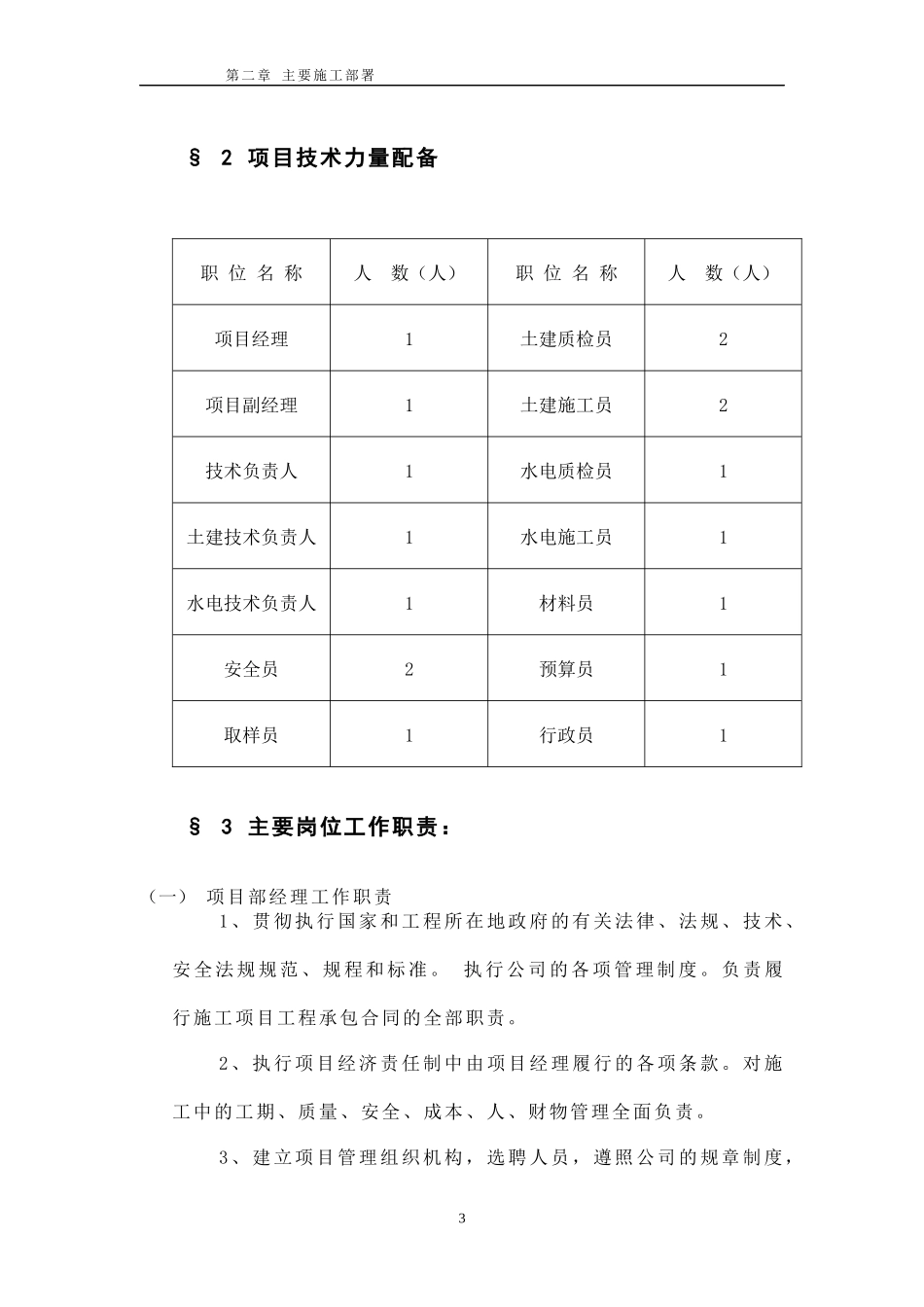
第一章工程概况及特点第一章工程概况及特点§1工程概况xxx公司厂房项目工程由xxx设计研究院有限公司设计,由xxx有限公司投资和建设。该工程位于厦门高新工业区包含综合厂房、动力中心、水泵房、警卫室、吸烟室及室外工程等六个单位工程,总建筑面积21218.98平方米。§2工程特点1.本工程总工期为187日历天,其中主体完成时间为54天,工期十分紧张,应理顺各方面的关系,保证资金到位,尽力创造工作面,组织立体交叉流水作业,以确保工程如期交工。2.本工程工作量大,工期十分紧张,土建、水电、暖通、消防、电梯等各工种各工序如何紧密配合、及时穿插、全面铺开,是保证工程顺利进行,如期竣工的又一重点。1公司经理工程科质安科经营科财务科办公室项目经理项目副经理技术负责人质检员施工员预算员试验员安全员各工种施工操作班组材料员第二章主要施工部署第二章工程施工部署§1工程项目部组织机构2第二章主要施工部署§2项目技术力量配备职位名称人数(人)职位名称人数(人)项目经理1土建质检员2项目副经理1土建施工员2技术负责人1水电质检员1土建技术负责人1水电施工员1水电技术负责人1材料员1安全员2预算员1取样员1行政员1§3主要岗位工作职责:(一)项目部经理工作职责1、贯彻执行国家和工程所在地政府的有关法律、法规、技术、安全法规规范、规程和标准。执行公司的各项管理制度。负责履行施工项目工程承包合同的全部职责。2、执行项目经济责任制中由项目经理履行的各项条款。对施工中的工期、质量、安全、成本、人、财物管理全面负责。3、建立项目管理组织机构,选聘人员,遵照公司的规章制度,3第二章主要施工部署制定管理人员岗位职责的实施细则,并进行检查监督考核。负责贯标工作,及时作出项目管理决策,使项目部高效能地开展工作。4、组织编制工程项目施工组织设计(送公司审批),对工程总进度、质量、安全生产和文明施工以及降低工程成本进行科学策划,明确总目标,阶段性目标,确保项目建设成功。5、按贯标程序文件的要求和公司的花名册择优选择分承包商(作业队)和供应商,报公司经营科室审核,经理审批授权,代表公司对外签订分包(供应)合同。6、按施工组织设计的施工总平面图要求,组织施工现场临时设施的搭建,安排办理开工手续。做好施工准备工作。7、建立生产调度制,对工程进度进行有效的控制。要根据工程总进度要求,组织编制月(旬)作业计划(送公司审批),参加公司的生产调度会,主持召开项目部的生产调度会,协调总分包、供应商、作业队(组)间的关系,及时解决问题,确保工程进度按计划进行。8、加强技术管理,严格执行国家《工程建设标准强制性条文》及有关技术标准和规范。积极推广应用新技术新工艺,按贯标要求建立项目管理和质量保证体系的有效运行,负责组织编制项目质量计划并贯彻执行,确保工程质量,实现“以质取胜”的方针。9、负责本项目工程的劳动保护和施工安全领导工作(本项目的安全生产第一责任人),执行公司《安全管理制度和安全生产责任制》,按公司安检制度组织安检,严格遵守有关安全技术标准规4第二章主要施工部署范、规程,确保安全生产和文明施工。10、严格执行公司的材料物资采购和管理制度,以及贯标采购等有关程序。杜绝伪劣产品进入工地,防止材料浪费。11、严格财经制度,加强财经管理,正确处理国家、企业和个人的利益关系。制定并实施项目部的奖惩办法,负责审核内外资金往来。12、加强合同管理,处理好合同变更、洽商纠纷和索赔,搞好与有关单位的协作配合,在授权范围内,代表公司法人进行有关签证(送公司有关部门备案)。13、及时报送拨付款申请。对分包商(作业队)和供应商的拨付款申请进行审定后,报公司经营科检查总会审核、经理批准执行。(二)项目部技术负责人1、贯彻执行国家《工程建设标准强制性条文》及有关技术、安全法规、规范、规程和标准,积极推广应用新技术新工艺,协助项目经理,按惯标要求,建立项目质量管理和质量保证体系,且保证有效运行。具体负责编制项目质量计划(报公司质安部门审核,总工批准),并贯彻执行,确保工程质量,实现“以质取胜”的方针。2、组织项目部技术人员参加公司...

1、当您付费下载文档后,您只拥有了使用权限,并不意味着购买了版权,文档只能用于自身使用,不得用于其他商业用途(如 [转卖]进行直接盈利或[编辑后售卖]进行间接盈利)。
2、本站所有内容均由合作方或网友上传,本站不对文档的完整性、权威性及其观点立场正确性做任何保证或承诺!文档内容仅供研究参考,付费前请自行鉴别。
3、如文档内容存在违规,或者侵犯商业秘密、侵犯著作权等,请点击“违规举报”。

碎片内容

某厦门工业厂房施工组织设计

确认删除?
VIP
微信客服
  • 扫码咨询
会员Q群
  • 会员专属群点击这里加入QQ群
客服邮箱
回到顶部