电脑桌面
添加小米粒文库到电脑桌面
安装后可以在桌面快捷访问

某公园墅项目安全月应急救援预案VIP免费

某公园墅项目安全月应急救援预案_第1页
1/44
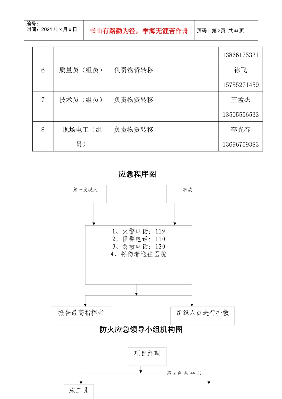
某公园墅项目安全月应急救援预案_第2页
2/44
某公园墅项目安全月应急救援预案_第3页
3/44
第1页共44页编号:时间:2021年x月x日书山有路勤为径,学海无涯苦作舟页码:第1页共44页三巽公园墅项目“安全月”应急救援预案2018年6月是“全国安全生产月”,组织开展好“安全生产月”活动是建筑工程施工现场安全管理的一项重要内容。我项目部自接到“安全生产月”通知后,针对我项目实际情况,认真抓好落实,制定2018年“安全生产月”应急预案如下:防火应急预案为了防止火灾事故的发生,减少火灾发生时造成的人身及财产损失,结合消防工作的特点,根据我项目部实际,制定本预案。项目部成立防火应急领导小组,由项目经理任组长,组员由技术负责人、施工员、安全员、质量员、材料员及现场保卫人员组成。其职责及联络方式如下:序号职务职责联络方式1项目经理(组长)负责全局指挥人员、救灾物资总调度,并将火灾情况上报集团公司张正远135156578052施工员(副组长)负责现场指挥及人员调动窦本新139650677163安全员(组员)负责组织人员进行灭火,隔离现场张有同183056056584现场保卫(组员)负责人员从安全通道转移陈昊157550129315材料员(组员)负责提供救灾物资许华萍第2页共44页第1页共44页编号:时间:2021年x月x日书山有路勤为径,学海无涯苦作舟页码:第2页共44页138661753316质量员(组员)负责物资转移徐飞157552714597技术员(组员)负责物资转移王孟杰135055565338现场电工(组员)负责物资转移李光春13696759383应急程序图防火应急领导小组机构图第一发现人事故1、火警电话:1192、匪警电话:1103、急救电话:1204、将伤者送往医院报告最高指挥者组织人员进行扑救项目经理施工员第3页共44页第2页共44页编号:时间:2021年x月x日书山有路勤为径,学海无涯苦作舟页码:第3页共44页现场平时应经常检查救灾物资,救灾物资应放置在明显部位,并在施工总平面图上作出标识。应急措施:1、通过责任书的签定明确责任,责任到人。2、加强消防安全检查,及时发现整改存在的问题。3、加强对消防器材的维护和保养,使消防器材可使用率保持在百分百。4、严格运用明火审批制度,运用明火必须写出书面申请,项目经理加意见、签名,安全员写出防护措施,现场保卫人员监督实施。5、加强临时用电的管理,严厉打击乱接乱拉电线,违章使用电炉子、电褥子等现象。6、加强对易燃、易爆物品管理的监督力度。7、督促材料库房加强消防管理,材料库房油毡、油料的存放不安全员现场保卫现场电工第4页共44页第3页共44页编号:时间:2021年x月x日书山有路勤为径,学海无涯苦作舟页码:第4页共44页得超过国家规定的数量。油漆、香蕉水等物品严格存放,库房内严禁烟火。8、电焊操作员作业时,严格操作程序,操作点作业点必须远离易燃、易爆物品的存放点,坚决杜绝野蛮作业。应急方法:1、一旦发生火灾事故,发现者必须迅速向119报警,与此同时向最高指挥者报告。2、最高指挥者接到报告后,必须立即做出决断。3、打开安全通道,架设消防水源。4、疏散群众向安全地带转移。5、隔离火灾现场,维持现场秩序,防止发生混乱。6、施工员黄晶泉组织人员灭火,抢救被围困人员。7、疏通救灾通道,疏散围观群众,以便消防车辆的进入。8、转移物资,特别是易燃、易爆物品迅速向安全地带转移。9、提供救灾物资,满足救灾的需要。10、将伤者迅速送往医院救治。第5页共44页第4页共44页编号:时间:2021年x月x日书山有路勤为径,学海无涯苦作舟页码:第5页共44页触电、烧伤应急预案为了保证项目部生产、生活过程中,可能发生触电、烧伤等事故,降低损失,保障人身安全及财产安全,结合我公司在建项目部实际,特制定本预案:项目部触电、烧伤应急小组,由项目经理任组长,组员由技术负责人、施工员、安全员、质量员、材料员、现场保卫人员及现场电工组成。其职责及联络方式如下:序号职务职责联络方式1项目经理(组长)负责人员调动及全局指挥并将事故情况上报集团公司张正远135156578052施工员(副组长)负责现场指挥及人员调动窦本新139650677163安全员(组员)负责现场人员的疏散及维持现场张有同第6页共44页第5页共44页编号:时间:2021年x月x日书山有路勤为径,学海无涯苦作舟页码:第6页共44页秩序183056056584...

1、当您付费下载文档后,您只拥有了使用权限,并不意味着购买了版权,文档只能用于自身使用,不得用于其他商业用途(如 [转卖]进行直接盈利或[编辑后售卖]进行间接盈利)。
2、本站所有内容均由合作方或网友上传,本站不对文档的完整性、权威性及其观点立场正确性做任何保证或承诺!文档内容仅供研究参考,付费前请自行鉴别。
3、如文档内容存在违规,或者侵犯商业秘密、侵犯著作权等,请点击“违规举报”。

碎片内容

某公园墅项目安全月应急救援预案

精华资料店+ 关注
实名认证
内容提供者

大量教育教学资料

确认删除?
VIP
微信客服
  • 扫码咨询
会员Q群
  • 会员专属群点击这里加入QQ群
客服邮箱
回到顶部