电脑桌面
添加小米粒文库到电脑桌面
安装后可以在桌面快捷访问

某地下车库投标书VIP免费

某地下车库投标书_第1页
1/83
某地下车库投标书_第2页
2/83
某地下车库投标书_第3页
3/83
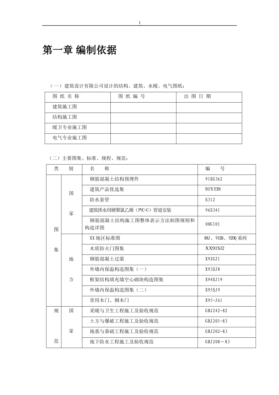
目录目录............................................................................................................................................1第一章编制依据............................................................................................................................1第二章工程概况............................................................................................................................5第三章本工程重点、难点............................................................................................................9第四章施工部署..........................................................................................................................10第五章主要分部分项工程施工方案...........................................................................................18第六章施工进度计划..................................................................................................................56第七章工期保证措施..................................................................................................................57第八章季节施工措施..................................................................................................................59第九章主要材料用量计划...........................................................................................................60第十章主要机具设备配备...........................................................................................................61第十一章质量保证措施..............................................................................................................64第十二章安全技术措施和保证制度...........................................................................................71第十三章文明施工及环保措施...................................................................................................74第十四章降低造价技术措施.......................................................................................................77第十五章成品保护措施..............................................................................................................78第一章编制依据(一)建筑设计有限公司设计的结构、建筑、水暖、电气图纸:图纸名称图纸编号出图日期建筑施工图结构施工图暖卫专业施工图电气专业施工图(二)主要图集、标准、规程、规范:类别名称编号图集国家钢筋混凝土结构预埋件91SG362建筑产品优选集91YJ39防水套管S312建筑排水用硬聚氯乙烯(PVC-U)管道安装96S341钢筋混凝土结构施工图整体表示方法制图规则和构造详图00G101地方XX地区标准图88J、91SB、92DQ系列木质防火门图集XX91SJ2钢筋混凝土过梁X92G21外墙内保温构造图集(一)X93SJ8框架结构填充墙空心砌块构造图集X94SJ19外墙内保温构造图集(二)X95SJ9常用木门、钢木门X95-J61规范国家采暖与卫生工程施工及验收规范GBJ242-82土方与爆破工程施工及验收规范GBJ201-83地基与基础工程施工及验收规范GBJ202-83地下防水工程施工及验收规范GBJ208-831规程喷射混凝土支护技术规范GBJ86-85地下工程防水技术规范GBJ108-87混凝土结构工程施工及验收规范GB50204-92建筑地面工程施工及验收规范GB50209-95电气装置安装工程施工及验收规范GB50254-59-96通风与空调工程施工及验收规范GB50243-97汽车库、修车库、停车场设计防火规范GB50067-97砌体工程施工及验收规范GB50203-98行业建筑机械使用安全技术规程JGJ33-86施工现场临时用电安全技术规范JGJ46-88建筑装饰工程施工及验收规范JBJ73-91建筑桩基技术规范JGJ94-94混凝土泵送施工技术规程JGJ/T10-95钢筋机械连接通用技术规程JGJ107-96钢筋锥螺...

1、当您付费下载文档后,您只拥有了使用权限,并不意味着购买了版权,文档只能用于自身使用,不得用于其他商业用途(如 [转卖]进行直接盈利或[编辑后售卖]进行间接盈利)。
2、本站所有内容均由合作方或网友上传,本站不对文档的完整性、权威性及其观点立场正确性做任何保证或承诺!文档内容仅供研究参考,付费前请自行鉴别。
3、如文档内容存在违规,或者侵犯商业秘密、侵犯著作权等,请点击“违规举报”。

碎片内容

某地下车库投标书

您可能关注的文档

确认删除?
VIP
微信客服
  • 扫码咨询
会员Q群
  • 会员专属群点击这里加入QQ群
客服邮箱
回到顶部