电脑桌面
添加小米粒文库到电脑桌面
安装后可以在桌面快捷访问

某山庄东北区工程项目管理方案VIP免费

某山庄东北区工程项目管理方案_第1页
1/10
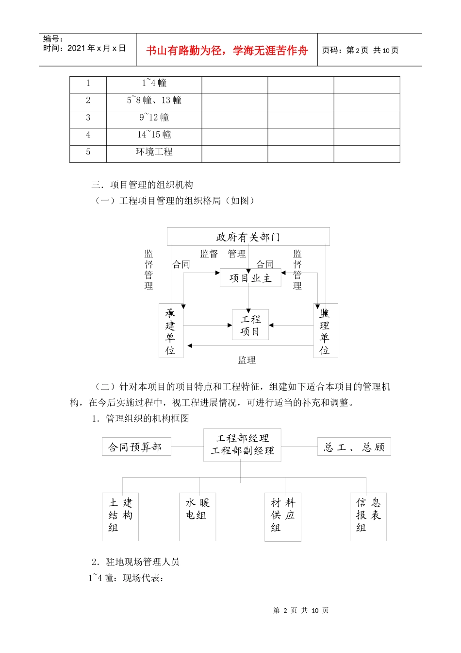
某山庄东北区工程项目管理方案_第2页
2/10
某山庄东北区工程项目管理方案_第3页
3/10
第1页共10页编号:时间:2021年x月x日书山有路勤为径,学海无涯苦作舟页码:第1页共10页锦绣山庄东北区工程项目管理方案一.工程项目概况(一)项目特征锦绣山庄东北区工程是由十五栋四~十二层住宅、停车场及各种配套设备、小区道路及环境工程组成的中高级住宅小区,总建筑面积24262M2,工程施工阶段的具体内容有:1.平基土石方2.建筑工程:包括基础工程、主体工程、装饰工程等。3.给排水工程:包括室内外生活给水系统、室内外消防给排水系统、室内外生活污水、废水、雨水等排水系统。4.电气工程:包括高低压供电系统、防雷接地系统、照明系统等。5.自动化工程(二)项目的组成、规模序号名称结构类型建筑面积层数合同价款合同工期质量等级11~4幢框架3300M25层160优良25~8幢、13幢框架4420M24层210优良39~12幢框架9542M25层210优良414~15幢框架7050M212层240优良5环境工程(三)工程特点概述1.总平面图(附页)2.此项目为中高级住宅小区,西面是已建锦绣山庄别墅区,施工过程中对周边环境必须给予充分的注意。3.施工工期紧,且直接影响到商品房销售业绩,工期必须严格控制。4.中高级花园洋房小区,施工质量和投资必须严格控制。二.项目目标序号项目名称工期目标质量目标投资目标第2页共10页第1页共10页编号:时间:2021年x月x日书山有路勤为径,学海无涯苦作舟页码:第2页共10页11~4幢25~8幢、13幢39~12幢414~15幢5环境工程三.项目管理的组织机构(一)工程项目管理的组织格局(如图)监监督管理监督合同合同督管管理理监理(二)针对本项目的项目特点和工程特征,组建如下适合本项目的管理机构,在今后实施过程中,视工程进展情况,可进行适当的补充和调整。1.管理组织的机构框图2.驻地现场管理人员1~4幢:现场代表:政府有关部门项目业主工程项目承建单位监理单位工程部经理工程部副经理合同预算部总工、总顾问土建结构组水暖电组材料供应组信息报表组第3页共10页第2页共10页编号:时间:2021年x月x日书山有路勤为径,学海无涯苦作舟页码:第3页共10页5~8幢、13幢:现场代表:9~12幢现场代表:14~15幢:现场代表:环境工程:现场代表:水电工程师:测量员:四.职责范围(一)施工阶段的质量控制1.质量的事前控制1)掌握和熟悉质量控制的依据。2)施工场地的质量检查验收。3)施工队伍的资质审查。4)工程所需原材料、半成品的质量控制。5)施工机械的质量控制。6)审查施工单位提交的施工组织设计。7)施工环境、管理环境改善的措施。A.协助监理单位完善项目监理规划和实施细则。B.协助施工单位完善质量保证工作体系。C.主动与监理公司、质监站联系,争取工程建设中有关部门的支持和帮助。D.审核施工单位关于材料、制品试件取样及试验的方法方案。E.审核施工单位制定的成品保护措施。F.协助监理单位完善质量报表、质量事故的报告制度。2.质量的事中控制1)施工工艺过程质量的控制(详见监理规划第十八页)。2)工序交接检查严格执行上道工序不经检查验收不准进行下道工序的原则,上道工序完成后,先由施工单位进行自检、专职检,认为合格后,再通知监理工程师和甲方现场工程师到现场会同检验,检验合格后签署认可方进行下道工序,工作流程参见监理规划第二十页。3)隐蔽工程检查验收隐蔽工程完成后,先由施工单位自检,初验合格后填报隐蔽工程质量验第4页共10页第3页共10页编号:时间:2021年x月x日书山有路勤为径,学海无涯苦作舟页码:第4页共10页收通知单报监理工程师和甲方现场工程师检查验收。4)工程变更和处理施工单位提出的工程变更的处理流程参见监理规划二十一页。5)设计更更或技术核定的处理建设单位提出的设计变更或技术核定的处理由设计部负责,处理流程参见监理规划二十二页。6)工程质量事故处理包括质量事故原因责任的分析、质量事故处理措施的商定、批准处理工程质量事故的技术措施或方案、处理措施效果的检查。7)配合监理单位行使质量监督权,下达停工指令。为保证工程质量,出现下述情况之一者,现场工程师有权督促监理单位指令施工单位立即停工整改。A.未经检验即进行下道工序作业者。B.工程质量下降经指出后,未采取有效改正措施...

1、当您付费下载文档后,您只拥有了使用权限,并不意味着购买了版权,文档只能用于自身使用,不得用于其他商业用途(如 [转卖]进行直接盈利或[编辑后售卖]进行间接盈利)。
2、本站所有内容均由合作方或网友上传,本站不对文档的完整性、权威性及其观点立场正确性做任何保证或承诺!文档内容仅供研究参考,付费前请自行鉴别。
3、如文档内容存在违规,或者侵犯商业秘密、侵犯著作权等,请点击“违规举报”。

碎片内容

某山庄东北区工程项目管理方案

确认删除?
VIP
微信客服
  • 扫码咨询
会员Q群
  • 会员专属群点击这里加入QQ群
客服邮箱
回到顶部