电脑桌面
添加小米粒文库到电脑桌面
安装后可以在桌面快捷访问

某市政污水管道施工组织设计方案VIP免费

某市政污水管道施工组织设计方案_第1页
1/124
某市政污水管道施工组织设计方案_第2页
2/124
某市政污水管道施工组织设计方案_第3页
3/124
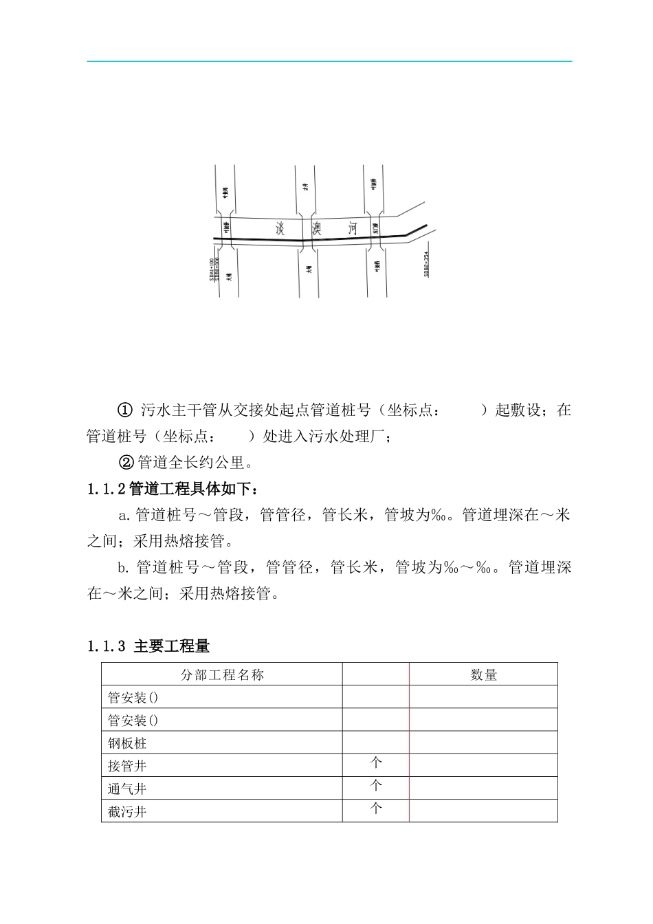
第一章施工组织设计第一节总体概述工程说明1.1.1工程简介惠州市惠阳区淡澳河城区段沿河两岸的污水干管处于叶挺桥到东门桥。本工程的污水收集范围为惠阳城区污水处理厂的服务范围内的中心区、白云区、站前轩。管线布设如下图所示:①污水主干管从交接处起点管道桩号(坐标点:)起敷设;在管道桩号(坐标点:)处进入污水处理厂;②管道全长约公里。1.1.2管道工程具体如下:a.管道桩号~管段,管管径,管长米,管坡为‰。管道埋深在~米之间;采用热熔接管。b.管道桩号~管段,管管径,管长米,管坡为‰~‰。管道埋深在~米之间;采用热熔接管。1.1.3主要工程量分部工程名称数量管安装()管安装()钢板桩接管井个通气井个截污井个检查井个1.1.4水文)水系直接汇入大海。)潮汐大亚湾潮汐属不正规半日混合潮型,最高潮位为米。每月有~天为日潮,~天为半日潮,由于受地形影响,外海潮波传至大亚湾内变形较大,以致潮汐日不等现象非常明显。)海水规划区内海水物理性状好,无色、无嗅、透明、可以达到类水标准,化学成分多项指标达类,但也有部分指标只达到类—类标准的。据广东省环境监测中心站年对大亚湾海水监测结果:磷酸盐和石油超海水一类水质标准,值也有部分测值偏高,该结果说明海水已受到了工业废水的污染。1.1.5气候条件)气候开发区地处北回归线以南,濒临南海,属于典型的亚热带海洋性气候。主导风向为东南风,次主导风向为西北和西南风。历年平均风速米秒。历年平均温度21.80C,极端最高气温38.50C。年平均降雨量为毫米。历年最高降雨量为毫米。每年—月为台风季节,以~月份为盛期。)台风本地区台风影响的起止时间为~月,尤以~月份居多,年平均影响次数次,最多年份年次,受台风影响,一般出现狂风和暴雨,并在沿海产生风暴潮,台风登陆瞬时风速达40m以上。工程施工目标针对,我公司规定的施工目标主要有:质量目标;进度目标,安全目标及文明施工目标。1.2.1质量目标本工程质量目标为合格工程,争创广东省优良样板工程。施工质量控制、工程验收采用的规范、标准主要有:、《室外排水设计规范》;、《给水排水管道工程施工及验收规范》;、《埋地给水排水玻璃纤维增强热固性树脂夹砂管管道工程施工及验收规程》();、《埋地聚乙烯排水管管道工程技术规程》();、《埋地高密度聚氯乙烯中空壁缠绕结构排水管道工程技术规程》;、《埋地钢质管道环氧煤沥青防腐涂层技术标准》;、《玻璃纤维缠绕增强热固性树脂加砂压力管》();、《玻璃纤维增强塑料夹砂顶管》;、《埋地用聚乙烯结构壁管道系统》;、深圳市《非承重砌块墙体设计规范》;、《建筑构造统一做法表》;《给水排水工程构筑物结构设计规范》;、《给水排水工程构筑物施工及验收规范》;、《混凝土结构设计规范》;、《砌体结构设计规范》;、《建筑地基基础设计规范》;、《建筑地基处理技术规范》等。1.2.2进度目标计划开工日期为,计划竣工日期为天(比招标文件要求完工日期)。1.2.3安全目标实施施工全过程“六无”:即无伤亡、无重伤、无倒塌、无中毒、无爆炸、无重大机械交通事故,争创广东省建设工程安全生产文明施工优良样板工地。小事故发生率低于‰。1.2.4文明施工目标在施工过程中,加强现场文明施工管理,为保证周边道路正常运作及现场文明施工,采取合理的围蔽措施,尽量降低施工噪音和降低尘埃,及时清除和搬走在施工过程中产生的垃圾,减少对周围环境的影响,确保粉尘、噪音、废水、废气的排放达到国家规定的有关标准。施工前期准备1.3.1施工用水根据本工程特点,施工用水主要采用自来水,由邻近驳接口接入使用。1.3.2临时设施综合现场的具体情况,本工程在工作井处占用部分地块,作为工作井、顶管配套设备、机械、材料等工作场地。对于机具、材料等,在施工现场由工程项目经理部组织统一堆放。.3.3施工技术准备.3.3认真组织和落实主要工程技术人员,熟悉施工图,领会设计意图,阅读建设单位述及的规定、要求和参照标准。工程开工前,为设计交底和图纸交底做好充足的准备,将不清或不明的问题汇总通知甲方、设计人员,以便及时解决。组织三级技术交底,第一级由设计部门向项目经理部进行图纸...

1、当您付费下载文档后,您只拥有了使用权限,并不意味着购买了版权,文档只能用于自身使用,不得用于其他商业用途(如 [转卖]进行直接盈利或[编辑后售卖]进行间接盈利)。
2、本站所有内容均由合作方或网友上传,本站不对文档的完整性、权威性及其观点立场正确性做任何保证或承诺!文档内容仅供研究参考,付费前请自行鉴别。
3、如文档内容存在违规,或者侵犯商业秘密、侵犯著作权等,请点击“违规举报”。

碎片内容

某市政污水管道施工组织设计方案

您可能关注的文档

确认删除?
VIP
微信客服
  • 扫码咨询
会员Q群
  • 会员专属群点击这里加入QQ群
客服邮箱
回到顶部