电脑桌面
添加小米粒文库到电脑桌面
安装后可以在桌面快捷访问

某建设公司施工现场检查评分记录表VIP免费

某建设公司施工现场检查评分记录表_第1页
1/64
某建设公司施工现场检查评分记录表_第2页
2/64
某建设公司施工现场检查评分记录表_第3页
3/64
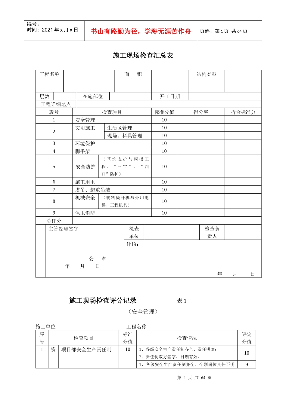
第1页共64页编号:时间:2021年x月x日书山有路勤为径,学海无涯苦作舟页码:第1页共64页施工现场检查汇总表工程名称面积结构类型层数在施部位开工日期工程详细地点表号检查项目标准分值得分率折合标准分1安全管理102文明施工生活区管理10现场、料具管理103环境保护104脚手架105安全防护(基坑支护与模板工程、“三宝”、“四口”防护)106施工用电107塔吊、起重吊装108机械安全(物料提升机与外用电梯、工程机具)109保卫消防10总评分主管经理签字公章年月日检查单位检查负责人评语:年月日施工现场检查评分记录表1(安全管理)施工单位工程名称序号检查项目标准分值检查情况评定分值1资项目部安全生产责任制101、各级安全生产责任制齐全、责任明确;2、责任制双方签字、日期有效。101、各级安全生产责任制齐全、个别岗位责任不明9第2页共64页第1页共64页编号:时间:2021年x月x日书山有路勤为径,学海无涯苦作舟页码:第2页共64页料确;2、责任制双方签字、日期有效。1、个别岗位安全生产责任制不齐全、多项岗位责任不明确;2、责任制双方签字、日期有效71、多项岗位安全生产责任制不齐全、多项岗位责任制不明确;2、责任制未双方签字或日期无效。5项目部无安全生产责任制。02项目部安全管理机构设置51、项目部设置安全管理机构;2、人员设置符合标准;3、安全责任分工明确。51、项目部设置安全管理机构;2、人员设置符合标准;3、安全责任分工比较明确。4.51、项目部设置安全管理机构;2、人员设置符合标准;3、安全责任分工不明确。3.51、项目部安全管理机构设置不明确;2、人员设置不符合标准;3、安全责任分工不明确。2.5项目部未设置安全管理机构。03目标管理51、项目部安全生产目标管理明确;2、各项安全管理制度、安全管理措施齐全。51、项目部安全生产目标管理明确;2、各项安全管理制度、安全管理措施比较齐全。4.51、项目部安全生产目标管理明确;2、个别安全管理制度、安全管理措施不齐全。3.51、项目部安全生产目标管理比较明确;2、多项安全管理制度、安全管理措施不齐全。2.5项目部无安全生产目标管理。04总包与分包安全管理协议书51、总包单位和分包单位的安全生产许可证齐全、有效;2、总包单位与各分包单位签订安全管理协议书齐全、有效;3、双方的安全生产管理责任明确。51、总包单位和分包单位的安全生产许可证齐全、有效;2、总包单位与各分包单位签订安全管理协议书比较齐全、有效;3、双方的安全生产管理责任明确。4.51、总包单位和分包单位的安全生产许可证齐全、3.5第3页共64页第2页共64页编号:时间:2021年x月x日书山有路勤为径,学海无涯苦作舟页码:第3页共64页有效;2、总包单位与各分包单位签订安全管理协议书比较齐全、有效;3、双方的安全生产管理责任比较明确。1、总包单位和分包单位的安全生产许可证齐全、有效;2、总包单位与个别分包单位未签订安全管理协议书;3、双方的安全生产管理责任不明确。2.51、总包单位和分包单位的安全生产许可证不齐全或无效;2、总包单位与各分包单位未签订安全管理协议书;05施工组织设计51、施工组织设计有编制、审核、审批人签字盖章;2、有专项安全技术措施(方案);3、严格执行安全技术措施(方案)。51、施工组织设计有编制、审核、审批人签字盖章;2、有专项安全技术措施(方案);3、执行安全技术措施(方案)比较严格。4.51、施工组织设计有编制、审核、审批人签字盖章;2、专项安全技术措施(方案)针对性不强;3、执行安全技术措施(方案)不严格。3.51、施工组织设计无编制、审核、审批人签字盖章;2、安全措施(方案)无针对性;3、未执行安全措施。2.5无施工组织设计06冬、雨季施工方案51、冬、雨季施工方案有编制、审核、审批人签字盖章;2、安全技术措施齐全、针对性强。51、冬、雨季施工方案有编制、审核、审批人签字盖章;2、安全技术措施齐全、针对性比较强。4.51、冬、雨季施工方案有编制、审核、审批人签字盖章;2、安全技术措施比较齐全、针对性比较强。3.51、冬、雨季施工方案无编制、审核、审批人签字盖章;2、安全技术措施比较齐全、针对性比较强。2.5第4页共64页第3页共64页编号:时...

1、当您付费下载文档后,您只拥有了使用权限,并不意味着购买了版权,文档只能用于自身使用,不得用于其他商业用途(如 [转卖]进行直接盈利或[编辑后售卖]进行间接盈利)。
2、本站所有内容均由合作方或网友上传,本站不对文档的完整性、权威性及其观点立场正确性做任何保证或承诺!文档内容仅供研究参考,付费前请自行鉴别。
3、如文档内容存在违规,或者侵犯商业秘密、侵犯著作权等,请点击“违规举报”。

碎片内容

某建设公司施工现场检查评分记录表

确认删除?
VIP
微信客服
  • 扫码咨询
会员Q群
  • 会员专属群点击这里加入QQ群
客服邮箱
回到顶部