电脑桌面
添加小米粒文库到电脑桌面
安装后可以在桌面快捷访问

某汽车总装项目总装工艺初步分析报告VIP免费

某汽车总装项目总装工艺初步分析报告_第1页
1/30
某汽车总装项目总装工艺初步分析报告_第2页
2/30
某汽车总装项目总装工艺初步分析报告_第3页
3/30
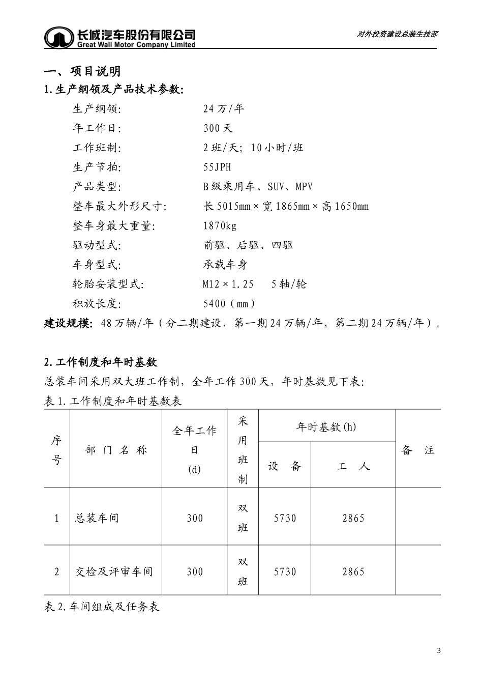
对外投资建设总装生技部天津长城汽车总装项目总装工艺初步分析报告编制:黄志勇2008-12-181对外投资建设总装生技部目录一、项目说明1.生产纲领及产品技术参数2.工作制度和年时基数3.设计原则二.生产布局及工艺方案说明1.生产布局说明2.工艺流程说明3.各线体作业内容说明4.物流方案说明5.工具方案说明6.三期经验、教训总结三、投资经济性分析1.与三部、天津丰田三厂投资对比2.天津长城与保定长城三期、天津丰田三厂总装生产线体工艺设备对比3.与其它日韩系汽车企业设备对比4.几种不同产能投资对比5.产能分析6、环保、节能、消防措施7.设备明细及投资估算8.分步建设实施方案2对外投资建设总装生技部一、项目说明1.生产纲领及产品技术参数:生产纲领:24万/年年工作日:300天工作班制:2班/天;10小时/班生产节拍:55JPH产品类型:B级乘用车、SUV、MPV整车最大外形尺寸:长5015mm×宽1865mm×高1650mm整车身最大重量:1870kg驱动型式:前驱、后驱、四驱车身型式:承载车身轮胎安装型式:M12×1.255轴/轮积放长度:5400(mm)建设规模:48万辆/年(分二期建设,第一期24万辆/年,第二期24万辆/年)。2.工作制度和年时基数总装车间采用双大班工作制,全年工作300天,年时基数见下表:表1.工作制度和年时基数表序号部门名称全年工作日(d)采用班制年时基数(h)备注设备工人1总装车间300双班573028652交检及评审车间300双班57302865表2.车间组成及任务表3对外投资建设总装生技部序号项目担负任务车间组成备注1总装车间承担年产24万辆乘用车(一期)的车身内饰装配、底盘装配、最终装配、整车安全性能检测试验、调试返修等任务内饰工段、底盘工段、后装工段、调整工段、检测工段、物流配送工段等2交检及评审车间承担试车后的交检、补漆返修及部分外发车辆的喷蜡、整车评审工作交检工段、补漆工段等3.设计原则总装项目设计以“精益”为主线,以天津丰田三厂为标杆,充分总结一、三期建设的经验及教训,追求投资的经济性、合理性,本着“关键设备进口、设备定位中等、不过分追求少人化”的原则进行设计:1).设计最大产能:55JPH,工艺及设备水平定位:“够用就好”,不盲目追求高自动化水平;2).三个平台车身定位孔均在工装保证范围内;3).本着“一次设计,分步实施、滚动发展”的原则进行设计和建设;4).追求先进的物流管理方式,避免较大的物流区浪费,以压缩基建投资。4对外投资建设总装生技部二.生产布局及工艺方案说明1.生产布局说明总装车间呈长方形,长508m、宽144m,面积73152㎡。车间分为生产区与物流区两部分,生产线体有PBS区、内饰线(56个装配工位)、底盘线(38个装配工位)、总装线(40个装配工位)、完整性检查线、机能检测线等主线体,为采用模块化装配的需要,还布置有仪表板分装线、车门分装线、动力总成分装线、后悬分装线;同时,为了实现大件物流的有序流动,对轮胎、座椅的配送采用输送线的形式直接分配到工位,减少了中间转运环节。总装车间主线总有效装配工位共计134个,每条生产线总工位数不超过30个,为“短粗H型”柔性生产线,便于实现多车型混线生产。根据产品的特点总装车间分为六个工段:1)、配套检验工段:负责外协配套件的接收、清点及配送分发;2)、内饰工段:负责车身的条形VIN码、标、铭牌的打刻、各种线束、地毯、内外饰、前后风挡玻璃等装配及相关件的分装;3)、底盘工段:负责动力总成、前后悬架、制动系、供油系、传动系、底盘部件以及前后保险杠的分装;4)、组装工段负责整车的座椅、车门装配、油水加注、电子防盗锁的匹配和下线前的检查。5)、检测工段:负责整车出厂前的安全、环保性能检测和密封性能检测。6)、调试工段:负责整车出厂前的故障排除、路试等工作。2.工艺流程说明PBS区内饰线仪表板分装线车门分装线底盘线总装线整车完整性检查线检测线淋雨线动力总成分装线后悬分装线来自涂装关键扭矩管理出车间PBS区内饰线仪表板分装线车门分装线底盘线总装线整车完整性检查线检测线淋雨线动力总成分装线后悬分装线来自涂装关键扭矩管理出车间5对外投资建设总装生技部1).来自涂装的车身由叉式移载机和侧顶机转挂到储存线的台车上,被输送到PBS区储存...

1、当您付费下载文档后,您只拥有了使用权限,并不意味着购买了版权,文档只能用于自身使用,不得用于其他商业用途(如 [转卖]进行直接盈利或[编辑后售卖]进行间接盈利)。
2、本站所有内容均由合作方或网友上传,本站不对文档的完整性、权威性及其观点立场正确性做任何保证或承诺!文档内容仅供研究参考,付费前请自行鉴别。
3、如文档内容存在违规,或者侵犯商业秘密、侵犯著作权等,请点击“违规举报”。

碎片内容

某汽车总装项目总装工艺初步分析报告

您可能关注的文档

确认删除?
VIP
微信客服
  • 扫码咨询
会员Q群
  • 会员专属群点击这里加入QQ群
客服邮箱
回到顶部