电脑桌面
添加小米粒文库到电脑桌面
安装后可以在桌面快捷访问

某电厂脱硫吸收塔改造施工组织设计VIP免费

某电厂脱硫吸收塔改造施工组织设计_第1页
1/81
某电厂脱硫吸收塔改造施工组织设计_第2页
2/81
某电厂脱硫吸收塔改造施工组织设计_第3页
3/81
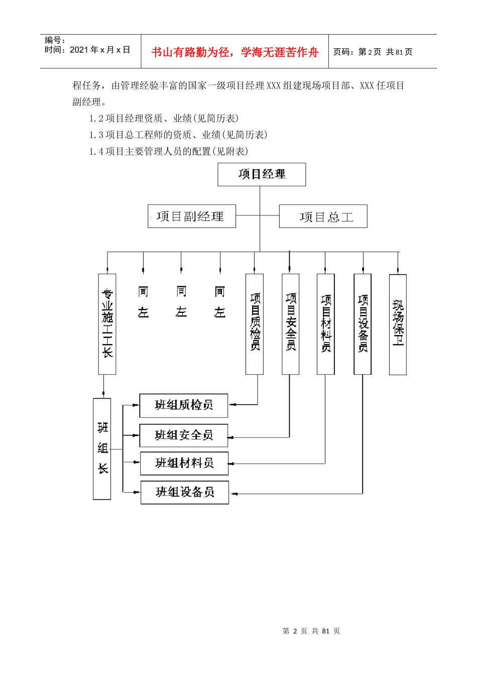
第1页共81页编号:时间:2021年x月x日书山有路勤为径,学海无涯苦作舟页码:第1页共81页xxxxx发电有限公司二期(2×600MW)脱硫装置增容改造建安工程投标文件技术标部分投标单位:xxxxxxxxx有限公司xxxxx施工组织部分一、项目管理组织机构和人员配置1.1项目部组织管理机构我公司对本工程非常重视,经领导班子研究,为了按期保质圆满完成本工第2页共81页第1页共81页编号:时间:2021年x月x日书山有路勤为径,学海无涯苦作舟页码:第2页共81页程任务,由管理经验丰富的国家一级项目经理XXX组建现场项目部、XXX任项目副经理。1.2项目经理资质、业绩(见简历表)1.3项目总工程师的资质、业绩(见简历表)1.4项目主要管理人员的配置(见附表)第3页共81页第2页共81页编号:时间:2021年x月x日书山有路勤为径,学海无涯苦作舟页码:第3页共81页项目经理简历表项目总工程师简历表主要施工管理人员表二、施工综合进度2.1工程里程碑进度(见附表)2.2二级网络进度计划。(见附表)2.3图纸交付进度(分项工程开工前20天招标方应提供相应图纸)2.4主要设备交付进度(设备安装前15天应提供设备到场)2.5综合劳动力和主要工种劳动力安排计划(见附表)2.6主要施工机械设备配置及进场计划(见附表)2.7工程进度计划的实施和控制2.7.1施工准备由于准备到开工时间紧,为确保工作进度,开工前,作好以下准备工作:1施工人员及机械的进场准备工作;2生产、生活用临时电源设备安装,电线电缆的敷设照明和通讯设备的安装,各地区施工用电配电设备的安装等;3生产、生活用水管道的安装;4施工现场的排水管网的形成;2.7.2施工进度的保证措施根据在本工程的施工特点及土建工程施工经验,各项工程都会存在因土建、设计,材料供货等原因造成工期的计划调整,从而影响施工进度。本工程将采取以下一系列措施来保证施工进度,确保本工程施工进度按照《里程碑工期表》圆满完成建筑工程施工程施工任务,为业主分忧,为工程着想,令业主满意。1、总结经验,超前策划根据以往工程施工的特点和设备、设计、土建的影响情况,对同类型机组旗工的成功经验进行总结,并在本工程开工之前进行经验总结培训,可以做到有针对性地对管理、技术、施工、质量等方面进行人员培训。做到超前策划,对土建、设计、设备供货、施工等方面作出快速反应。2、保证资源投入本工程的劳动力、机械、机工具等资源均由公司根据工程需要统一进行调配,保证各个工程里程碑节点保质完成。根据本工程计划的安排和各专业的主要施工方案要求,我们编制劳动力计划、机械使用计划和机工具使用计划,确保满足现场施工的最大需求。确保参与脱硫工程的管理资源及关键资源(包括人员、机械及机具等),派遣高素质经验丰富的骨干人员参加本工程的施工,必要时我们将加大人员、机械及机工具等资源的投入。3、实施科学严格的工程计划管理第4页共81页第3页共81页编号:时间:2021年x月x日书山有路勤为径,学海无涯苦作舟页码:第4页共81页科学地编制工程进度计划根据业主的里程碑网络进度计划要求,在工程前期编制本工程项目的二级施工进度,并在此基础上完成详细的三级进度计划的编制。以P3编制的进度计划来控制和保证各项工作的按期进行,并对关键路线中的主要节点编制专项计划进行进度控制,确保里程碑工期实现。有效的进度控制盘点在工程实施过程中,首先实施和落实图纸交付、材料到货情况,全面跟踪每一项工程的进展情况,及时收集工程数据,每周对三级进度计划进行盘点更新。根据盘点结果,同时对比分析资源配置的计划和实际投入情况,预测工程进度,保证资源投入以满足工程进度的需要。进的的控制和调整对照目标计划,与现行计划进行进度分析,在每周的工程协调例会上落实周进度的完成情况,协调和解决施工中的问题,从而做到以局部保总体,以并键保全面,确保每个里程碑节点蝢利可靠的实现。4、自购材料的保证供应1)充分利用我公司的材料供应网络、设备采购网络,保证材、设备的采购供应。2)根据以往机组施工的安装经验,编制合理详细的材料、设备需求计划,保证该计划的实施。三、施工总平面布置3.1施工区域划分和施工用地面积指标(要求招标方提供较详细...

1、当您付费下载文档后,您只拥有了使用权限,并不意味着购买了版权,文档只能用于自身使用,不得用于其他商业用途(如 [转卖]进行直接盈利或[编辑后售卖]进行间接盈利)。
2、本站所有内容均由合作方或网友上传,本站不对文档的完整性、权威性及其观点立场正确性做任何保证或承诺!文档内容仅供研究参考,付费前请自行鉴别。
3、如文档内容存在违规,或者侵犯商业秘密、侵犯著作权等,请点击“违规举报”。

碎片内容

某电厂脱硫吸收塔改造施工组织设计

您可能关注的文档

确认删除?
VIP
微信客服
  • 扫码咨询
会员Q群
  • 会员专属群点击这里加入QQ群
客服邮箱
回到顶部